k-part
Номер на схеме Каталожный номер Название Количество Детали
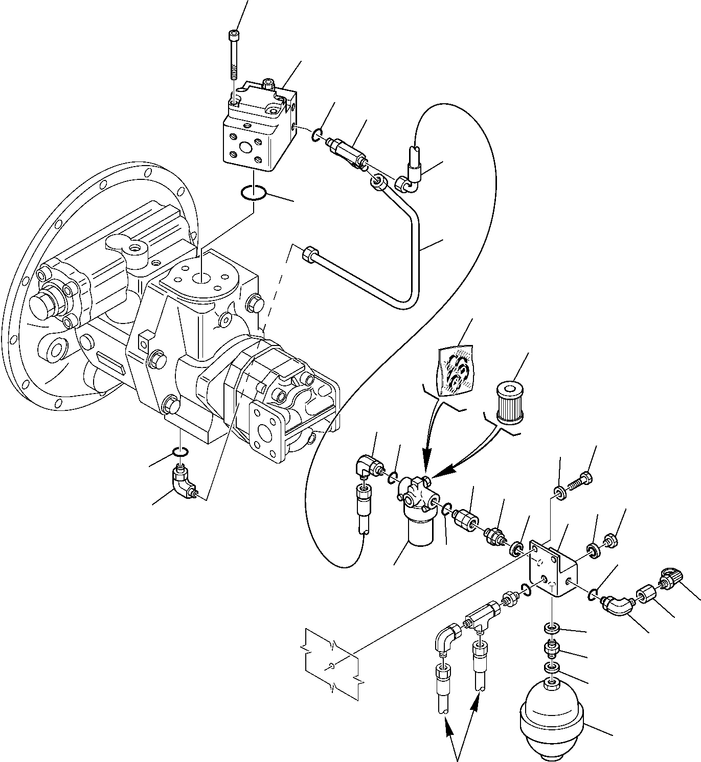
? (702-21-09192) SERVOCONTROL FEED UNIT, ASSY. 1
SN: 21D0220079-
? 01253-41020 SCREW 4
SN: 21D0220079-
? 21D-09-69620 O-RING 1
SN: 21D0220079-
? 22E-09-11910 TEE 1
SN: 21D0220079-
? 21D-09-69960 • O-RING 1
SN: 21D0220079-
? 226-62-11360 PIPE 1
SN: 21D0220079-
? 22E-09-11610 ELBOW 1
SN: 21D0220079-
? 21D-09-69960 • O-RING 1
SN: 21D0220079-
? 21D-09-97580 HOSE 1
SN: 21D0220079-
? 21D-09-51640 ELBOW 1
SN: 21D0220079-
? 21D-09-69970 • O-RING 1
SN: 21D0220079-
? 21D-60-11170 FILTER, ASSY. 1
SN: 21D0220079-
? 21D-60-11220 • CARTRIDGE 1
SN: 21D0220079-
? 21D-60-11250 • KIT, GASKET 1
SN: 21D0220079-
? 22E-62-12230 UNION 1
SN: 21D0220079-
? 21D-09-69970 • O-RING 1
SN: 21D0220079-
? 22E-62-12220 VALVE 1
SN: 21D0220079-
? 21D-09-86280 GASKET 2
SN: 21D0220079-
? 22E-62-12210 BLOCK 1
SN: 21D0220079-
? 01010-50820 BOLT 2
SN: 21D0220079-
? 01643-30823 SPRING WASHER 2
SN: 21D0220079-
? 21D-09-59130 REDUCTION 1
SN: 21D0220079-
? 21D-09-54900 PRESSURE TAKE-UP 1
SN: 21D0220079-
? 21D-09-54730 PLUG 1
SN: 21D0220079-
? 21D-09-73190 GASKET 1
SN: 21D0220079-
? 21D-09-61560 UNION 1
SN: 21D0220079-
? 21D-09-73200 GASKET 1
SN: 21D0220079-
? 22E-60-18310 ACCUMULATOR 1
SN: 21D0220079-
? 21D-09-51620 ELBOW 1
SN: 21D0220079-
? 21D-09-69960 • O-RING 1
SN: 21D0220079-
? SEE FIG. 6555 6555

Excavators Komatsu / PW95R-2 S/N 21D0220079-Up(pw95r_2d) / HYDRAULIC PIPING (PPC PIPING) (1/3)(G-0340 : 6550)
?
?
?
?
?
?
?
?
?
?
?
?
?
?
?
?
?
?
?
?
?
?
?
?
?
?
?
?
?
?
?
?