| Номер на схеме | Каталожный номер | Название | Количество | Детали | |||
|---|---|---|---|---|---|---|---|
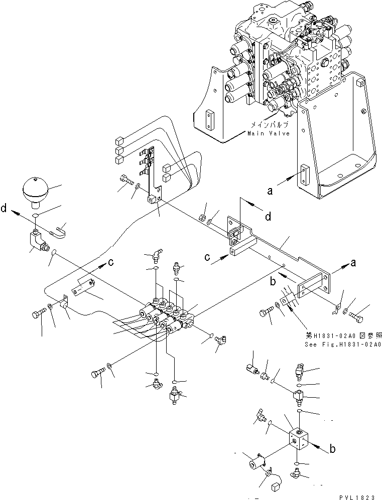
| ? | 21M-62-16331 | BRACKET | 1 | SN: 10001-10999 |
|||
| ? | 01010-81230 | BOLT | 4 | SN: 10001-@ |
|||
| ? | 01643-31232 | WASHER | 4 | SN: 10001-@ |
|||
| ? | 21M-62-16381 | BRACKET | 1 | SN: 10001-10999 |
|||
| ? | 01010-81230 | BOLT | 2 | SN: 10001-10999 |
|||
| ? | 01643-31232 | WASHER | 2 | SN: 10001-10999 |
|||
| ? | 21M-60-11500 | SOLENOID ASS'Y | 1 | SN: 10001-10999 |
|||
| ? | ☆ | • BLOCK | 2 | SN: 10001-10999 |
|||
| ? | 206-60-51131 | • SOLENOID VALVE | 2 | SN: 10001-10999 |
|||
| ? | 01010-80825 | BOLT | 2 | SN: 10001-@ |
|||
| ? | 01643-30823 | WASHER | 2 | SN: 10001-@ |
|||
| ? | 08053-01510 | CLIP | 1 | SN: 10001-10999 |
|||
| ? | 08034-00519 | BAND | 1 | SN: 10001-@ |
|||
| ? | 07235-10311 | ELBOW | 2 | SN: 10001-@ |
|||
| ? | 07002-11423 | O-RING | 2 | SN: 10001-@ |
|||
| ? | 21T-62-29960 | TEE | 1 | SN: 10001-@ |
|||
| ? | 07002-11423 | O-RING | 1 | SN: 10001-@ |
|||
| ? | 207-62-61680 | TEE | 1 | SN: 10001-@ |
|||
| ? | 07002-11423 | O-RING | 1 | SN: 10001-@ |
|||
| ? | 421-35-11671 | ADAPTER | 1 | SN: 10001-@ |
|||
| ? | 07002-11423 | O-RING | 1 | SN: 10001-@ |
|||
| ? | 206-06-61130 | SWITCH | 1 | SN: 10001-@ |
|||
| ? | 206-60-51101 | VALVE ASS'Y | 1 | SN: 10001-10999 |
|||
| ? | 206-60-51131 | • SOLENOID VALVE | 5 | SN: 10001-10999 |
|||
| ? | ☆ | • BLOCK | 1 | SN: 10001-@ |
|||
| ? | 01010-81095 | BOLT | 2 | SN: 10001-@ |
|||
| ? | 01643-31032 | WASHER | 2 | SN: 10001-@ |
|||
| ? | 207-977-5120 | BRACKET | 1 | SN: 10001-@ |
|||
| ? | 04434-51512 | CLIP | 1 | SN: 10001-@ |
|||
| ? | 01010-81225 | BOLT | 1 | SN: 10001-@ |
|||
| ? | 01643-31232 | WASHER | 1 | SN: 10001-@ |
|||
| ? | 205-62-55270 | NIPPLE | 3 | SN: 10001-10999 |
|||
| ? | 07002-11423 | O-RING | 3 | SN: 10001-10999 |
|||
| ? | 07235-10311 | ELBOW | 2 | SN: 10001-@ |
|||
| ? | 07002-11423 | O-RING | 2 | SN: 10001-@ |
|||
| ? | 07235-10315 | ELBOW | 1 | SN: 10001-@ |
|||
| ? | 07002-12034 | O-RING | 1 | SN: 10001-@ |
|||
| ? | 20Y-62-22330 | ELBOW | 1 | SN: 10001-@ |
|||
| ? | 07002-12034 | O-RING | 1 | SN: 10001-@ |
|||
| ? | 209-62-57210 | TEE | 1 | SN: 10001-@ |
|||
| ? | 07002-12034 | O-RING | 1 | SN: 10001-@ |
|||
| ? | 20Y-60-11430 | ACCUMULATOR | 1 | SN: 10001-@ |
|||
| ? | 203-62-65281 | ELBOW | 1 | SN: 10001-@ |
|||
| ? | 07002-12034 | O-RING | 2 | SN: 10001-@ |
|||
| ? | 07283-33450 | CLIP | 1 | SN: 10001-@ |
|||
| ? | 01597-01009 | NUT | 2 | SN: 10001-@ |
|||
| ? | 01643-31032 | WASHER | 2 | SN: 10001-@ |