k-part
Номер на схеме Каталожный номер Название Количество Детали
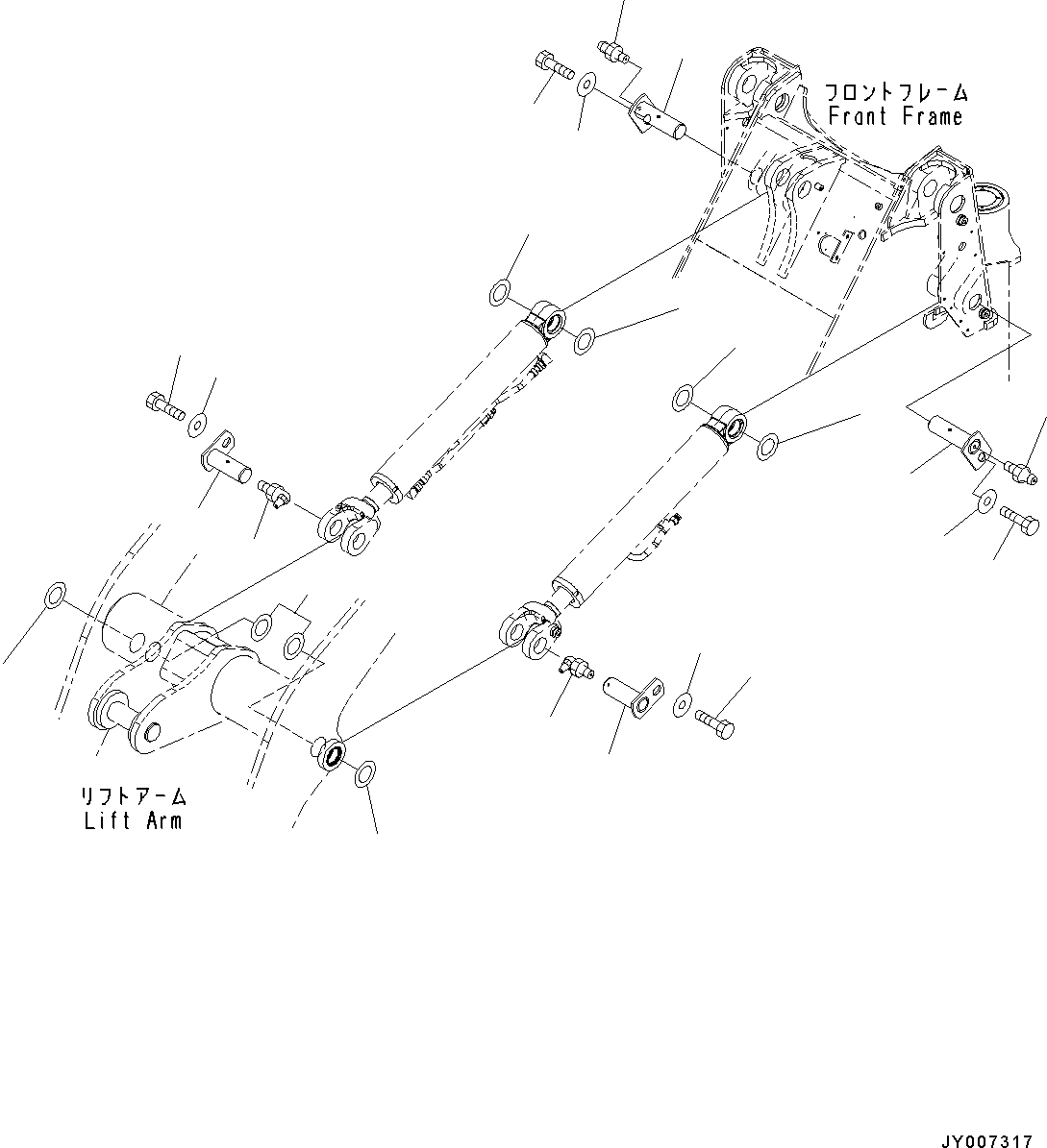
? 417-63-32220 Pin 2
SN: C10001-
KIT-FLAG: _-
SCC:
SERIALNO: C10001-
? 07020-00900 Fitting, Grease 2
SN: C10001-
KIT-FLAG: _-
SCC:
SERIALNO: C10001-
? 417-63-32230 Pin 2
SN: C10001-
KIT-FLAG: _-
SCC:
SERIALNO: C10001-
? 01010-81625 Bolt 4
SN: C10001-
KIT-FLAG: _-
SCC:
SERIALNO: C10001-
? 421-70-11280 Washer 4
SN: C10001-
KIT-FLAG: _-
SCC:
SERIALNO: C10001-
? 417-70-11340 Shim, T=1.5mm 8
SN: C10001-
KIT-FLAG: _-
SCC:
SERIALNO: C10001-
? 07020-00000 Fitting, Grease 2
SN: C10001-
KIT-FLAG: _-
SCC:
SERIALNO: C10001-

Wheel Loaders Komatsu / WA200-6 S/N C10001-UP(0000250B) / Boom Lift Cylinder Mounts (#C10001-)(T002003 : T4140-001003)
?
?
?
?
?
?
?
?
?
?
?
?
?
?
?
?
?
?
?
?
?
?
?