| Номер на схеме | Каталожный номер | Название | Количество | Детали | |||
|---|---|---|---|---|---|---|---|
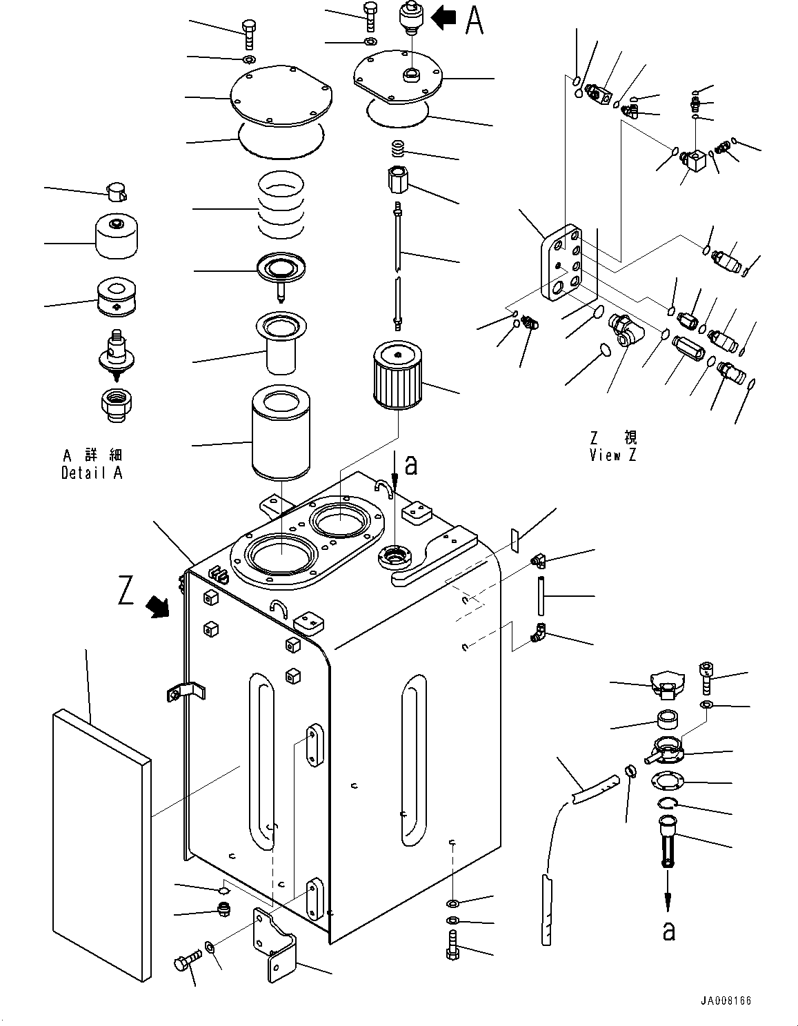
| ? | 207-60-41170 | Tank | 1 | SN: K60001- KIT-FLAG: _- SCC: SERIALNO: K60001- |
|||
| ? | 203-60-31100 | Elbow Assembly | 2 | SN: K60001- KIT-FLAG: _- SCC: SERIALNO: K60001- |
|||
| ? | 203-60-31160 | Tube | 1 | SN: K60001- KIT-FLAG: _- SCC: SERIALNO: K60001- |
|||
| ? | 07044-12412 | Plug | 1 | SN: K60001- KIT-FLAG: _- SCC: SERIALNO: K60001- |
|||
| ? | 07002-12434 | O-Ring | 1 | SN: K60001- KIT-FLAG: _- SCC: SERIALNO: K60001- |
|||
| ? | 11T-61-11280 | Nipple | 1 | SN: K60001- KIT-FLAG: _- SCC: SERIALNO: K60001- |
|||
| ? | 07002-12034 | O-Ring | 1 | SN: K60001- KIT-FLAG: _- SCC: SERIALNO: K60001- |
|||
| ? | 20U-62-41680 | Elbow | 1 | SN: K60001- KIT-FLAG: _- SCC: SERIALNO: K60001- |
|||
| ? | 07002-12034 | O-Ring | 1 | SN: K60001- KIT-FLAG: _- SCC: SERIALNO: K60001- |
|||
| ? | 02896-11015 | O-Ring | 1 | SN: K60001- KIT-FLAG: _- SCC: SERIALNO: K60001- |
|||
| ? | 20T-62-81790 | Joint | 1 | SN: K60001- KIT-FLAG: _- SCC: SERIALNO: K60001- |
|||
| ? | 07002-12434 | O-Ring | 1 | SN: K60001- KIT-FLAG: _- SCC: SERIALNO: K60001- |
|||
| ? | 02783-10628 | Elbow | 1 | SN: K60001- KIT-FLAG: _- SCC: SERIALNO: K60001- |
|||
| ? | 07002-12434 | O-Ring | 1 | SN: K60001- KIT-FLAG: _- SCC: SERIALNO: K60001- |
|||
| ? | 02896-11018 | O-Ring | 1 | SN: K60001- KIT-FLAG: _- SCC: SERIALNO: K60001- |
|||
| ? | 569-88-88150 | Elbow | 1 | SN: K60001- KIT-FLAG: _- SCC: SERIALNO: K60001- |
|||
| ? | 07002-12034 | O-Ring | 1 | SN: K60001- KIT-FLAG: _- SCC: SERIALNO: K60001- |
|||
| ? | 02896-11012 | O-Ring | 1 | SN: K60001- KIT-FLAG: _- SCC: SERIALNO: K60001- |
|||
| ? | 02782-10311 | Elbow | 1 | SN: K60001- KIT-FLAG: _- SCC: SERIALNO: K60001- |
|||
| ? | 07002-11423 | O-Ring | 1 | SN: K60001- KIT-FLAG: _- SCC: SERIALNO: K60001- |
|||
| ? | 02896-11009 | O-Ring | 1 | SN: K60001- KIT-FLAG: _- SCC: SERIALNO: K60001- |
|||
| ? | 02782-10311 | Elbow | 1 | SN: K60001- KIT-FLAG: _- SCC: SERIALNO: K60001- |
|||
| ? | 07002-11423 | O-Ring | 1 | SN: K60001- KIT-FLAG: _- SCC: SERIALNO: K60001- |
|||
| ? | 02896-11009 | O-Ring | 1 | SN: K60001- KIT-FLAG: _- SCC: SERIALNO: K60001- |
|||
| ? | 21W-62-42640 | Elbow | 1 | SN: K60001- KIT-FLAG: _- SCC: SERIALNO: K60001- |
|||
| ? | 07002-13334 | O-Ring | 1 | SN: K60001- KIT-FLAG: _- SCC: SERIALNO: K60001- |
|||
| ? | 207-62-64740 | O-Ring | 1 | SN: K60001- KIT-FLAG: _- SCC: SERIALNO: K60001- |
|||
| ? | 20U-62-41680 | Elbow | 1 | SN: K60001- KIT-FLAG: _- SCC: SERIALNO: K60001- |
|||
| ? | 07002-12034 | O-Ring | 1 | SN: K60001- KIT-FLAG: _- SCC: SERIALNO: K60001- |
|||
| ? | 02896-11015 | O-Ring | 1 | SN: K60001- KIT-FLAG: _- SCC: SERIALNO: K60001- |
|||
| ? | 207-62-53820 | Tee | 1 | SN: K60001- KIT-FLAG: _- SCC: SERIALNO: K60001- |
|||
| ? | 07002-12034 | O-Ring | 1 | SN: K60001- KIT-FLAG: _- SCC: SERIALNO: K60001- |
|||
| ? | 02781-0031D | Union | 1 | SN: K60001- KIT-FLAG: _- SCC: SERIALNO: K60001- |
|||
| ? | 07002-11423 | O-Ring | 1 | SN: K60001- KIT-FLAG: _- SCC: SERIALNO: K60001- |
|||
| ? | 02896-11009 | O-Ring | 1 | SN: K60001- KIT-FLAG: _- SCC: SERIALNO: K60001- |
|||
| ? | 11Y-62-12130 | Nipple | 1 | SN: K60001- KIT-FLAG: _- SCC: SERIALNO: K60001- |
|||
| ? | 07002-11423 | O-Ring | 1 | SN: K60001- KIT-FLAG: _- SCC: SERIALNO: K60001- |
|||
| ? | 02896-11008 | O-Ring | 1 | SN: K60001- KIT-FLAG: _- SCC: SERIALNO: K60001- |
|||
| ? | 207-60-71182 | Element | 1 | SN: K60001- KIT-FLAG: _- SCC: SERIALNO: K60001- |
|||
| ? | 20Y-60-31140 | Strainer | 1 | SN: K60001- KIT-FLAG: _- SCC: SERIALNO: K60001- |
|||
| ? | 20Y-60-31131 | Valve Assembly | 1 | SN: K60001- KIT-FLAG: _- SCC: SERIALNO: K60001- |
|||
| ? | 20Y-60-21240 | Spring | 1 | SN: K60001- KIT-FLAG: _- SCC: SERIALNO: K60001- |
|||
| ? | 2A5-60-11150 | Cover | 1 | SN: K60001- KIT-FLAG: _- SCC: SERIALNO: K60001- |
|||
| ? | 07000-15195 | O-Ring | 1 | SN: K60001- KIT-FLAG: _- SCC: SERIALNO: K60001- |
|||
| ? | 01010-81230 | Bolt | 6 | SN: K60001- KIT-FLAG: _- SCC: SERIALNO: K60001- |
|||
| ? | 01643-31232 | Washer | 6 | SN: K60001- KIT-FLAG: _- SCC: SERIALNO: K60001- |
|||
| ? | 207-60-41120 | Strainer Assembly | 1 | SN: K60001- KIT-FLAG: _- SCC: SERIALNO: K60001- |
|||
| ? | 208-60-41131 | • Rod Assembly | 1 | SN: K60001- KIT-FLAG: _- SCC: SERIALNO: K60001- |
|||
| ? | 12R-60-11230 | • • Spring | 1 | SN: K60001- KIT-FLAG: _- SCC: SERIALNO: K60001- |
|||
| ? | 20Y-60-21320 | • • Holder | 1 | SN: K60001- KIT-FLAG: _- SCC: SERIALNO: K60001- |
|||
| ? | 22B-60-11160 | • Strainer | 1 | SN: K60001- KIT-FLAG: _- SCC: SERIALNO: K60001- |
|||
| ? | 207-60-41131 | Cover | 1 | SN: K60001- KIT-FLAG: _- SCC: SERIALNO: K60001- |
|||
| ? | 07000-15160 | O-Ring | 1 | SN: K60001- KIT-FLAG: _- SCC: SERIALNO: K60001- |
|||
| ? | 01010-81230 | Bolt | 6 | SN: K60001- KIT-FLAG: _- SCC: SERIALNO: K60001- |
|||
| ? | 01643-31232 | Washer | 6 | SN: K60001- KIT-FLAG: _- SCC: SERIALNO: K60001- |
|||
| ? | 198-60-55510 | Breather | 1 | SN: K60001- KIT-FLAG: _- SCC: SERIALNO: K60001- |
|||
| ? | 421-60-35170 | • Element | 1 | SN: K60001- KIT-FLAG: _- SCC: SERIALNO: K60001- |
|||
| ? | 421-60-35180 | • Cover | 1 | SN: K60001- KIT-FLAG: _- SCC: SERIALNO: K60001- |
|||
| ? | 421-60-35190 | • Nut | 1 | SN: K60001- KIT-FLAG: _- SCC: SERIALNO: K60001- |
|||
| ? | 22U-60-31120 | Cap Assembly | 1 | SN: K60001- KIT-FLAG: _- SCC: SERIALNO: K60001- |
|||
| ? | 20Y-60-21470 | • Element | 1 | SN: K60001- KIT-FLAG: _- SCC: SERIALNO: K60001- |
|||
| ? | 208-60-71181 | Filler Neck | 1 | SN: K60001- KIT-FLAG: _- SCC: SERIALNO: K60001- |
|||
| ? | 20Y-60-21340 | Gasket | 1 | SN: K60001- KIT-FLAG: _- SCC: SERIALNO: K60001- |
|||
| ? | 01252-70516 | Bolt | 6 | SN: K60001- KIT-FLAG: _- SCC: SERIALNO: K60001- |
|||
| ? | 01601-20513 | Washer | 6 | SN: K60001- KIT-FLAG: _- SCC: SERIALNO: K60001- |
|||
| ? | 07285-00220 | Clip | 1 | SN: K60001- KIT-FLAG: _- SCC: SERIALNO: K60001- |
|||
| ? | 207-60-41210 | Hose | 1 | SN: K60001- KIT-FLAG: _- SCC: SERIALNO: K60001- |
|||
| ? | 07056-10045 | Strainer | 1 | SN: K60001- KIT-FLAG: _- SCC: SERIALNO: K60001- |
|||
| ? | 04065-04718 | Ring, Snap | 1 | SN: K60001- KIT-FLAG: _- SCC: SERIALNO: K60001- |
|||
| ? | 207-60-41151 | Sheet | 1 | SN: K60001- KIT-FLAG: _- SCC: SERIALNO: K60001- |
|||
| ? | 205-00-73360 | Plate, Operating | 1 | SN: K60001- KIT-FLAG: _- SCC: SERIALNO: K60001- |
|||
| ? | 01010-81640 | Bolt | 6 | SN: K60001- KIT-FLAG: _- SCC: SERIALNO: K60001- |
|||
| ? | 418-18-31160 | Washer | 6 | SN: K60001- KIT-FLAG: _- SCC: SERIALNO: K60001- |
|||
| ? | 195-03-11570 | Shim, T=1.0mm | 2 | SN: K60001- KIT-FLAG: _- SCC: SERIALNO: K60001- |
|||
| ? | 207-54-42690 | Bracket | 2 | SN: K60001- KIT-FLAG: _- SCC: SERIALNO: K60001- |
|||
| ? | 01010-81230 | Bolt | 4 | SN: K60001- KIT-FLAG: _- SCC: SERIALNO: K60001- |
|||
| ? | 01643-31232 | Washer | 4 | SN: K60001- KIT-FLAG: _- SCC: SERIALNO: K60001- |