| Номер на схеме | Каталожный номер | Название | Количество | Детали | |||
|---|---|---|---|---|---|---|---|
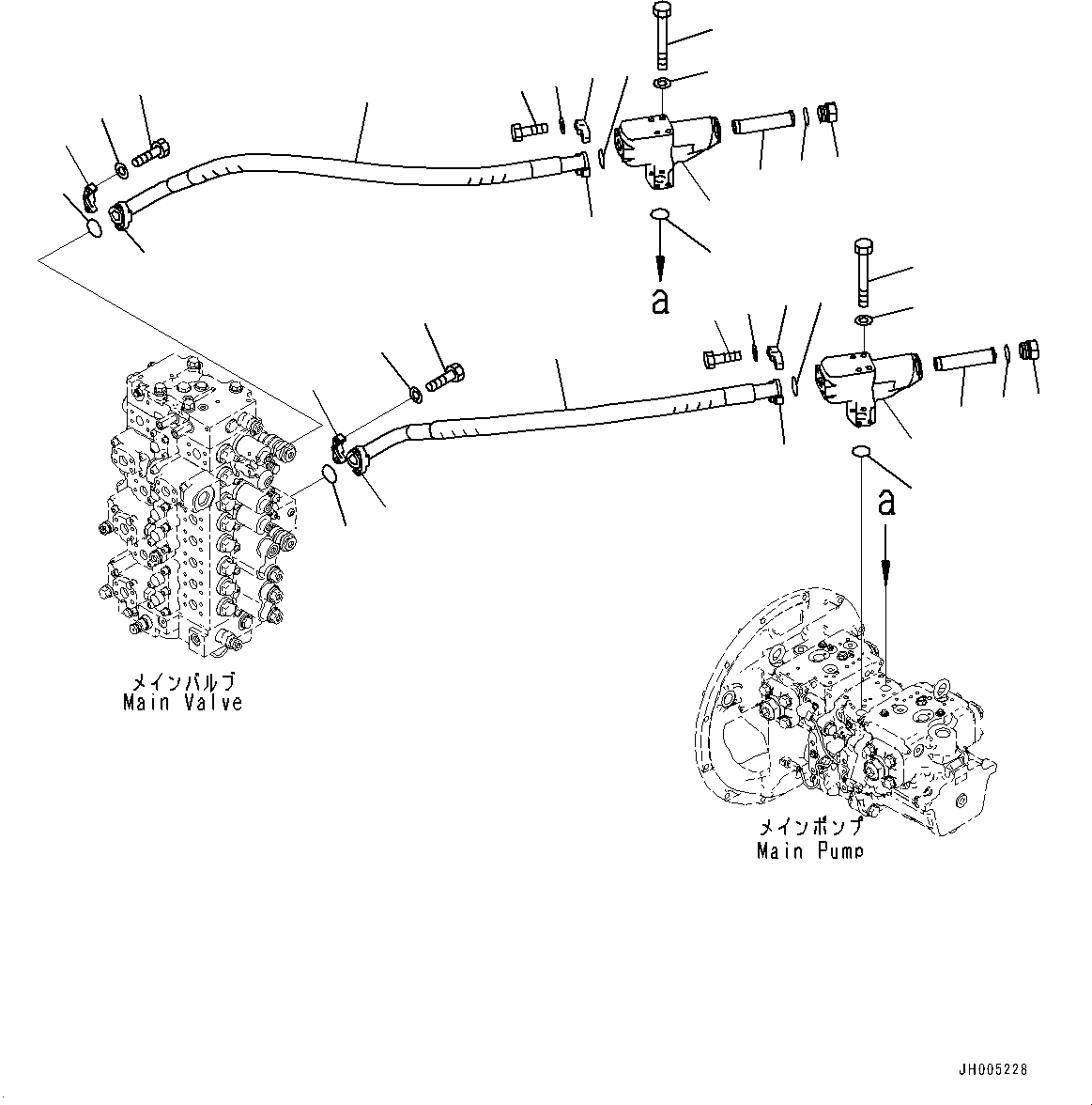
| ? | 208-62-71101 | Filter Assembly | 2 | SN: K60001- KIT-FLAG: _- SCC: SERIALNO: K60001- |
|||
| ? | 208-62-71810 | • Case | 1 | SN: K60001- KIT-FLAG: _- SCC: SERIALNO: K60001- |
|||
| ? | 20Y-60-22372 | • Plug | 1 | SN: K60001- KIT-FLAG: _- SCC: SERIALNO: K60001- |
|||
| ? | 207-60-61250 | • Strainer | 1 | SN: K60001- KIT-FLAG: _- SCC: SERIALNO: K60001- |
|||
| ? | 07002-13634 | • O-Ring | 1 | SN: K60001- KIT-FLAG: _- SCC: SERIALNO: K60001- |
|||
| ? | 07000-13035 | O-Ring | 1 | SN: K60001- KIT-FLAG: _- SCC: SERIALNO: K60001- |
|||
| ? | 01011-81070 | Bolt | 4 | SN: K60001- KIT-FLAG: _- SCC: SERIALNO: K60001- |
|||
| ? | 01643-31032 | Washer | 4 | SN: K60001- KIT-FLAG: _- SCC: SERIALNO: K60001- |
|||
| ? | 07000-13035 | O-Ring | 1 | SN: K60001- KIT-FLAG: _- SCC: SERIALNO: K60001- |
|||
| ? | 01011-81070 | Bolt | 4 | SN: K60001- KIT-FLAG: _- SCC: SERIALNO: K60001- |
|||
| ? | 01643-31032 | Washer | 4 | SN: K60001- KIT-FLAG: _- SCC: SERIALNO: K60001- |
|||
| ? | 07371-31049 | Flange, Split | 4 | SN: K60001- KIT-FLAG: _- SCC: SERIALNO: K60001- |
|||
| ? | 07372-21035 | Bolt | 8 | SN: K60001- KIT-FLAG: _- SCC: SERIALNO: K60001- |
|||
| ? | 01643-51032 | Washer | 8 | SN: K60001- KIT-FLAG: _- SCC: SERIALNO: K60001- |
|||
| ? | 207-62-41580 | Hose | 1 | SN: K60001- KIT-FLAG: _- SCC: SERIALNO: K60001- |
|||
| ? | 07000-13032 | O-Ring | 2 | SN: K60001- KIT-FLAG: _- SCC: SERIALNO: K60001- |
|||
| ? | 207-62-42960 | Hose | 1 | SN: K60074- KIT-FLAG: _- SCC: SERIALNO: K60074- |
|||
| ? | 207-62-71380 | Hose | 1 | SN: K60001-K60073 KIT-FLAG: _- SCC: SERIALNO: K60001-K60073 |
|||
| ? | 07000-13032 | O-Ring | 2 | SN: K60001- KIT-FLAG: _- SCC: SERIALNO: K60001- |
|||
| ? | 07371-31049 | Flange, Split | 4 | SN: K60001- KIT-FLAG: _- SCC: SERIALNO: K60001- |
|||
| ? | 07372-21035 | Bolt | 8 | SN: K60001- KIT-FLAG: _- SCC: SERIALNO: K60001- |
|||
| ? | 01643-51032 | Washer | 8 | SN: K60001- KIT-FLAG: _- SCC: SERIALNO: K60001- |