k-part
Номер на схеме Каталожный номер Название Количество Детали
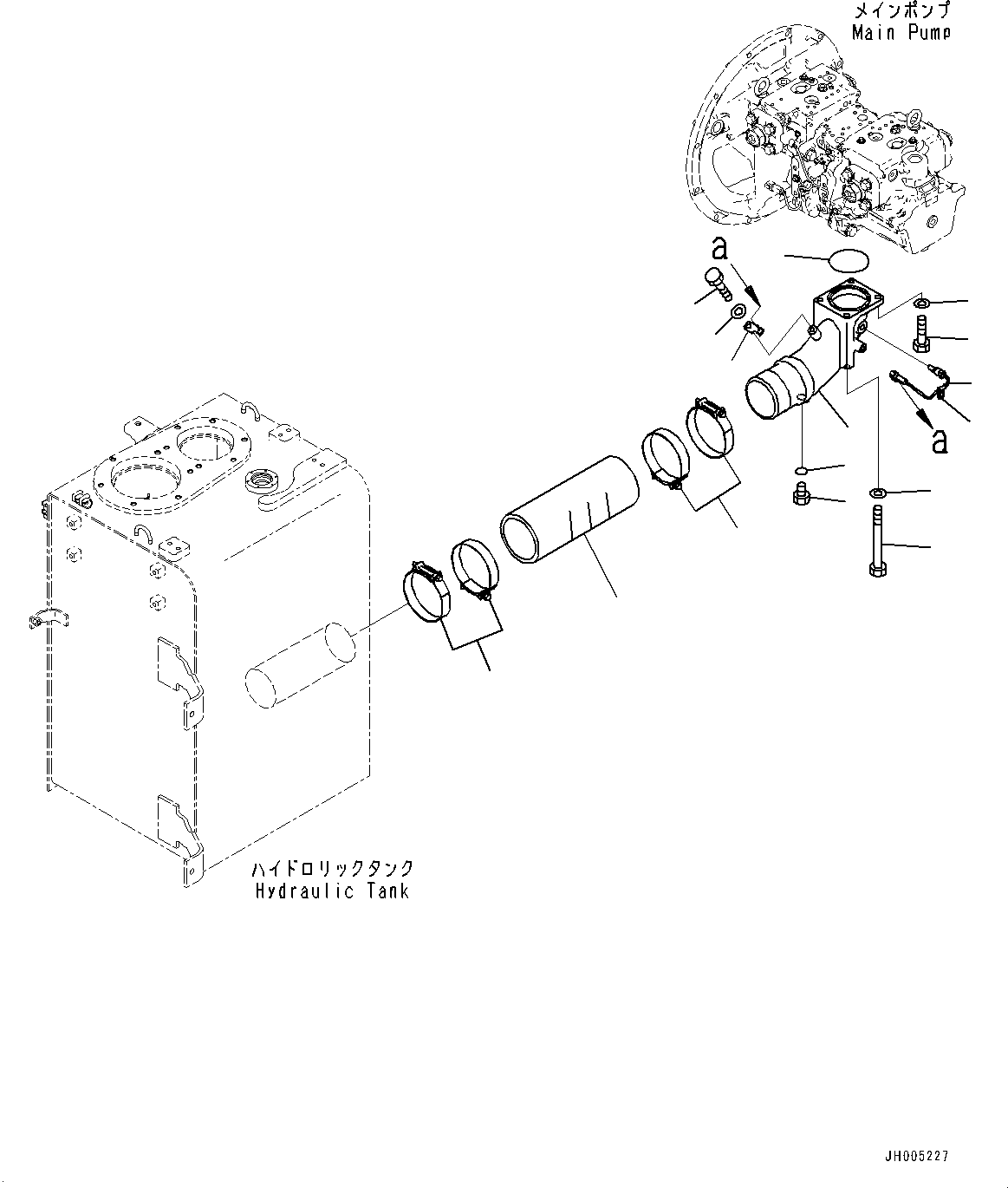
? 207-62-42112 Tube 1
SN: K60074-
KIT-FLAG: _-
SCC:
SERIALNO: K60074-
? 207-62-42111 Tube 1
SN: K60001-K60073
KIT-FLAG: _-
SCC:
SERIALNO: K60001-K60073
? 07000-12105 O-Ring 1
SN: K60001-
KIT-FLAG: _-
SCC:
SERIALNO: K60001-
? 7861-93-3320 Sensor, Temperature 1
SN: K60001-
KIT-FLAG: _-
SCC:
SERIALNO: K60001-
? 08193-20012 Clip 1
SN: K60001-
KIT-FLAG: _-
SCC:
SERIALNO: K60001-
? 01010-81225 Bolt 1
SN: K60001-
KIT-FLAG: _-
SCC:
SERIALNO: K60001-
? 01643-31232 Washer 1
SN: K60001-
KIT-FLAG: _-
SCC:
SERIALNO: K60001-
? 07040-12414 Plug 1
SN: K60001-
KIT-FLAG: _-
SCC:
SERIALNO: K60001-
? 07002-12434 O-Ring 1
SN: K60001-
KIT-FLAG: _-
SCC:
SERIALNO: K60001-
? 362-43-18780 Clip 1
SN: K60001-
KIT-FLAG: _-
SCC:
SERIALNO: K60001-
? 208-62-41110 Hose 1
SN: K60001-
KIT-FLAG: _-
SCC:
SERIALNO: K60001-
? 209-62-41341 Clamp 4
SN: K60001-
KIT-FLAG: _-
SCC:
SERIALNO: K60001-
? 01011-81280 Bolt 2
SN: K60001-
KIT-FLAG: _-
SCC:
SERIALNO: K60001-
? 01643-31232 Washer 2
SN: K60001-
KIT-FLAG: _-
SCC:
SERIALNO: K60001-
? 01010-81255 Bolt 2
SN: K60074-
KIT-FLAG: _-
SCC:
SERIALNO: K60074-
? 01010-81240 Bolt 2
SN: K60001-K60073
KIT-FLAG: _-
SCC:
SERIALNO: K60001-K60073
? 01643-31232 Washer 2
SN: K60001-
KIT-FLAG: _-
SCC:
SERIALNO: K60001-

Excavators Komatsu / PC360LC-10 S/N K60001-UP(PC360L2U) / Suction Piping(H008001 : H0311-001001)
?
?
?
?
?
?
?
?
?
?
?
?
?
?
?
?