k-part
Наименование Страница Код страницы
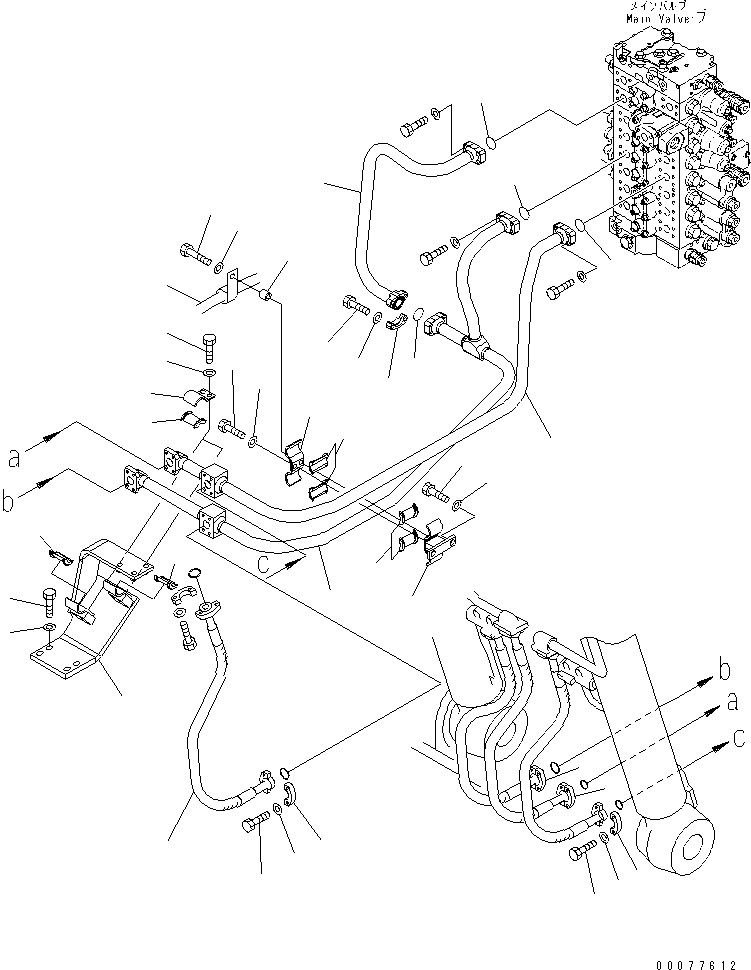
MAIN VALVE (CONNECTING PARTS) (2/2) (1 ACTUATOR) 006006 H0120-02A0
DRAIN LINE 006020 H0340-01A0

Номер на схеме Каталожный номер Название Количество Детали
? 208-62-71271 TUBE 1
SN: K50001-
? 07000-13035 O-RING 1
SN: K50001-
? 07371-31049 FLANGE 4
SN: K50001-
? 07372-21035 BOLT 8
SN: K50001-
? 01643-51032 WASHER 8
SN: K50001-
? 208-62-72910 TUBE 1
SN: K50001-
? 07000-13035 O-RING 1
SN: K50001-
? 07371-31049 FLANGE 6
SN: K50001-
? 07372-21035 BOLT 12
SN: K50001-
? 01643-51032 WASHER 12
SN: K50001-
? 208-62-72490 TUBE 1
SN: K50001-
? 07000-13032 O-RING 1
SN: K50001-
? 07000-13035 O-RING 1
SN: K50001-
? 208-62-72791 BRACKET 1
SN: K50001-
? 205-62-73430 • SEAT 2
SN: K50001-
? 01010-81235 BOLT 4
SN: K50001-
? 01643-31232 WASHER 4
SN: K50001-
? 207-62-52430 CLAMP 2
SN: K50001-
? 205-62-73430 • SEAT 1
SN: K50001-
? 01010-81230 BOLT 4
SN: K50001-
? 01643-31232 WASHER 4
SN: K50001-
? 207-62-71330 BRACKET 1
SN: K50001-
? 205-62-73430 • SEAT 2
SN: K50001-
? 01010-81230 BOLT 2
SN: K50001-
? 01643-31232 WASHER 2
SN: K50001-
? 207-62-54770 CLAMP 2
SN: K50001-
? 205-62-73430 • SEAT 2
SN: K50001-
? 01010-81230 BOLT 1
SN: K50001-
? 01643-31232 WASHER 1
SN: K50001-
? 01010-81270 BOLT 1
SN: K50001-
? 01643-31232 WASHER 1
SN: K50001-
? 20Y-03-11220 COLLAR 1
SN: K50001-
? (208-62-71470) HOSE 1700MM 1
SN: K50001-
H0340-01A0
? (207-62-52610) HOSE 1
SN: K50001-
H0120-02A0

Excavators Komatsu / PC450-8 S/N K50001-UP(pc450-3u) / BOOM LINE (1/2) (FOR BURST VALVE)(006021 : H1210-01A0)
?
?
?
?
?
?
?
?
?
?
?
?
?
?
?
?
?
?
?
?
?
?
?
?
?
?
?
?
?
?
?
?
?
?
?
?
?
?
?
?