k-part
Номер на схеме Каталожный номер Название Количество Детали
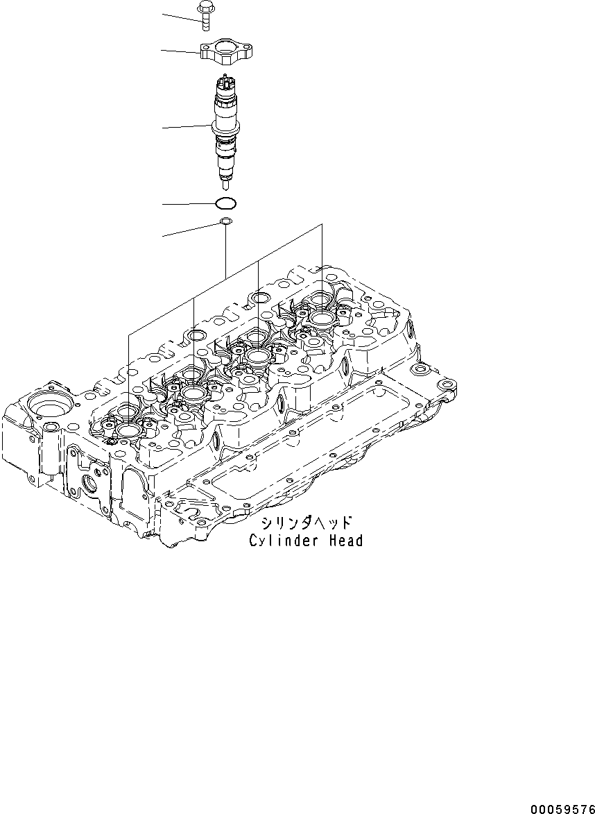
? 6754-11-3011 Injector Assembly 4
SN: 26537379-
KIT-FLAG: _-
SCC:
SERIALNO: 26537379-
? • Clamp 1
SN: 26537379-
KIT-FLAG: _-
SCC: C1
SERIALNO: 26537379-
? • Injector 1
SN: 26537379-
KIT-FLAG: _-
SCC: C1
SERIALNO: 26537379-
? 6754-11-3130 • • Gasket 1
SN: 26537379-
KIT-FLAG: S-
SCC:
SERIALNO: 26537379-
? 6754-11-3140 • • O-ring 1
SN: 26537379-
KIT-FLAG: S-
SCC:
SERIALNO: 26537379-
? 6742-01-2630 Bolt 8
SN: 26537379-
KIT-FLAG: _-
SCC:
SERIALNO: 26537379-

Engines Komatsu / SAA4D107E-1B S/N 26537379-UP (For WA200-6)(0000251B) / Fuel Injector (#26537379-)(D003001 : A4219-001001)
?
?
?
?
?