k-part
Номер на схеме Каталожный номер Название Количество Детали
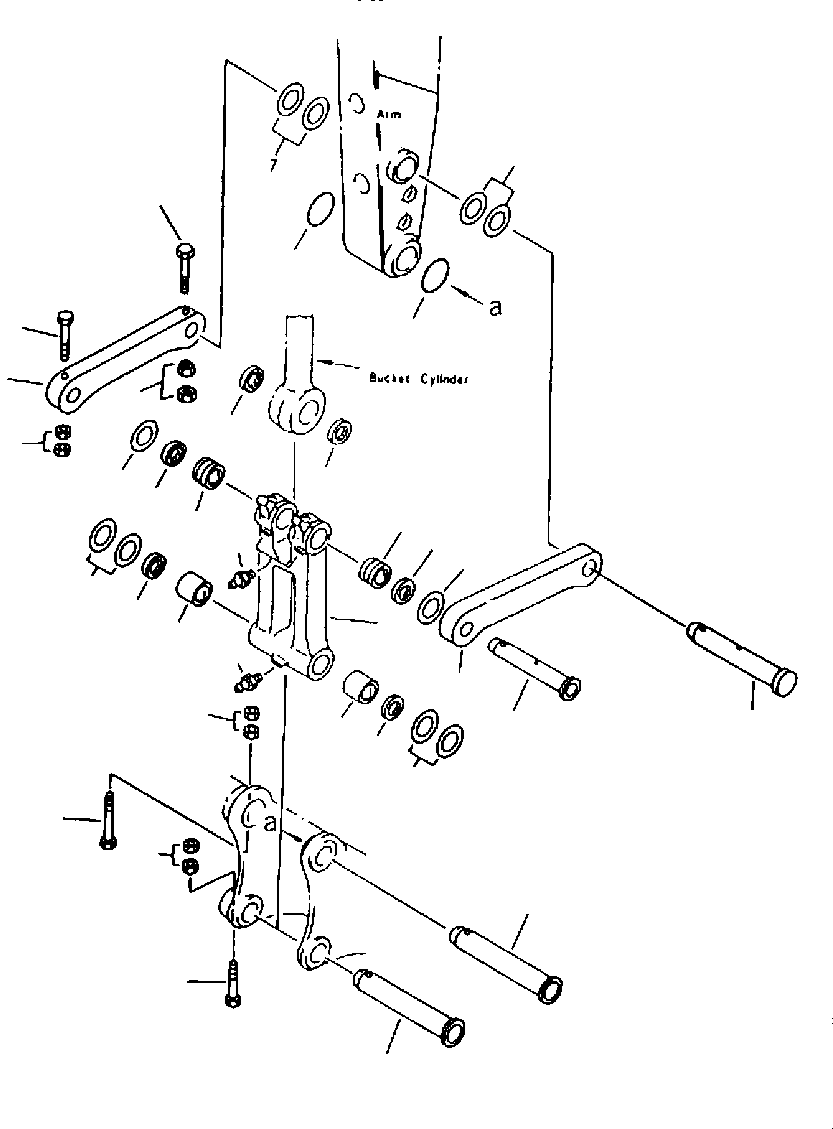
? 20Y-973-1310 LINK 1
SN: K45019-
? 206-70-53150 BUSHING 2
SN: K45019-
? 205-70-67150 BUSHING 2
SN: K45019-
? 07020-00000 FITTING 3
SN: K45019-
? 20Y-70-23230 SEAL 6
SN: K45019-
? 205-70-51530 SPACER 6
SN: K45019-
? 20Y-70-11340 SPACER 4
SN: K45019-
? KV-B230-1240 LINK 1
SN: K45019-
? 206-70-53141 PIN 2
SN: K45019-
? 205-70-73190 BOLT 3
SN: K45019-
? 01580-12016 NUT 8
SN: K45019-
? 205-70-73280 O-RING 2
SN: K45019-
? 207-70-81270 PIN 2
SN: K45019-
? 362-46-11210 BOLT 1
SN: K45019-
? KV-B230-1250 LINK 1
SN: K45019-

Excavators Komatsu / PC340LCD-7K-E0 HIGH REACH DEMOLITION S/N K45019-UP(pc340hr3) / HIGH REACH ARM LINK PINS AND BUSHINGS(360145 : T1230-01A0)
?
?
?
?
?
?
?
?
?
?
?
?
?
?
?
?
?
?
?
?
?
?
?
?
?
?
?
?
?
?
?
?
?
?