| Номер на схеме | Каталожный номер | Название | Количество | Детали | |||
|---|---|---|---|---|---|---|---|
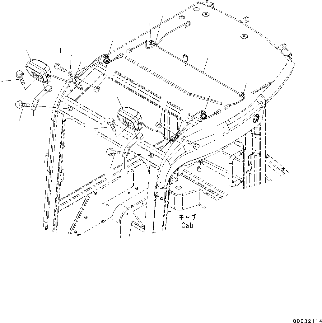
| ? | 22M-54-25931 | Plate | 2 | SN: 15001- KIT-FLAG: _- SCC: SERIALNO: 15001- |
|||
| ? | 01435-41020 | Bolt | 2 | SN: 15001- KIT-FLAG: _- SCC: SERIALNO: 15001- |
|||
| ? | 22M-06-25921 | Lamp Assembly | 2 | SN: 15001- KIT-FLAG: _- SCC: SERIALNO: 15001- |
|||
| ? | BNBY-2309410-2 | • Lens | 1 | SN: 15001- KIT-FLAG: _- SCC: SERIALNO: 15001- |
|||
| ? | BNBY-2263810-2 | • Gasket | 1 | SN: 15001- KIT-FLAG: _- SCC: SERIALNO: 15001- |
|||
| ? | BNBY-2347910-2 | • Bulb, 12volt, 55watt | 1 | SN: 15001- KIT-FLAG: _- SCC: SERIALNO: 15001- |
|||
| ? | 08037-11825 | • Grommet | 1 | SN: 15001- KIT-FLAG: _- SCC: SERIALNO: 15001- |
|||
| ? | 01435-41020 | Bolt | 2 | SN: 15001- KIT-FLAG: _- SCC: SERIALNO: 15001- |
|||
| ? | 04434-51708 | Clip | 2 | SN: 15001- KIT-FLAG: _- SCC: SERIALNO: 15001- |
|||
| ? | 01010-D0820 | Bolt | 2 | SN: 15001- KIT-FLAG: _- SCC: SERIALNO: 15001- |
|||
| ? | 01643-70823 | Washer | 2 | SN: 15001- KIT-FLAG: _- SCC: SERIALNO: 15001- |
|||
| ? | 01580-10806 | Nut | 2 | SN: 15001- KIT-FLAG: _- SCC: SERIALNO: 15001- |
|||
| ? | 22M-06-24211 | Wiring Harness | 1 | SN: 15001- KIT-FLAG: _- SCC: SERIALNO: 15001- |
|||
| ? | 08034-40521 | Band | 1 | SN: 15001- KIT-FLAG: _- SCC: SERIALNO: 15001- |
|||
| ? | 20Y-54-51220 | Clip | 2 | SN: 15001- KIT-FLAG: _- SCC: SERIALNO: 15001- |