k-part
Номер на схеме Каталожный номер Название Количество Детали
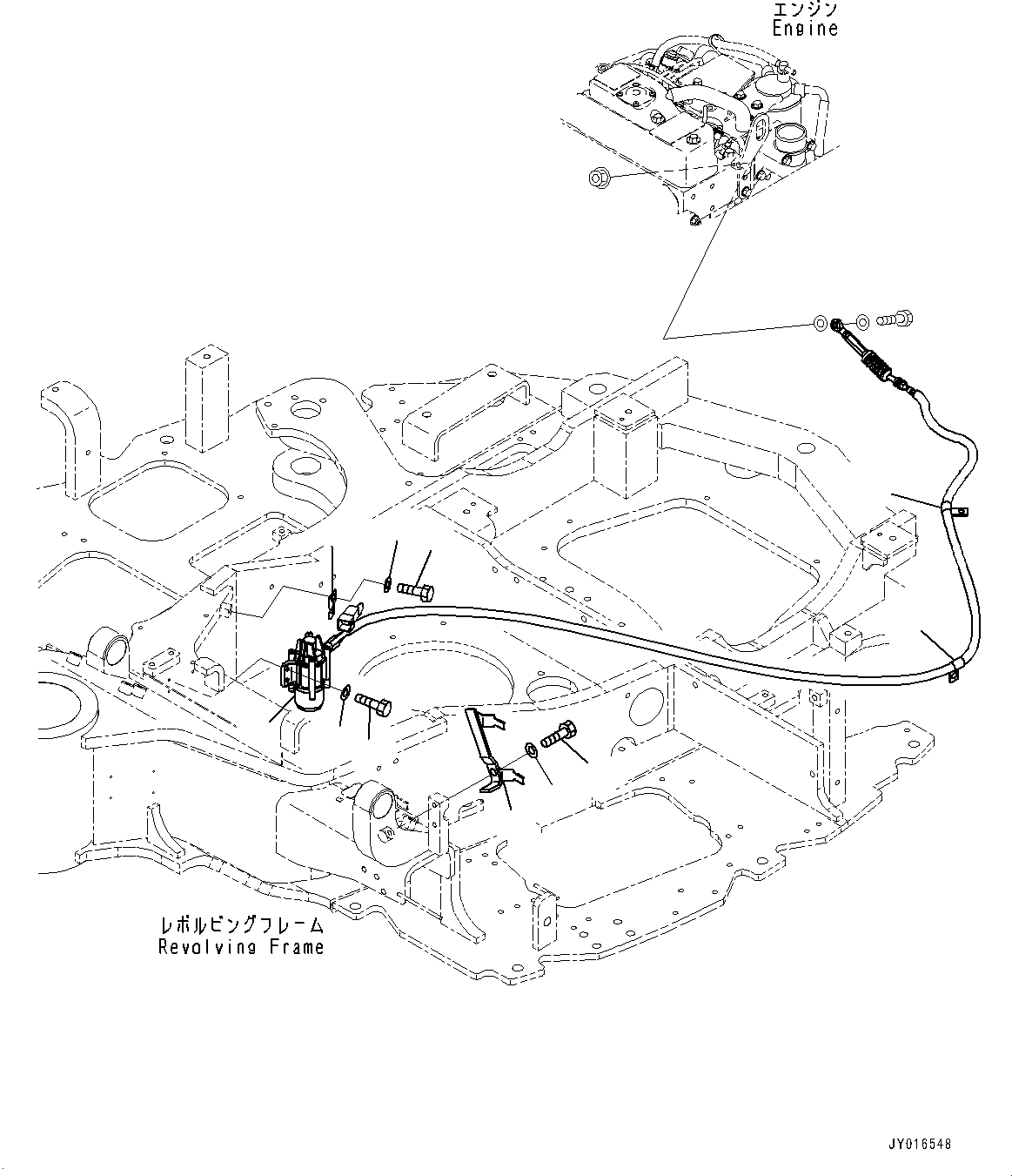
? 22M-972-3312 Motor Assembly 1
SN: 16501-
KIT-FLAG: _-
SCC:
SERIALNO: 16501-
? 01010-80616 Bolt 3
SN: 16501-
KIT-FLAG: _-
SCC:
SERIALNO: 16501-
? 01643-30623 Washer 3
SN: 16501-
KIT-FLAG: _-
SCC:
SERIALNO: 16501-
? 08193-21012 Clip 1
SN: 16501-
KIT-FLAG: _-
SCC:
SERIALNO: 16501-
? 01010-80816 Bolt 1
SN: 16501-
KIT-FLAG: _-
SCC:
SERIALNO: 16501-
? 01643-30823 Washer 1
SN: 16501-
KIT-FLAG: _-
SCC:
SERIALNO: 16501-
? 04434-51008 Clip 1
SN: 16501-
KIT-FLAG: _-
SCC:
SERIALNO: 16501-
? 04434-51010 Clip 1
SN: 16501-
KIT-FLAG: _-
SCC:
SERIALNO: 16501-
? 22M-972-3161 Bracket 1
SN: 16501-
KIT-FLAG: _-
SCC:
SERIALNO: 16501-
? 01010-81020 Bolt 1
SN: 16501-
KIT-FLAG: _-
SCC:
SERIALNO: 16501-
? 01643-31032 Washer 1
SN: 16501-
KIT-FLAG: _-
SCC:
SERIALNO: 16501-

Excavators Komatsu / PC55MR-3 S/N 15001-UP (EU Spec.)(0000222c) / Electric Wiring Harness, Fuel Control Motor (#16501-)(E012004 : E0200-013004)
?
?
?
?
?
?
?
?
?
?
?