k-part
Номер на схеме Каталожный номер Название Количество Детали
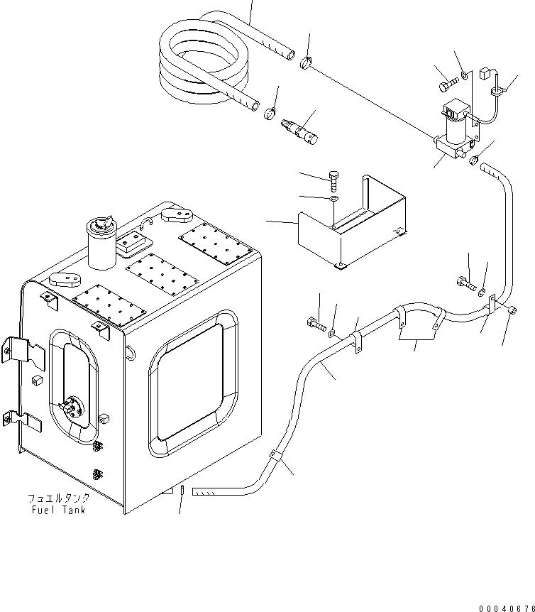
? (20Y-04-K4061) PUMP ASSEMBLY 1
SN: K52687-
? (20Y-04-K4060) PUMP ASSEMBLY 1
SN: K52390-K52686
? 04434-52712 CLIP 5
SN: K52390-
? 01010-81225 BOLT 2
SN: K52390-
? 01643-31232 WASHER 2
SN: K52390-
? 144-947-3490 SPACER 2
SN: K52390-
? 01010-81240 BOLT 2
SN: K52390-
? 01643-31232 WASHER 2
SN: K52390-
? 20Y-04-48130 HOSE 1
SN: K52390-
? 20Y-04-K2470 CLAMP 2
SN: K52390-
? 20Y-04-K2450 VALVE ASSEMBLY 1
SN: K52390-
? 20Y-04-K2351 HOSE 1
SN: K52390-
? 07289-00035 CLAMP 2
SN: K52390-
? 20Y-04-38170 BRACKET 1
SN: K52390-
? 01010-81020 BOLT 3
SN: K52390-
? 01643-31032 WASHER 3
SN: K52390-
? 01010-81225 BOLT 4
SN: K52390-
? 01643-31232 WASHER 4
SN: K52390-
? 08034-20519 BAND 1
SN: K52390-

Excavators Komatsu / PC210LC-8K S/N K50001-UP(pc210l2u) / FUEL SELF CHARGE PUMP(#K52390-)(016003 : W1113-01A1)
?
?
?
?
?
?
?
?
?
?
?
?
?
?
?
?
?
?
?
?
?
?
?