| Номер на схеме | Каталожный номер | Название | Количество | Детали | |||
|---|---|---|---|---|---|---|---|
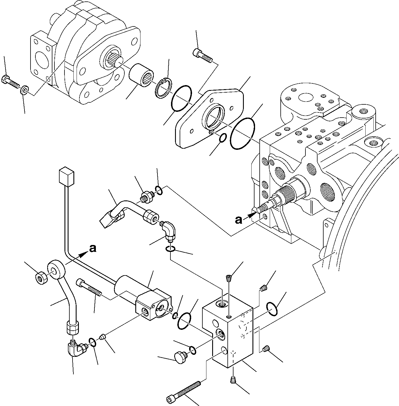
| ? | (708-1L-00640) | PUMP, ASSY. | 1 | SN: 21D5200330- |
|||
| ? | 01010-81235 | • BOLT | 2 | SN: 21D5200330- |
|||
| ? | 01643-31232 | • WASHER | 2 | SN: 21D5200330- |
|||
| ? | 07000-02060 | • O-RING | 1 | SN: 21D5200330- |
|||
| ? | 708-1L-29130 | • PLATE | 1 | SN: 21D5200330- |
|||
| ? | 07000-02070 | • O-RING | 1 | SN: 21D5200330- |
|||
| ? | 07000-02018 | • O-RING | 1 | SN: 21D5200330- |
|||
| ? | 708-1W-28150 | • JOINT | 1 | SN: 21D5200330- |
|||
| ? | 04065-02012 | • RING, SNAP | 1 | SN: 21D5200330- |
|||
| ? | 01252-61025 | • SCREW | 3 | SN: 21D5200330- |
|||
| ? | 702-21-07010 | • SOLENOID VALVE, ASSY. | 1 | SN: 21D5200330- |
|||
| ? | 708-2L-04280 | • BLOCK, ASSY. | 1 | SN: 21D5200330- |
|||
| ? | ☆ | • • BLOCK | 1 | SN: 21D5200330- |
|||
| ? | ☆ | • • PLUG | 4 | SN: 21D5200330- |
|||
| ? | 708-2L-23970 | • • O-RING | 1 | SN: 21D5200330- |
|||
| ? | 07040-11007 | • PLUG | 1 | SN: 21D5200330- |
|||
| ? | 708-2L-23920 | • O-RING | 1 | SN: 21D5200330- |
|||
| ? | 01252-60865 | • SCREW | 2 | SN: 21D5200330- |
|||
| ? | 203-60-62220 | • SCREW | 2 | SN: 21D5200330- |
|||
| ? | 07235-10210 | • ELBOW | 1 | SN: 21D5200330- |
|||
| ? | 708-2L-23950 | • O-RING | 1 | SN: 21D5200330- |
|||
| ? | 07230-20210 | • UNION | 1 | SN: 21D5200330- |
|||
| ? | 708-2L-23950 | • O-RING | 1 | SN: 21D5200330- |
|||
| ? | 01582-11008 | • NUT | 1 | SN: 21D5200330- |
|||
| ? | 708-1L-29310 | • PIPE | 1 | SN: 21D5200330- |
|||
| ? | 708-2L-29410 | • PIPE | 1 | SN: 21D5200330- |
|||
| ? | 708-2L-23960 | • O-RING | 1 | SN: 21D5200330- |
|||
| ? | 07000-B2011 | • O-RING | 1 | SN: 21D5200330- |
|||
| ? | 708-1L-29330 | • ELBOW | 1 | SN: 21D5200330- |
|||
| ? | 708-2L-23950 | • O-RING | 1 | SN: 21D5200330- |
|||
| ? | 708-1L-29340 | • ORIFICE | 1 | SN: 21D5200330- |