| Номер на схеме | Каталожный номер | Название | Количество | Детали | |||
|---|---|---|---|---|---|---|---|
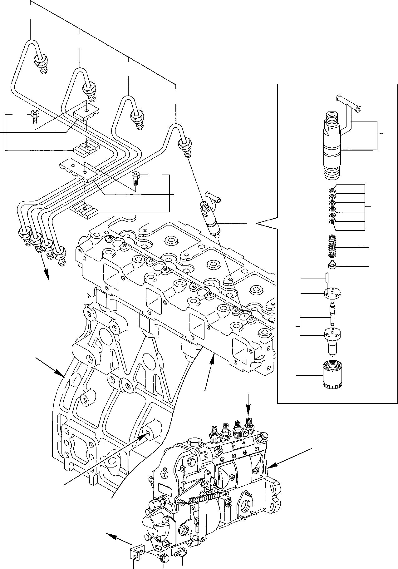
| ? | (22E-01-11000) | MOTOR, ASSY. | 1 | ENSN: 00185- |
|||
| ? | YM129900-01950 | • SUPPORT | 1 | ENSN: 00185- |
|||
| ? | YM26106-100142 | • BOLT | 1 | ENSN: 00185- |
|||
| ? | YM26106-080202 | • BOLT PLATED | 1 | ENSN: 00185- |
|||
| ? | YM729902-53200 | • VALVE | 4 | ENSN: 00185- |
|||
| ? | YM129902-53050 | • • NOZZLE | 4 | ENSN: 00185- |
|||
| ? | YM114250-53080 | • • PIPE | 4 | ENSN: 00185- |
|||
| ? | YM129100-53100 | • • FUEL INJECTION NOZZLE, ASSY. | 4 | ENSN: 00185- |
|||
| ? | YM114250-53120 | • • SPRING | 4 | ENSN: 00185- |
|||
| ? | YM114250-53130 | • • SEAT | 4 | ENSN: 00185- |
|||
| ? | YM114250-53140 | • • PLATE, STOP | 4 | ENSN: 00185- |
|||
| ? | YM114250-53210 | • • PIN | 8 | ENSN: 00185- |
|||
| ? | YM114250-53400 | • • KIT, SHIM | 4 | ENSN: 00185- |
|||
| ? | YM119305-59120 | • RETAINER, PIPE | 2 | ENSN: 00185- |
|||
| ? | YM129150-59131 | • • BOLT | 2 | ENSN: 00185- |
|||
| ? | YM129550-59120 | • RETAINER, PIPE | 1 | ENSN: 00185- |
|||
| ? | YM129150-59131 | • • BOLT | 2 | ENSN: 00185- |
|||
| ? | YM129902-59810 | • • INJECTION PIPE N. 1 | 1 | ENSN: 00185- |
|||
| ? | YM129902-59820 | • • INJECTION PIPE N. 2 | 1 | ENSN: 00185- |
|||
| ? | YM129902-59830 | • • INJECTION PIPE N. 3 | 1 | ENSN: 00185- |
|||
| ? | YM129902-59840 | • • INJECTION PIPE N. 4 | 1 | ENSN: 00185- |
|||
| ? | SEE FIG. 0101 | 0101 | |||||
| ? | SEE FIG. 0201 | 0201 | |||||
| ? | SEE FIG. 0431 | 0431 |