| Номер на схеме | Каталожный номер | Название | Количество | Детали | |||
|---|---|---|---|---|---|---|---|
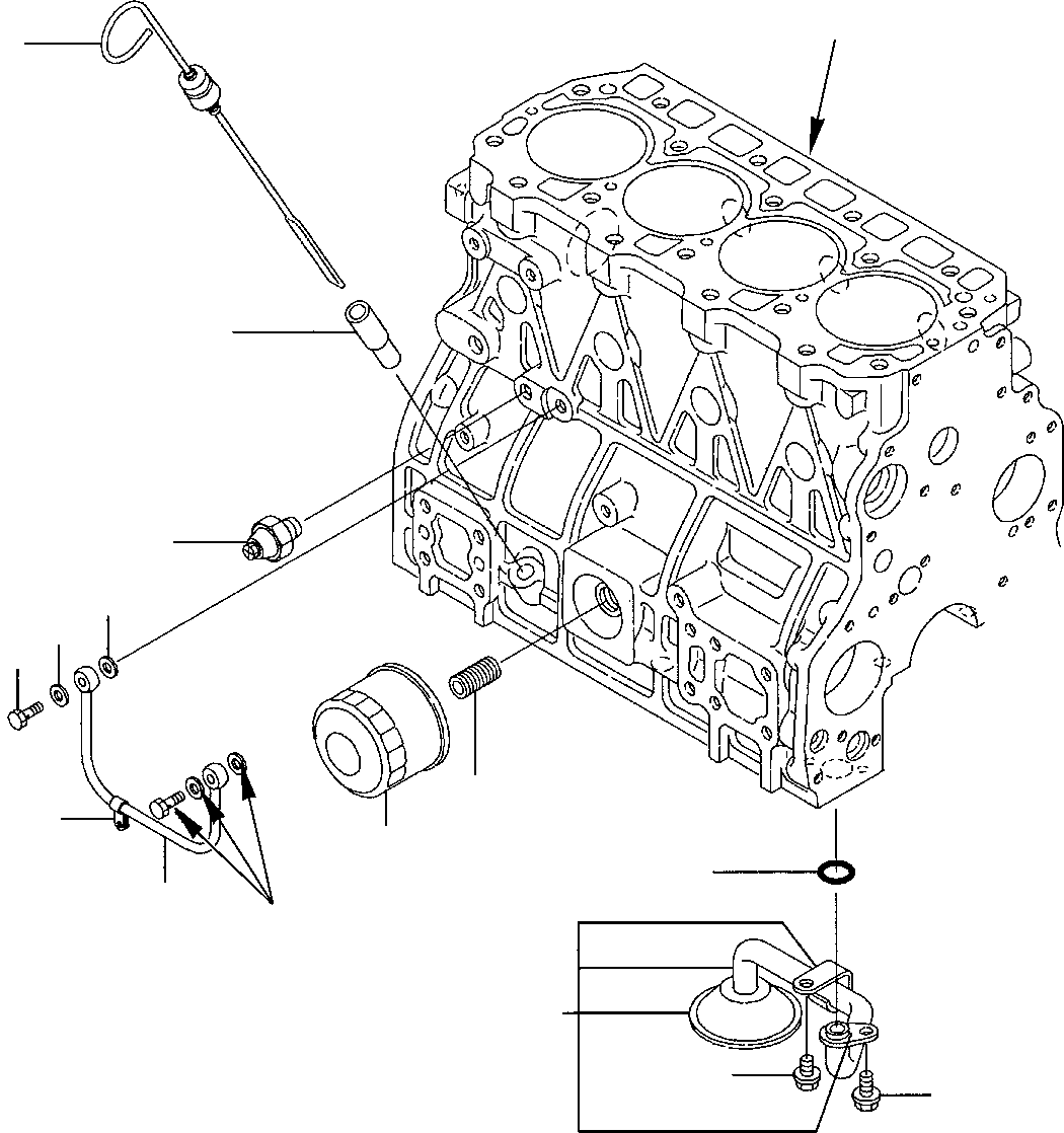
| ? | (22E-01-11000) | MOTOR, ASSY. | 1 | ENSN: 00185- |
|||
| ? | YM129900-34800 | • GAUGE, OIL LEVEL | 1 | ENSN: 00185- |
|||
| ? | YM121520-34810 | • GUIDE | 1 | ENSN: 00185- |
|||
| ? | YM129150-35151 | • FILTER | 1 | ENSN: 00185- |
|||
| ? | YM119000-35140 | • STUD | 1 | ENSN: 00185- |
|||
| ? | YM129900-32030 | • O-RING | 1 | ENSN: 00185- |
|||
| ? | YM129900-35000 | • HOSE | 1 | ENSN: 00185- |
|||
| ? | YM26106-080122 | • BOLT PLATED | 1 | ENSN: 00185- |
|||
| ? | YM26106-080162 | • BOLT | 1 | ENSN: 00185- |
|||
| ? | YM121252-39450 | • OIL PRESSURE TRANSMITTER | 1 | ENSN: 00185- |
|||
| ? | YM129900-39350 | • PIPE | 1 | ENSN: 00185- |
|||
| ? | YM23297-060081 | • RETAINER | 1 | ENSN: 00185- |
|||
| ? | YM23414-080000 | • GASKET | 2 | ENSN: 00185- |
|||
| ? | YM23857-030000 | • BOLT | 1 | ENSN: 00185- |
|||
| ? | SEE FIG. 0201 | 0201 | |||||
| ? | SEE FIG. 0431 | 0431 |