k-part
Номер на схеме Каталожный номер Название Количество Детали
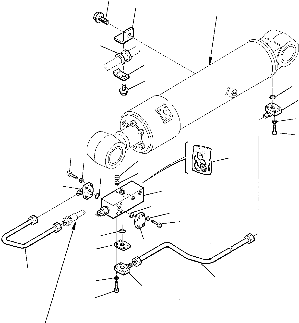
? 21D-09-53130 FLANGE 3
SN: 5000001-
? 21D-09-69870 O-RING 3
SN: 5000001-
? 01252-40830 SCREW 12
SN: 5000001-
? 21D-09-73690 SPRING WASHER 12
SN: 5000001-
? 01252-40825 SCREW 4
SN: 5000001-
? 21D-62-15540 PLATE 1
SN: 5000001-
? 01643-30823 WASHER 4
SN: 5000001-
? 21D-09-24180 NUT 4
SN: 5000001-
? 21D-62-15530 FLANGE 1
SN: 5000001-
? 21D-09-69870 O-RING 1
SN: 5000001-
? 21D-60-17230 VALVE, ASSY. 1
SN: 5000001-
? 21D-60-17330 • KIT, GASKET 1
SN: 5000001-
? 21D-62-14150 PIPE 1
SN: 5000001-
? 21D-62-14160 PIPE 1
SN: 5000001-
? 21D-62-11110 CLAMP 1
SN: 5000001-
? 01435-01020 BOLT 1
SN: 5000001-
? 22E-62-11540 CLAMP 1
SN: 5000001-
? 01435-01025 BOLT 1
SN: 5000001-
? 21D-62-11130 RING 1
SN: 5000001-
? SEE FIG. 6700 6700
? SEE FIG. 7110 7110

Excavators Komatsu / PC75-1 S/N 5000001-Up(pc75_1) / HYDRAULIC PIPING (BOOM CYLINDER LINE) (SAFETY VALVE)(M6-82 : 6705)
?
?
?
?
?
?
?
?
?
?
?
?
?
?
?
?
?
?
?
?
?
?
?
?
?
?
?
?
?
?