| Номер на схеме | Каталожный номер | Название | Количество | Детали | |||
|---|---|---|---|---|---|---|---|
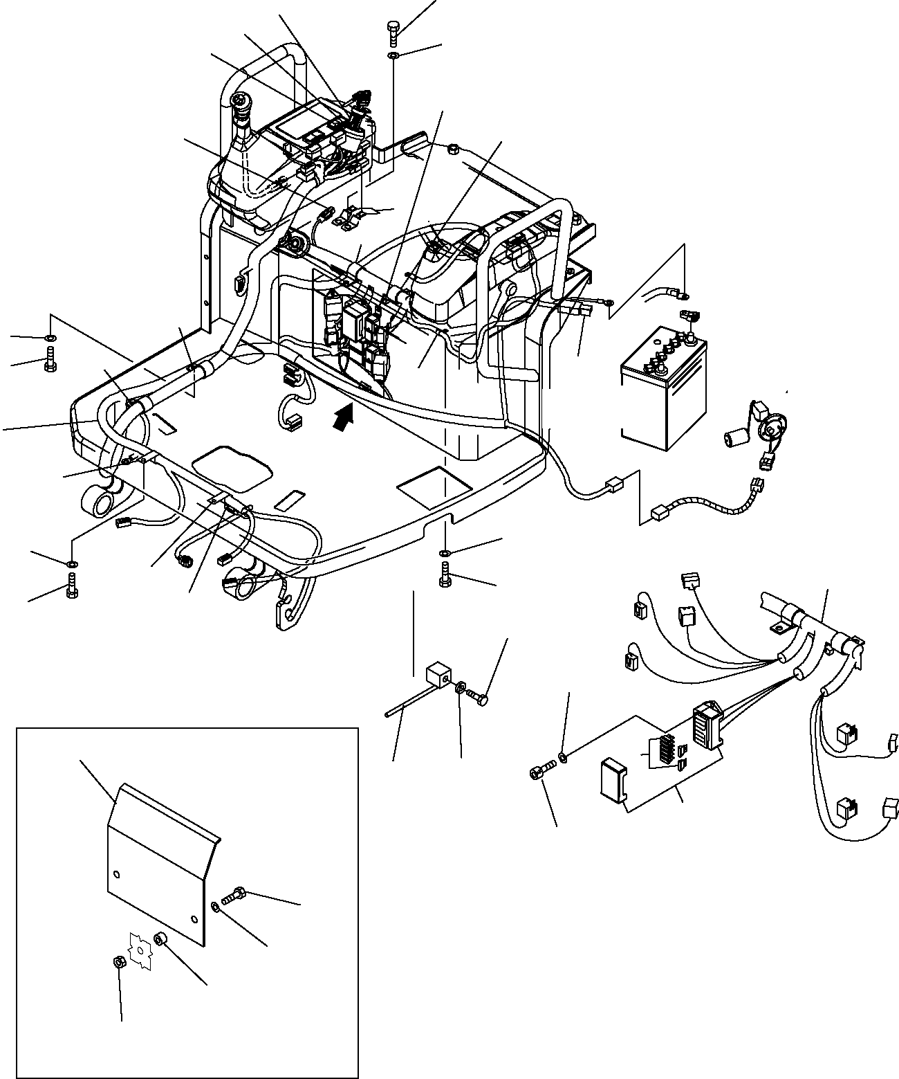
| ? | 22J-06-R6111 | WIRING HARNESS | 1 | SN: F00003- |
|||
| ? | 20T-06-81230 | FUSE | 1 | SN: F00003- |
|||
| ? | 21X-06-31530 | DIODE | 3 | SN: F00003- |
|||
| ? | 21D-06-11780 | FUSE BOX | 1 | SN: F00003- |
|||
| ? | 08041-01000 | FUSE 10A | 2 | SN: F00003- |
|||
| ? | 08041-02000 | FUSE 20A | 4 | SN: F00003- |
|||
| ? | 08041-03000 | FUSE 30A | 2 | SN: F00003- |
|||
| ? | 04434-52711 | CLAMP | 4 | SN: F00003- |
|||
| ? | 01010-81020 | BOLT | 4 | SN: F00003- |
|||
| ? | 01643-11032 | WASHER | 4 | SN: F00003- |
|||
| ? | 08193-21012 | CLAMP | 2 | SN: F00003- |
|||
| ? | 01010-81016 | BOLT | 2 | SN: F00003- |
|||
| ? | 01643-11032 | WASHER | 2 | SN: F00003- |
|||
| ? | 04434-51912 | CLAMP | 2 | SN: F00003- |
|||
| ? | 01010-81020 | BOLT | 2 | SN: F00003- |
|||
| ? | 01643-11032 | WASHER | 2 | SN: F00003- |
|||
| ? | 01252-70620 | BOLT | 2 | SN: F00003-F01091 |
A | ||
| ? | 01010-80635 | BOLT | 2 | SN: F01092- |
B | ||
| ? | 01643-10623 | WASHER | 2 | SN: F00003- |
|||
| ? | 20S-06-31130 | SWITCH | 1 | SN: F00003- |
|||
| ? | 21R-06-11130 | COVER | 1 | SN: F00003- |
|||
| ? | 08034-20536 | BAND | 1 | SN: F00003- |
|||
| ? | 04434-51010 | CLAMP | 1 | SN: F00003- |
|||
| ? | 01010-81020 | BOLT | 1 | SN: F00003- |
|||
| ? | 01643-11032 | WASHER | 1 | SN: F00003- |
|||
| ? | 22L-09-R4470 | BRACKET | 1 | SN: F00003-F01091 |
|||
| ? | 01010-81050 | BOLT | 1 | SN: F00003-F01091 |
A | ||
| ? | 01010-81020 | BOLT | 1 | SN: F01092- |
B | ||
| ? | 01643-11032 | WASHER | 1 | SN: F00003- |
|||
| ? | 01598-00608 | NUT | 2 | SN: F01092- |
|||
| ? | 332205627 | SPACER | 2 | SN: F01092- |
|||
| ? | 22L-09-R9170 | PLATE | 1 | SN: F01092- |