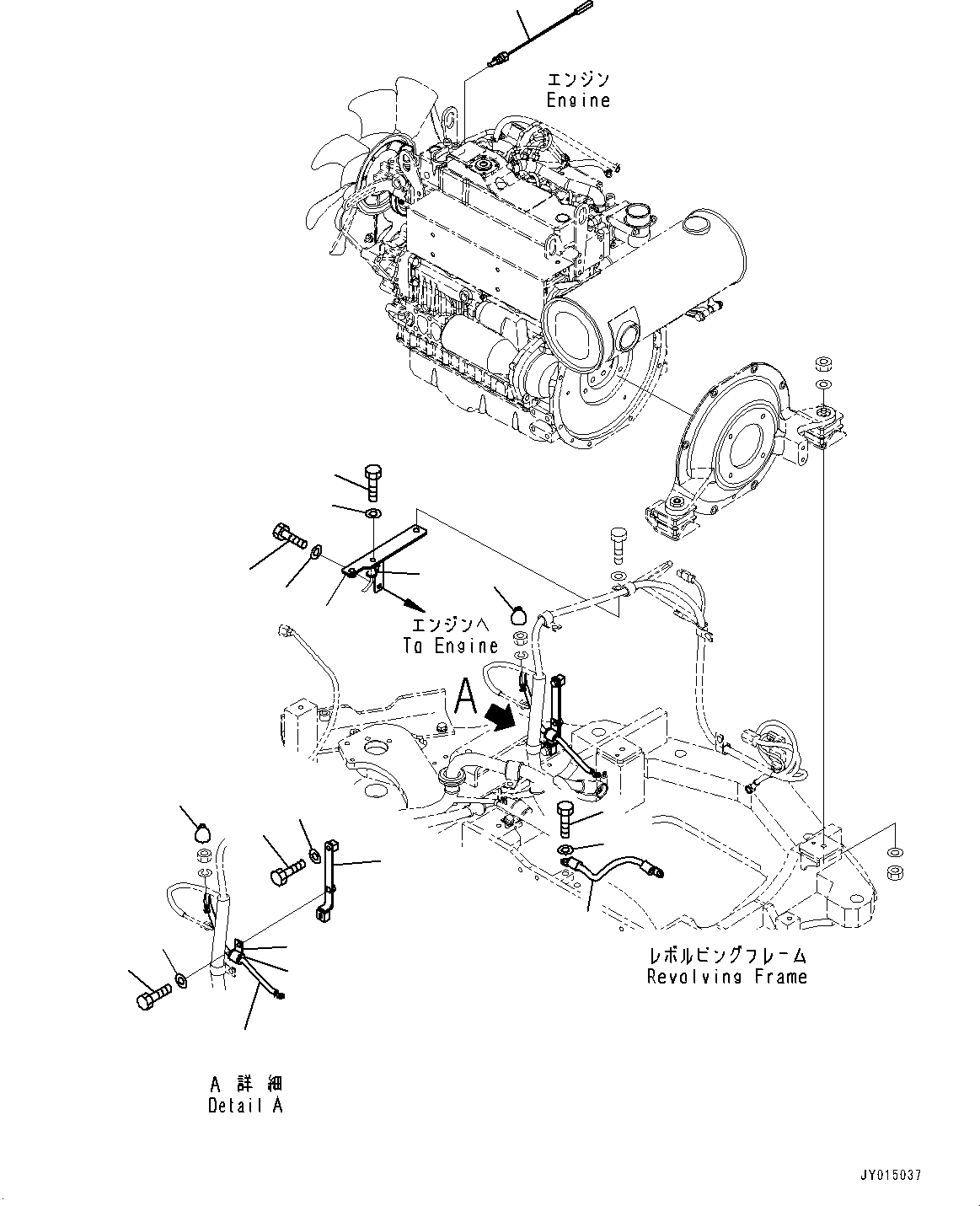
| Номер на схеме | Каталожный номер | Название | Количество | Детали | |||
|---|---|---|---|---|---|---|---|
| ? | 08038-10525 | Cap | 1 | SN: 16001-16500 KIT-FLAG: _- SCC: SERIALNO: 16001-16500 |
|||
| ? | 20U-06-41250 | Cable | 1 | SN: 16001-16500 KIT-FLAG: _- SCC: SERIALNO: 16001-16500 |
|||
| ? | 01010-81020 | Bolt | 2 | SN: 16001-16500 KIT-FLAG: _- SCC: SERIALNO: 16001-16500 |
|||
| ? | 01643-31032 | Washer | 2 | SN: 16001-16500 KIT-FLAG: _- SCC: SERIALNO: 16001-16500 |
|||
| ? | 22M-06-31330 | Bracket | 1 | SN: 16001-16500 KIT-FLAG: _- SCC: SERIALNO: 16001-16500 |
|||
| ? | 01010-80825 | Bolt | 1 | SN: 16001-16500 KIT-FLAG: _- SCC: SERIALNO: 16001-16500 |
|||
| ? | 01643-30823 | Washer | 1 | SN: 16001-16500 KIT-FLAG: _- SCC: SERIALNO: 16001-16500 |
|||
| ? | 01010-80816 | Bolt | 1 | SN: 16001-16500 KIT-FLAG: _- SCC: SERIALNO: 16001-16500 |
|||
| ? | 01643-30823 | Washer | 1 | SN: 16001-16500 KIT-FLAG: _- SCC: SERIALNO: 16001-16500 |
|||
| ? | 08034-40521 | Band | 3 | SN: 16001-16500 KIT-FLAG: _- SCC: SERIALNO: 16001-16500 |
|||
| ? | 22M-06-31341 | Bracket | 1 | SN: 16001-16500 KIT-FLAG: _- SCC: SERIALNO: 16001-16500 |
|||
| ? | 01010-80835 | Bolt | 1 | SN: 16001-16500 KIT-FLAG: _- SCC: SERIALNO: 16001-16500 |
|||
| ? | 01643-30823 | Washer | 1 | SN: 16001-16500 KIT-FLAG: _- SCC: SERIALNO: 16001-16500 |
|||
| ? | 22M-06-21250 | Wire | 1 | SN: 16001-16500 KIT-FLAG: _- SCC: SERIALNO: 16001-16500 |
|||
| ? | 07095-20211 | Cushion | 1 | SN: 16001-16500 KIT-FLAG: _- SCC: SERIALNO: 16001-16500 |
|||
| ? | 04434-51610 | Clip | 1 | SN: 16001-16500 KIT-FLAG: _- SCC: SERIALNO: 16001-16500 |
|||
| ? | 01010-81020 | Bolt | 1 | SN: 16001-16500 KIT-FLAG: _- SCC: SERIALNO: 16001-16500 |
|||
| ? | 01643-31032 | Washer | 1 | SN: 16001-16500 KIT-FLAG: _- SCC: SERIALNO: 16001-16500 |
|||
| ? | 7861-93-3320 | Sensor, Oil Temperature | 1 | SN: 16001-16500 KIT-FLAG: _- SCC: SERIALNO: 16001-16500 |