k-part
Номер на схеме Каталожный номер Название Количество Детали
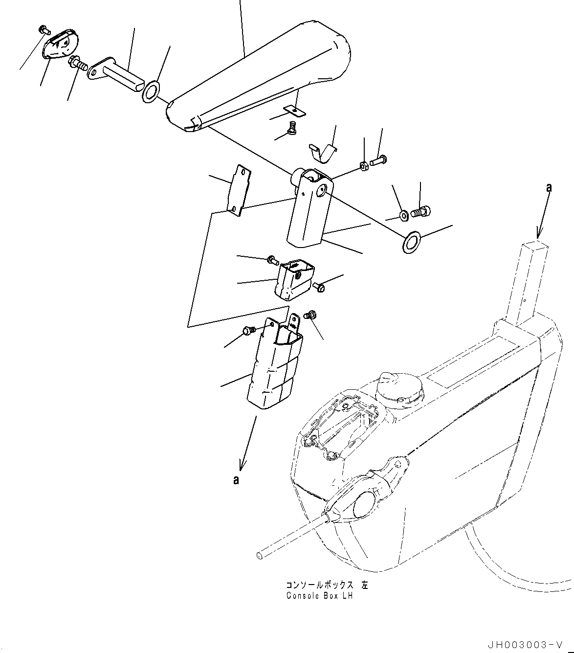
? 20Y-43-41143 Armrest 1
SN: 70001-
KIT-FLAG: _-
SCC:
SERIALNO: 70001-
? 20Y-43-41173 Bracket 1
SN: 70001-
KIT-FLAG: _-
SCC:
SERIALNO: 70001-
? 01252-80820 Bolt 2
SN: 70001-
KIT-FLAG: _-
SCC:
SERIALNO: 70001-
? 01643-70823 Washer 2
SN: 70001-
KIT-FLAG: _-
SCC:
SERIALNO: 70001-
? 20Y-43-41162 Pin 1
SN: 70001-
KIT-FLAG: _-
SCC:
SERIALNO: 70001-
? 01435-40816 Bolt 1
SN: 70001-
KIT-FLAG: _-
SCC:
SERIALNO: 70001-
? 20Y-43-41152 Spring 1
SN: 70001-
KIT-FLAG: _-
SCC:
SERIALNO: 70001-
? 437-40-26240 Washer 2
SN: 70001-
KIT-FLAG: _-
SCC:
SERIALNO: 70001-
? 01245-00620 Screw 1
SN: 70001-
KIT-FLAG: _-
SCC:
SERIALNO: 70001-
? 01580-40605 Nut 1
SN: 70001-
KIT-FLAG: _-
SCC:
SERIALNO: 70001-
? 20Y-43-41181 Cap 1
SN: 70001-
KIT-FLAG: _-
SCC:
SERIALNO: 70001-
? 01023-20512 Screw 1
SN: 70001-
KIT-FLAG: _-
SCC:
SERIALNO: 70001-
? 20Y-43-41191 Cover 1
SN: 70001-
KIT-FLAG: _-
SCC:
SERIALNO: 70001-
? 01370-40510 Screw 2
SN: 70001-
KIT-FLAG: _-
SCC:
SERIALNO: 70001-
? 20Y-43-41591 Cover 1
SN: 70001-
KIT-FLAG: _-
SCC:
SERIALNO: 70001-
? 01023-20512 Screw 2
SN: 70001-
KIT-FLAG: _-
SCC:
SERIALNO: 70001-
? 20Y-43-41281 Rubber 1
SN: 70001-
KIT-FLAG: _-
SCC:
SERIALNO: 70001-
? 20Y-43-41461 Plate 1
SN: 70001-
KIT-FLAG: _-
SCC:
SERIALNO: 70001-
? 01370-40610 Screw 1
SN: 70001-
KIT-FLAG: _-
SCC:
SERIALNO: 70001-

Excavators Komatsu / PC450-8 S/N 70001-UP(0000174c) / Cab, Floor, Armrest, L.H. (#70001-)(K042045 : K1110-043039)
?
?
?
?
?
?
?
?
?
?
?
?
?
?
?
?
?
?
?
?
?
?