| Номер на схеме | Каталожный номер | Название | Количество | Детали | |||
|---|---|---|---|---|---|---|---|
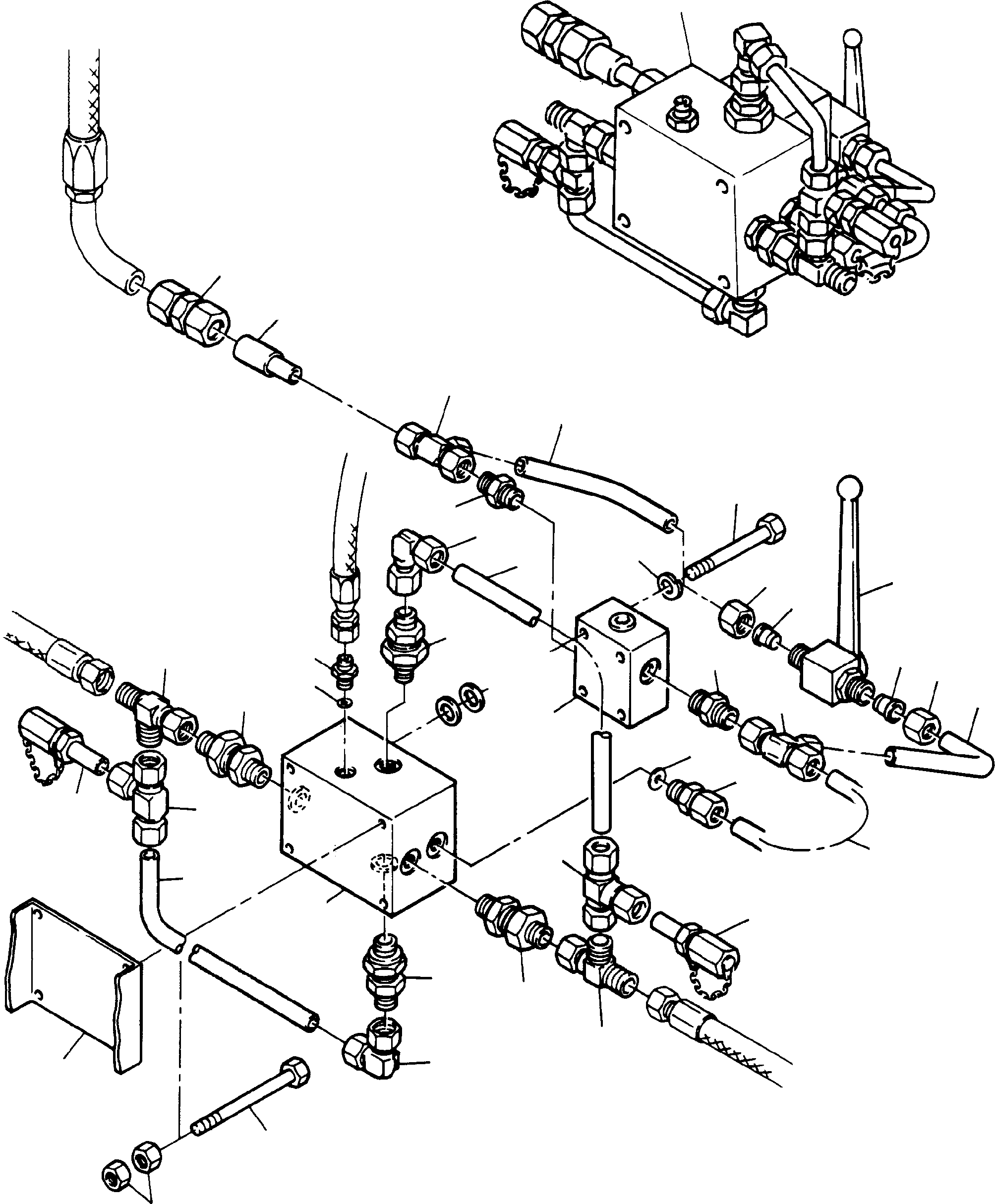
| ? | Graphic 1 | EnglischBem: DeutschBem: DeutschDesc: Bild 1 InternBDB: InternKon: SerienBem: Zwhead_Deu: Zwhead_Eng: |
|||||
| ? | 461 158 40 | Accumulator | 2 | EnglischBem: DeutschBem: DeutschDesc: Blasen-Druckspeicher InternBDB: Hydac SB 500-10 A1 /213-1 InternKon: SerienBem: Zwhead_Deu: Zwhead_Eng: |
|||
| ? | 462 803 40 | Holding device | 2 | EnglischBem: DeutschBem: DeutschDesc: Halterung InternBDB: InternKon: 462 800 40 / 5 SerienBem: Zwhead_Deu: Zwhead_Eng: |
|||
| ? | 256 132 40 | Clamp | 2 | EnglischBem: DeutschBem: DeutschDesc: Schelle InternBDB: Hydac HSS 222/229 InternKon: 462 800 40 / 4 SerienBem: Zwhead_Deu: Zwhead_Eng: |
|||
| ? | 462 804 40 | Adapter | 2 | EnglischBem: DeutschBem: DeutschDesc: Adapter InternBDB: InternKon: 462 800 40 / 6 SerienBem: Zwhead_Deu: Zwhead_Eng: |
|||
| ? | 461 159 40 | Console with rubber support ring | 2 | EnglischBem: DeutschBem: DeutschDesc: Konsole mit Gummistьtzring InternBDB: Hydac K 222/G InternKon: 462 800 40 / 3 SerienBem: Zwhead_Deu: Zwhead_Eng: |
|||
| ? | 307 824 99 | Bolt | 8 | EnglischBem: DeutschBem: DeutschDesc: Schraube InternBDB: M16x40 /933 InternKon: 462 800 40 / 29 SerienBem: Zwhead_Deu: Zwhead_Eng: |
|||
| ? | 332 336 99 | Nut | 16 | EnglischBem: DeutschBem: DeutschDesc: Mutter InternBDB: M 16 /934 InternKon: 462 800 40 / 30 SerienBem: Zwhead_Deu: Zwhead_Eng: |
|||
| ? | 307 601 99 | Bolt | 4 | EnglischBem: DeutschBem: DeutschDesc: Schraube InternBDB: M14x35 /933 InternKon: 462 800 40 / 27 SerienBem: Zwhead_Deu: Zwhead_Eng: |
|||
| ? | 332 226 99 | Nut | 8 | EnglischBem: DeutschBem: DeutschDesc: Mutter InternBDB: M 14 /934 InternKon: 462 800 40 / 28 SerienBem: Zwhead_Deu: Zwhead_Eng: |
|||
| ? | 372 133 99 | Union | 1 | EnglischBem: DeutschBem: DeutschDesc: Verschraubung InternBDB: EES 20 /2353 InternKon: 462 800 40 / 17 SerienBem: Zwhead_Deu: Zwhead_Eng: |
|||
| ? | 462 807 40 | Hose assy. DN 16x3840 | 2 | EnglischBem: DeutschBem: DeutschDesc: Schlauchleitung DN 16x3840 InternBDB: TL InternKon: 462 800 40 / 11 SerienBem: Zwhead_Deu: Zwhead_Eng: |
|||
| ? | 462 808 40 | Hose assy. DN 16x610 | 2 | EnglischBem: DeutschBem: DeutschDesc: Schlauchleitung DN 16x610 InternBDB: TL InternKon: 462 800 40 / 12 SerienBem: Zwhead_Deu: Zwhead_Eng: |
|||
| ? | 461 133 40 | Ball cock DN 16 | 2 | EnglischBem: DeutschBem: DeutschDesc: Blockkugelhahn DN 16 InternBDB: Argus 3021-0016- 59 42 50 InternKon: 462 800 40 / 7 SerienBem: Zwhead_Deu: Zwhead_Eng: |
|||
| ? | 371 233 99 | Olive | 2 | EnglischBem: DeutschBem: DeutschDesc: Schneidring InternBDB: S 20 /3861 InternKon: 462 800 40 / 48 SerienBem: Zwhead_Deu: Zwhead_Eng: |
|||
| ? | 371 260 99 | Union nut | 2 | EnglischBem: DeutschBem: DeutschDesc: Ьberwurfmutter InternBDB: AS 20 /3870 InternKon: 462 800 40 / 47 SerienBem: Zwhead_Deu: Zwhead_Eng: |
|||
| ? | 372 510 99 | Union | 2 | EnglischBem: DeutschBem: DeutschDesc: Verschraubung InternBDB: ZS 20 /2353 InternKon: 462 800 40 / 14 SerienBem: Zwhead_Deu: Zwhead_Eng: |
|||
| ? | 215 539 99 | Pipe Ш 20 Bulk ware, state length required | 2 | EnglischBem: DeutschBem: DeutschDesc: Rohrleitung Ш 20
Meterware, bei Bestellung
Lдnge angeben InternBDB: 20x3 /2391 InternKon: 462 800 40 / 16 SerienBem: Zwhead_Deu: Zwhead_Eng: |
|||
| ? | 372 185 99 | Union | 2 | EnglischBem: DeutschBem: DeutschDesc: Verschraubung InternBDB: DDS 20 /2353 InternKon: 462 800 40 / 8 SerienBem: Zwhead_Deu: Zwhead_Eng: |
|||
| ? | 462 806 40 | Hose assy. DN 16x1540 | 2 | EnglischBem: DeutschBem: DeutschDesc: Schlauchleitung DN 16x1540 InternBDB: TL InternKon: 462 800 40 / 9 SerienBem: Zwhead_Deu: Zwhead_Eng: |
|||
| ? | 462 805 40 | Hose assy. DN 16x1260 | 2 | EnglischBem: DeutschBem: DeutschDesc: Schlauchleitung DN 16x1260 InternBDB: TL InternKon: 462 800 40 / 10 SerienBem: Zwhead_Deu: Zwhead_Eng: |
|||
| ? | 370 506 99 | Socket | 4 | EnglischBem: DeutschBem: DeutschDesc: Stutzen InternBDB: CS 20 /2353 InternKon: 462 800 40 / 13 SerienBem: Zwhead_Deu: Zwhead_Eng: |
|||
| ? | 255 007 40 | Hose DN 12 Bulk ware, state length required | A/R | EnglischBem: DeutschBem: DeutschDesc: Schlauchleitung DN 12
Meterware, bei Bestellung
Lдnge angeben InternBDB: Aeroquip 2651-10 InternKon: 462 800 40 / 31 SerienBem: Zwhead_Deu: Zwhead_Eng: |
|||
| ? | 323 901 40 | Hose DN 25 Bulk ware, state length required | A/R | EnglischBem: DeutschBem: DeutschDesc: Schlauchleitung DN 25
Meterware, bei Bestellung
Lдnge angeben InternBDB: Aeroquip 2651-20 InternKon: 462 800 40 / 35 SerienBem: Zwhead_Deu: Zwhead_Eng: |
|||
| ? | 414 447 40 | Hose fittings | 1 | EnglischBem: DeutschBem: DeutschDesc: Schlaucharmatur InternBDB: Aeroquip 07.388-28-20 InternKon: SerienBem: Zwhead_Deu: Zwhead_Eng: |
|||
| ? | 324 807 40 | Hose fittings | 1 | EnglischBem: DeutschBem: DeutschDesc: Schlaucharmatur InternBDB: Aeroquip 07.030-28-20 InternKon: SerienBem: Zwhead_Deu: Zwhead_Eng: |
|||
| ? | 255 924 40 | Hose fittings | 1 | EnglischBem: DeutschBem: DeutschDesc: Schlaucharmatur InternBDB: Aeroquip 07.002-13-10 InternKon: SerienBem: Zwhead_Deu: Zwhead_Eng: |
|||
| ? | 269 468 40 | Hose fittings | 1 | EnglischBem: DeutschBem: DeutschDesc: Schlaucharmatur InternBDB: Aeroquip 07.031-13-10 InternKon: SerienBem: Zwhead_Deu: Zwhead_Eng: |
|||
| ? | 371 954 99 | Union | 1 | EnglischBem: DeutschBem: DeutschDesc: Verschraubung InternBDB: FFL 15 /2353 InternKon: 462 800 40 / 44 SerienBem: Zwhead_Deu: Zwhead_Eng: |
|||
| ? | 374 407 99 | Socket | 1 | EnglischBem: DeutschBem: DeutschDesc: Stutzen InternBDB: L 15 M /3901 InternKon: SerienBem: Zwhead_Deu: Zwhead_Eng: |
|||
| ? | 374 431 99 | Socket | 1 | EnglischBem: DeutschBem: DeutschDesc: Stutzen InternBDB: L 28 M /3901 InternKon: SerienBem: Zwhead_Deu: Zwhead_Eng: |
|||
| ? | 371 957 99 | Union | 1 | EnglischBem: DeutschBem: DeutschDesc: Verschraubung InternBDB: FFL 28 /2353 InternKon: 462 800 40 / 45 SerienBem: Zwhead_Deu: Zwhead_Eng: |
|||
| ? | 256 179 40 | Hose DN 60 Bulk ware, state length required | A/R | EnglischBem: DeutschBem: DeutschDesc: Schlauchleitung DN 60
Meterware, bei Bestellung
Lдnge angeben InternBDB: Aeroquip 2651-40 InternKon: 462 800 40 / 46 SerienBem: Zwhead_Deu: Zwhead_Eng: |
|||
| ? | 506 372 98 | Clamp | 4 | EnglischBem: DeutschBem: DeutschDesc: Schelle InternBDB: 1S 73x25 InternKon: 462 800 40 / 19 SerienBem: Zwhead_Deu: Zwhead_Eng: |
|||
| ? | 534 002 99 | Weld on plate | 4 | EnglischBem: DeutschBem: DeutschDesc: AnschweiЯplatte InternBDB: ES 4 InternKon: 462 800 40 / 21 SerienBem: Zwhead_Deu: Zwhead_Eng: |
|||
| ? | 502 954 98 | Half clamp | 8 | EnglischBem: DeutschBem: DeutschDesc: Schellenhдlfte InternBDB: CS 4/28 InternKon: 462 800 40 / 20 SerienBem: Zwhead_Deu: Zwhead_Eng: |
|||
| ? | 534 001 99 | Cover plate | 10 | EnglischBem: DeutschBem: DeutschDesc: Deckplatte InternBDB: DS 4 InternKon: 462 800 40 / 22 SerienBem: Zwhead_Deu: Zwhead_Eng: |
|||
| ? | 308 579 99 | Bolt | 20 | EnglischBem: DeutschBem: DeutschDesc: Schraube InternBDB: M10x60 /931 InternKon: 462 800 40 / 23 SerienBem: Zwhead_Deu: Zwhead_Eng: |
|||
| ? | 502 655 98 | Half clamp | 4 | EnglischBem: DeutschBem: DeutschDesc: Schellenhдlfte InternBDB: H-CS 4/23 InternKon: 462 800 40 / 39 SerienBem: Zwhead_Deu: Zwhead_Eng: |
|||
| ? | 534 005 99 | Weld on plate | 3 | EnglischBem: DeutschBem: DeutschDesc: AnschweiЯplatte InternBDB: ES 5 InternKon: 462 800 40 / 42 SerienBem: Zwhead_Deu: Zwhead_Eng: |
|||
| ? | 534 022 99 | Half clamp | 6 | EnglischBem: DeutschBem: DeutschDesc: Schellenhдlfte InternBDB: CS 5/38 InternKon: 462 800 40 / 40 SerienBem: Zwhead_Deu: Zwhead_Eng: |
|||
| ? | 534 004 99 | Cover plate | 3 | EnglischBem: DeutschBem: DeutschDesc: Deckplatte InternBDB: DS 5 InternKon: 462 800 40 / 41 SerienBem: Zwhead_Deu: Zwhead_Eng: |
|||
| ? | 308 581 99 | Bolt | 6 | EnglischBem: DeutschBem: DeutschDesc: Schraube InternBDB: M10x70 /931 InternKon: 462 800 40 / 43 SerienBem: Zwhead_Deu: Zwhead_Eng: |
|||
| ? | 371 853 99 | Plug | 2 | EnglischBem: DeutschBem: DeutschDesc: Stopfen InternBDB: 20-S 011 638 99 InternKon: 462 800 40 / 15 SerienBem: Zwhead_Deu: Zwhead_Eng: |
|||
| ? | 696 673 73 | Rubber support ring | 2 | EnglischBem: DeutschBem: DeutschDesc: Gummistьtzring InternBDB: Hydac G 222 InternKon: SerienBem: Zwhead_Deu: Zwhead_Eng: |
|||
| ? | Graphic 2 | EnglischBem: DeutschBem: DeutschDesc: Bild 2 InternBDB: InternKon: SerienBem: Zwhead_Deu: Zwhead_Eng: |
|||||
| ? | 462 811 40 | Retainer | 1 | EnglischBem: DeutschBem: DeutschDesc: Halter InternBDB: InternKon: 462 800 40 / 24 SerienBem: Zwhead_Deu: Zwhead_Eng: |
|||
| ? | 332 200 99 | Nut | 8 | EnglischBem: DeutschBem: DeutschDesc: Mutter InternBDB: M 12 /934 InternKon: 462 800 40 / 26 SerienBem: Zwhead_Deu: Zwhead_Eng: |
|||
| ? | 308 433 99 | Bolt | 4 | EnglischBem: DeutschBem: DeutschDesc: Schraube InternBDB: M12x150 /931 InternKon: 462 800 40 / 25 SerienBem: Zwhead_Deu: Zwhead_Eng: |
|||
| ? | 462 848 40 | Reducing socket | 1 | EnglischBem: DeutschBem: DeutschDesc: Reduzierstutzen InternBDB: InternKon: 462 800 40 / 49 SerienBem: Zwhead_Deu: Zwhead_Eng: |
|||
| ? | 372 405 99 | Union | 1 | EnglischBem: DeutschBem: DeutschDesc: Verschraubung InternBDB: EL 28 /2353 InternKon: 462 800 40 / 50 SerienBem: Zwhead_Deu: Zwhead_Eng: |
|||
| ? | 462 801 40 | Valve block assy. | 1 | EnglischBem: DeutschBem: DeutschDesc: Ventilblock, kpl. InternBDB: DBM InternKon: 462 800 40 / 1 SerienBem: Zwhead_Deu: Zwhead_Eng: |
|||
| ? | 457 297 40 | Valve block | 1 | EnglischBem: DeutschBem: DeutschDesc: Ventilblock InternBDB: InternKon: 462 801 40 / 1 SerienBem: Zwhead_Deu: Zwhead_Eng: |
|||
| ? | 180 372 40 | Pressure relief valve | 1 | EnglischBem: DeutschBem: DeutschDesc: Druckbegrenzungsventil InternBDB: Rexroth DBDS 15 G 10/400 InternKon: 462 801 40 / 4 SerienBem: Zwhead_Deu: Zwhead_Eng: |
|||
| ? | 346 510 99 | Lock washer | 4 | EnglischBem: DeutschBem: DeutschDesc: Federring InternBDB: 8 /128 InternKon: 462 801 40 / 13 SerienBem: Zwhead_Deu: Zwhead_Eng: |
|||
| ? | 308 442 99 | Bolt | 4 | EnglischBem: DeutschBem: DeutschDesc: Schraube InternBDB: M8x85 /931 InternKon: 462 801 40 / 12 SerienBem: Zwhead_Deu: Zwhead_Eng: |
|||
| ? | 461 133 40 | Ball cock DN 16 | 1 | EnglischBem: DeutschBem: DeutschDesc: Blockkugelhahn DN 16 InternBDB: Argus 3021-0016- 59 42 50 InternKon: 462 801 40 / 20 SerienBem: Zwhead_Deu: Zwhead_Eng: |
|||
| ? | 371 233 99 | Olive | 2 | EnglischBem: DeutschBem: DeutschDesc: Schneidring InternBDB: S 20 /3861 InternKon: 462 801 40 / 19 SerienBem: Zwhead_Deu: Zwhead_Eng: |
|||
| ? | 371 260 99 | Union nut | 2 | EnglischBem: DeutschBem: DeutschDesc: Ьberwurfmutter InternBDB: AS 20 /3870 InternKon: 462 801 40 / 18 SerienBem: Zwhead_Deu: Zwhead_Eng: |
|||
| ? | 462 812 40 | Pipe assy. Ш 20 | 2 | EnglischBem: DeutschBem: DeutschDesc: Rohrleitung Ш 20 InternBDB: InternKon: 462 801 40 / 17 SerienBem: Zwhead_Deu: Zwhead_Eng: |
|||
| ? | 497 749 40 | Pipe assy. Ш 20 | 1 | EnglischBem: DeutschBem: DeutschDesc: Rohrleitung Ш 20 InternBDB: InternKon: 462 801 40 / 15 SerienBem: Zwhead_Deu: Zwhead_Eng: |
|||
| ? | 371 977 99 | Union | 6 | EnglischBem: DeutschBem: DeutschDesc: Verschraubung InternBDB: FFS 20 /2353 InternKon: 462 801 40 / 7 SerienBem: Zwhead_Deu: Zwhead_Eng: |
|||
| ? | 374 418 99 | Socket | 2 | EnglischBem: DeutschBem: DeutschDesc: Stutzen InternBDB: S 20 R /3901 InternKon: 462 801 40 / 9 SerienBem: Zwhead_Deu: Zwhead_Eng: |
|||
| ? | 370 506 99 | Union | 1 | EnglischBem: DeutschBem: DeutschDesc: Verschraubung InternBDB: CS 20 /2353 InternKon: 462 801 40 / 11 SerienBem: Zwhead_Deu: Zwhead_Eng: |
|||
| ? | 457 294 40 | Visor | 1 | EnglischBem: DeutschBem: DeutschDesc: Blende InternBDB: InternKon: 462 801 40 / 3 SerienBem: Zwhead_Deu: Zwhead_Eng: |
|||
| ? | 457 298 40 | Pipe assy. Ш 20 | 1 | EnglischBem: DeutschBem: DeutschDesc: Rohrleitung Ш 20 InternBDB: InternKon: 462 801 40 / 14 SerienBem: Zwhead_Deu: Zwhead_Eng: |
|||
| ? | 462 802 40 | Pipe assy. Ш 20 | 1 | EnglischBem: DeutschBem: DeutschDesc: Rohrleitung Ш 20 InternBDB: InternKon: 462 801 40 / 16 SerienBem: Zwhead_Deu: Zwhead_Eng: |
|||
| ? | 372 185 99 | Union | 2 | EnglischBem: DeutschBem: DeutschDesc: Verschraubung InternBDB: DDS 20 /2353 InternKon: 462 801 40 / 8 SerienBem: Zwhead_Deu: Zwhead_Eng: |
|||
| ? | 504 420 98 | Non-return valve | 2 | EnglischBem: DeutschBem: DeutschDesc: Rьckschlagventil InternBDB: Ermeto RHZ 20-PSM-ed InternKon: 462 801 40 / 6 SerienBem: Zwhead_Deu: Zwhead_Eng: |
|||
| ? | 371 394 99 | Non-return valve | 2 | EnglischBem: DeutschBem: DeutschDesc: Rьckschlagventil InternBDB: RHV 20-PSM-ed InternKon: SerienBem: Zwhead_Deu: Zwhead_Eng: |
|||
| ? | 004 132 98 | Test socket | 2 | EnglischBem: DeutschBem: DeutschDesc: MinimeЯ-Stutzen InternBDB: B 20-S 010 972 99 InternKon: 462 801 40 / 21 SerienBem: Zwhead_Deu: Zwhead_Eng: |
|||
| ? | 449 155 40 | Visor | 1 | EnglischBem: DeutschBem: DeutschDesc: Blende InternBDB: InternKon: 462 801 40 / 2 SerienBem: Zwhead_Deu: Zwhead_Eng: |
|||
| ? | 374 407 99 | Socket | 1 | EnglischBem: DeutschBem: DeutschDesc: Stutzen InternBDB: L 15 M /3901 InternKon: 462 801 40 / 10 SerienBem: Zwhead_Deu: Zwhead_Eng: |