| Номер на схеме | Каталожный номер | Название | Количество | Детали | |||
|---|---|---|---|---|---|---|---|
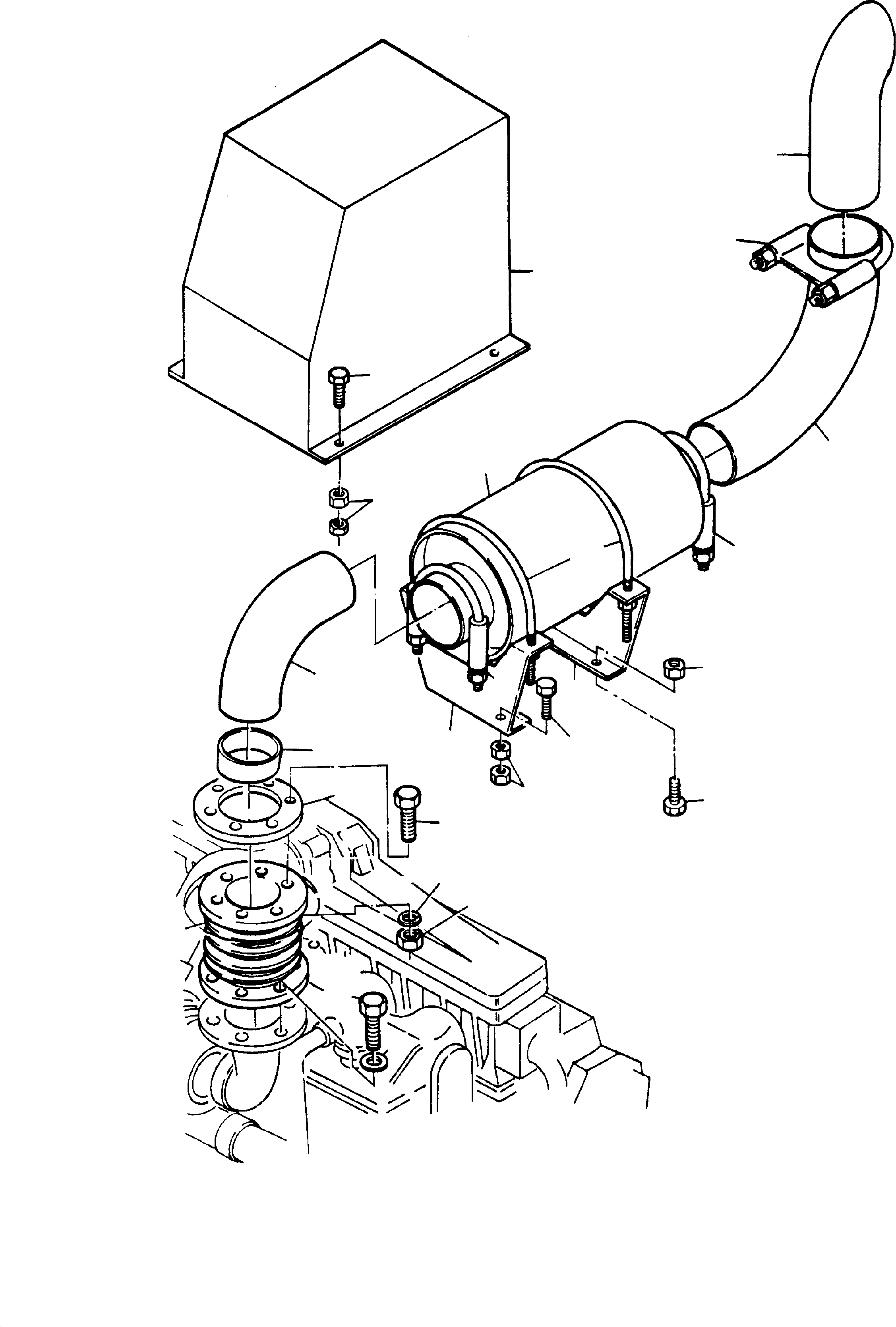
| ? | 270 214 40 | Tail piece | 1 | EnglischBem: DeutschBem: DeutschDesc: Endstьck InternBDB: Donaldson 5ZP20-1434 InternKon: 409 990 40 / 52 SerienBem: Zwhead_Deu: Zwhead_Eng: |
|||
| ? | 424 920 40 | Exhaust pipe | 1 | EnglischBem: DeutschBem: DeutschDesc: Abgasrohr InternBDB: InternKon: 409 990 40 / 51 SerienBem: Zwhead_Deu: Zwhead_Eng: |
|||
| ? | 270 659 40 | Clasp | 3 | EnglischBem: DeutschBem: DeutschDesc: Klammer InternBDB: P20-0587 InternKon: 409 990 40 / 53 SerienBem: Zwhead_Deu: Zwhead_Eng: |
|||
| ? | 414 023 40 | Muffler | 1 | EnglischBem: DeutschBem: DeutschDesc: Schalldдmpfer InternBDB: Fa. Nelson ZG-Nr.19079-F InternKon: 409 990 40 / 49 SerienBem: Zwhead_Deu: Zwhead_Eng: |
|||
| ? | 424 912 40 | Pipe bend | 1 | EnglischBem: DeutschBem: DeutschDesc: Rohrbogen InternBDB: InternKon: 424 900 40 / 6 SerienBem: Zwhead_Deu: Zwhead_Eng: |
|||
| ? | 405 790 40 | Support | 1 | EnglischBem: DeutschBem: DeutschDesc: Stьtze InternBDB: InternKon: 424 900 40 / 7 SerienBem: Zwhead_Deu: Zwhead_Eng: |
|||
| ? | 256 173 40 | Compensator | 1 | EnglischBem: DeutschBem: DeutschDesc: Kompensator InternBDB: Stenflex NW 125-S-F 100 InternKon: 405 860 40 / 16 SerienBem: Zwhead_Deu: Zwhead_Eng: |
|||
| ? | 409 956 40 | Yoke | 2 | EnglischBem: DeutschBem: DeutschDesc: Bьgel InternBDB: InternKon: 409 990 40 / 36 SerienBem: Zwhead_Deu: Zwhead_Eng: |
|||
| ? | 405 881 40 | Hood | 1 | EnglischBem: DeutschBem: DeutschDesc: Haube InternBDB: InternKon: 424 900 40 / 11 SerienBem: Zwhead_Deu: Zwhead_Eng: |
|||
| ? | 308 631 99 | Bolt | 8 | EnglischBem: DeutschBem: DeutschDesc: Schraube InternBDB: M16x50 /933 InternKon: 424 900 40 / 54 SerienBem: Zwhead_Deu: Zwhead_Eng: |
|||
| ? | 332 336 99 | Nut | 8 | EnglischBem: DeutschBem: DeutschDesc: Mutter InternBDB: M16 /934 InternKon: 424 900 40 / 57 SerienBem: Zwhead_Deu: Zwhead_Eng: |
|||
| ? | 346 502 99 | Lock washer | 8 | EnglischBem: DeutschBem: DeutschDesc: Federring InternBDB: 16 /128 InternKon: 424 900 40 / 58 SerienBem: Zwhead_Deu: Zwhead_Eng: |
|||
| ? | 424 913 40 | Pipe | 1 | EnglischBem: DeutschBem: DeutschDesc: AnpaЯrohr InternBDB: InternKon: 424 900 40 / 12 SerienBem: Zwhead_Deu: Zwhead_Eng: |
|||
| ? | 242 653 40 | Flange | 1 | EnglischBem: DeutschBem: DeutschDesc: Flansch InternBDB: InternKon: 424 900 40 / 13 SerienBem: Zwhead_Deu: Zwhead_Eng: |
|||
| ? | 436 900 40 | Bracket | 1 | EnglischBem: DeutschBem: DeutschDesc: Stьtze InternBDB: InternKon: 424 900 40 / 25 SerienBem: Zwhead_Deu: Zwhead_Eng: |
|||
| ? | 307 344 99 | Bolt | 10 | EnglischBem: DeutschBem: DeutschDesc: Schraube InternBDB: M12x30 /933 InternKon: 424 900 40 / 52 SerienBem: Zwhead_Deu: Zwhead_Eng: |
|||
| ? | 332 334 99 | Nut | 20 | EnglischBem: DeutschBem: DeutschDesc: Mutter InternBDB: M12 /934 InternKon: 424 900 40 / 55 SerienBem: Zwhead_Deu: Zwhead_Eng: |
|||
| ? | 307 822 99 | Bolt | 4 | EnglischBem: DeutschBem: DeutschDesc: Schraube InternBDB: M16x30 /933 InternKon: 405 860 40 / 35 SerienBem: Zwhead_Deu: Zwhead_Eng: |
|||
| ? | 343 008 99 | Washer | 4 | EnglischBem: DeutschBem: DeutschDesc: Scheibe InternBDB: 17 /93 InternKon: 405 860 40 / 43 SerienBem: Zwhead_Deu: Zwhead_Eng: |