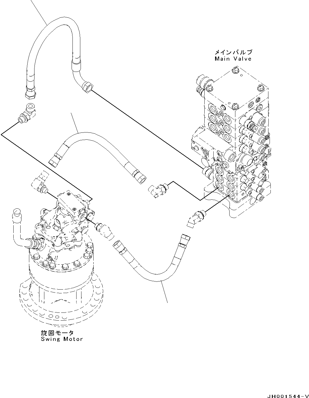
| Номер на схеме | Каталожный номер | Название | Количество | Детали | |||
|---|---|---|---|---|---|---|---|
| ? | 203-62-14570 | Hose | 1 | SN: C30001- |
|||
| ? | 203-62-14580 | Hose | 1 | SN: C30001- |
|||
| ? | 203-62-14610 | Hose | 1 | SN: C30001- |
| Номер на схеме | Каталожный номер | Название | Количество | Детали | |||
|---|---|---|---|---|---|---|---|
| ? | 203-62-14570 | Hose | 1 | SN: C30001- |
|||
| ? | 203-62-14580 | Hose | 1 | SN: C30001- |
|||
| ? | 203-62-14610 | Hose | 1 | SN: C30001- |