| Номер на схеме | Каталожный номер | Название | Количество | Детали | |||
|---|---|---|---|---|---|---|---|
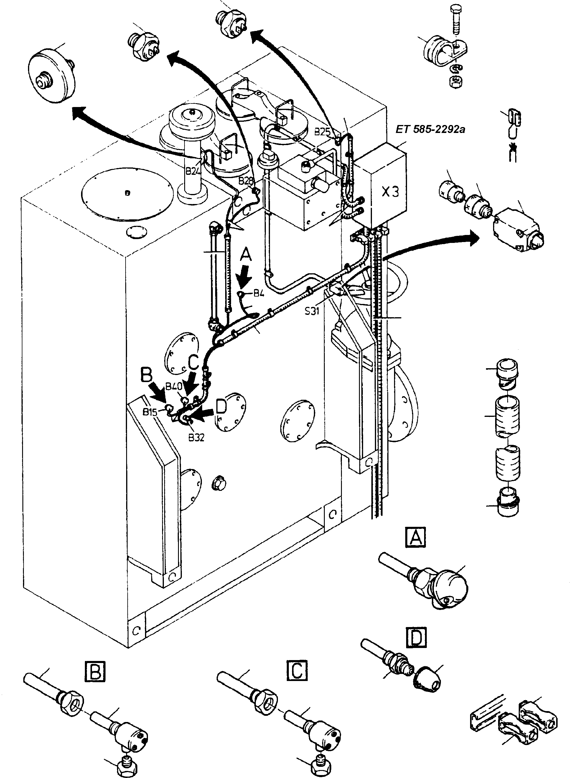
| ? | 255 721 40 | Maintenance switch | 1 | EnglischBem: DeutschBem: DeutschDesc: Wartungsschalter InternBDB: Ma.u.Hu. 3900062/903 InternKon: SerienBem: Zwhead_Deu: Zwhead_Eng: |
|||
| ? | 255 745 40 | Rubber grommet | 1 | EnglischBem: DeutschBem: DeutschDesc: Gummitьlle InternBDB: 313.0558.000 InternKon: SerienBem: Zwhead_Deu: Zwhead_Eng: |
|||
| ? | 694 642 73 | Reducing union | 2 | EnglischBem: DeutschBem: DeutschDesc: Reduzierverschraubung InternBDB: Sievert 246 6445 InternKon: SerienBem: Zwhead_Deu: Zwhead_Eng: |
|||
| ? | 192 165 40 | Pressure switch | 1 | EnglischBem: DeutschBem: DeutschDesc: Druckschalter InternBDB: Westinghouse 441 014 0210 InternKon: SerienBem: Zwhead_Deu: Zwhead_Eng: |
|||
| ? | 084 020 40 | Pressure switch | 1 | EnglischBem: DeutschBem: DeutschDesc: Druckschalter InternBDB: 441 014 0050 InternKon: SerienBem: Zwhead_Deu: Zwhead_Eng: |
|||
| ? | 059 402 40 | Thermosender | 1 | EnglischBem: DeutschBem: DeutschDesc: Thermometer-Geber InternBDB: VDO 323.801.001. 026 InternKon: SerienBem: Zwhead_Deu: Zwhead_Eng: |
|||
| ? | 461 392 40 | Temperature transmitter | 1 | EnglischBem: DeutschBem: DeutschDesc: Temperaturgeber InternBDB: PT100 (bei ECS) InternKon: SerienBem: Zwhead_Deu: Zwhead_Eng: |
|||
| ? | 356 239 40 | Cable protection hose PG 13.5 Bulk ware, state length required | A/R | EnglischBem: DeutschBem: DeutschDesc: Schutzschlauchleitung PG 13,5
Meterware, bei Bestellung
Lдnge an InternBDB: 0220.101.013 InternKon: SerienBem: Zwhead_Deu: Zwhead_Eng: |
|||
| ? | 356 242 40 | Cable protection hose PG 21 Bulk ware, state length required | A/R | EnglischBem: DeutschBem: DeutschDesc: Schutzschlauchleitung PG 21
Meterware, bei Bestellung
Lдnge ange InternBDB: 220.101.021 InternKon: SerienBem: Zwhead_Deu: Zwhead_Eng: |
|||
| ? | 356 238 40 | Cable protection hose PG 9 Bulk ware, state length required | A/R | EnglischBem: DeutschBem: DeutschDesc: Schutzschlauchleitung PG 9
Meterware, bei Bestellung
Lдnge angeb InternBDB: 0220.101.010 InternKon: SerienBem: Zwhead_Deu: Zwhead_Eng: |
|||
| ? | 356 246 40 | Socket PG 9 | 4 | EnglischBem: DeutschBem: DeutschDesc: Innentьlle PG 9 InternBDB: 520.030.009 InternKon: SerienBem: Zwhead_Deu: Zwhead_Eng: |
|||
| ? | 356 250 40 | Socket PG 21 | 4 | EnglischBem: DeutschBem: DeutschDesc: Innentьlle PG 21 InternBDB: 520.030.021 InternKon: SerienBem: Zwhead_Deu: Zwhead_Eng: |
|||
| ? | 358 273 40 | Series terminal | A/R | EnglischBem: DeutschBem: DeutschDesc: Reihenschelle InternBDB: 225 2014 InternKon: SerienBem: Zwhead_Deu: Zwhead_Eng: |
|||
| ? | 358 274 40 | Series terminal | A/R | EnglischBem: DeutschBem: DeutschDesc: Reihenschelle InternBDB: 225 5022 InternKon: SerienBem: Zwhead_Deu: Zwhead_Eng: |
|||
| ? | 055 515 | Cable Bulk ware, state length required | A/R | EnglischBem: DeutschBem: DeutschDesc: Kabel
Meterware, bei Bestellung
Lдnge angeben InternBDB: 2x0,75 InternKon: SerienBem: Zwhead_Deu: Zwhead_Eng: |
|||
| ? | 502 609 98 | Cable Bulk ware, state length required | A/R | EnglischBem: DeutschBem: DeutschDesc: Kabel
Meterware, bei Bestellung
Lдnge angeben InternBDB: 1 qmm InternKon: SerienBem: Zwhead_Deu: Zwhead_Eng: |
|||
| ? | 440 868 40 | Oil level switch | 1 | EnglischBem: DeutschBem: DeutschDesc: Цlstandsschalter InternBDB: SIE SENSORIK Sk1-MODE-3/8-P-NB-S InternKon: SerienBem: Zwhead_Deu: Zwhead_Eng: |
|||
| ? | 269 870 40 | Cover tube | 2 | EnglischBem: DeutschBem: DeutschDesc: Schutzrohr InternBDB: Noris MX2 /R 12 InternKon: SerienBem: Zwhead_Deu: Zwhead_Eng: |
|||
| ? | 323 249 40 | Sensor | 1 | EnglischBem: DeutschBem: DeutschDesc: Temperaturfьhler InternBDB: Noris TH31/40 ?-120 ? InternKon: SerienBem: Zwhead_Deu: Zwhead_Eng: |
|||
| ? | 269 869 40 | Sensor | 1 | EnglischBem: DeutschBem: DeutschDesc: Temperaturfьhler InternBDB: TH32/0-70 InternKon: SerienBem: Zwhead_Deu: Zwhead_Eng: |
|||
| ? | 356 248 40 | Socket | 4 | EnglischBem: DeutschBem: DeutschDesc: Innentьlle InternBDB: 520.030.013 InternKon: SerienBem: Zwhead_Deu: Zwhead_Eng: |
|||
| ? | 006 302 98 | Clamp | 20 | EnglischBem: DeutschBem: DeutschDesc: Schelle InternBDB: RSGU 1100 15/15 InternKon: SerienBem: Zwhead_Deu: Zwhead_Eng: |
|||
| ? | 695 563 73 | Limit switch | 1 | EnglischBem: DeutschBem: DeutschDesc: Endschalter InternBDB: Siemens 3SE3 120-1c InternKon: SerienBem: Zwhead_Deu: Zwhead_Eng: |
|||
| ? | 600 812 99 | Reducing union | 1 | EnglischBem: DeutschBem: DeutschDesc: Reduzierverschraubung InternBDB: PG13,5-11 InternKon: SerienBem: Zwhead_Deu: Zwhead_Eng: |
|||
| ? | 600 909 99 | Reducing union | 1 | EnglischBem: DeutschBem: DeutschDesc: Reduzierverschraubung InternBDB: PG11-9 InternKon: SerienBem: Zwhead_Deu: Zwhead_Eng: |
|||
| ? | 055 100 40 | Cable shoe | 15 | EnglischBem: DeutschBem: DeutschDesc: Isolierkabelschuh InternBDB: InternKon: SerienBem: Zwhead_Deu: Zwhead_Eng: |