| Наименование | Страница | Код страницы |
|---|---|---|
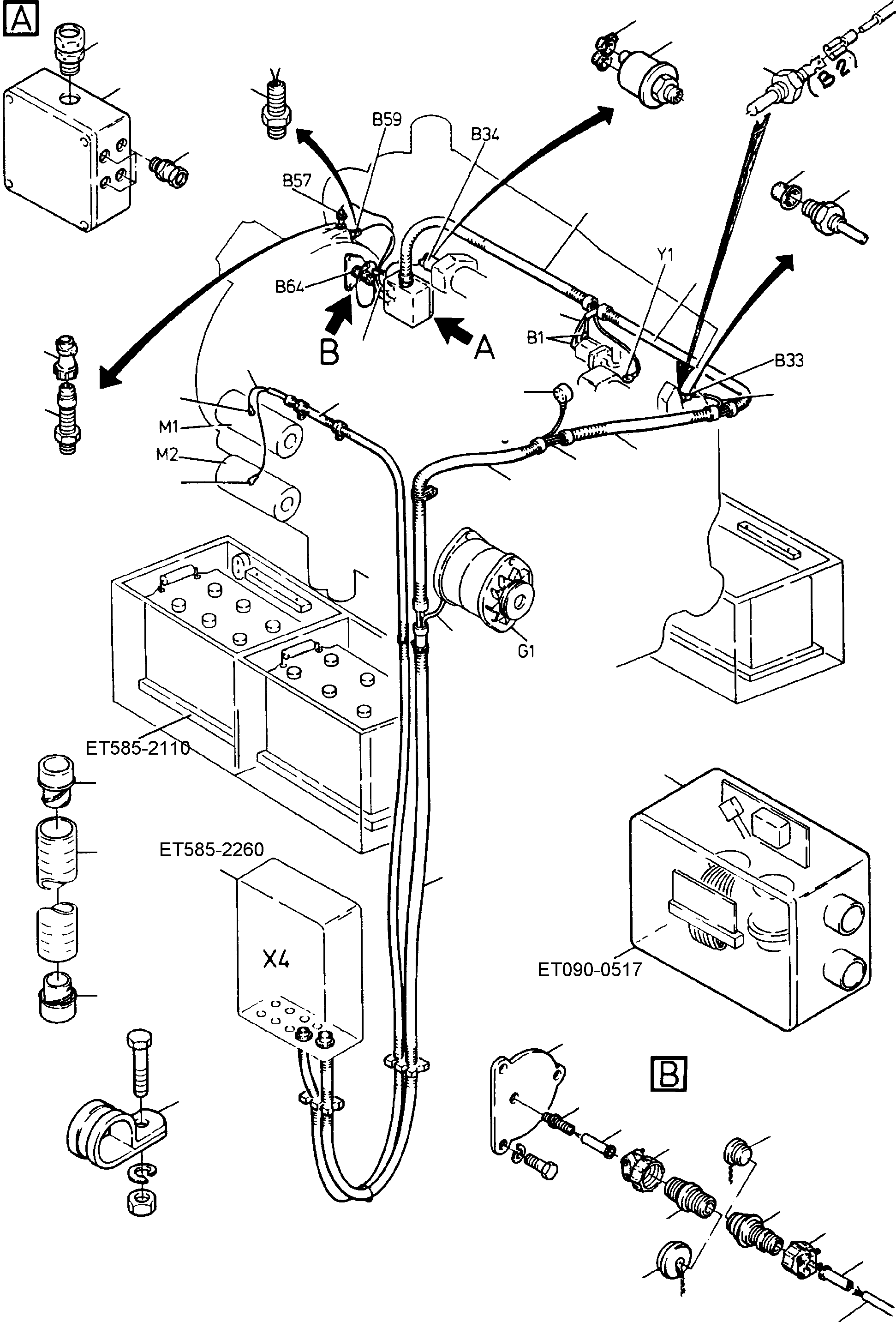
| Engine Saver 550 | 090-0517 | 090-0517 |
| Номер на схеме | Каталожный номер | Название | Количество | Детали | |||
|---|---|---|---|---|---|---|---|
| ? | 356 242 40 | Protecting hose PG 21 Bulk ware, state length required | A/R | EnglischBem: DeutschBem: DeutschDesc: Schutzschlauch PG 21
Meterware, bei Bestellung
Lдnge angeben InternBDB: 220.101.021 InternKon: SerienBem: Zwhead_Deu: Zwhead_Eng: |
|||
| ? | 356 239 40 | Protecting hose PG 11 Bulk ware, state length required | A/R | EnglischBem: DeutschBem: DeutschDesc: Schutzschlauch PG 11
Meterware, bei Bestellung
Lдnge angeben InternBDB: 220.101.013 InternKon: SerienBem: Zwhead_Deu: Zwhead_Eng: |
|||
| ? | 356 250 40 | Socket | 8 | EnglischBem: DeutschBem: DeutschDesc: Innentьlle InternBDB: Sievert 520.030.21 InternKon: SerienBem: Zwhead_Deu: Zwhead_Eng: |
|||
| ? | 356 247 40 | Socket | 4 | EnglischBem: DeutschBem: DeutschDesc: Innentьlle InternBDB: 520.030.011 InternKon: SerienBem: Zwhead_Deu: Zwhead_Eng: |
|||
| ? | 471 861 99 | Cable Bulk ware, state length required | A/R | EnglischBem: DeutschBem: DeutschDesc: Kabel
Meterware, bei Bestellung
Lдnge angeben InternBDB: x1 qmm InternKon: SerienBem: Zwhead_Deu: Zwhead_Eng: |
|||
| ? | 471 719 99 | Cable Bulk ware, state length required | A/R | EnglischBem: DeutschBem: DeutschDesc: Kabel
Meterware, bei Bestellung
Lдnge angeben InternBDB: 6 qmm InternKon: SerienBem: Zwhead_Deu: Zwhead_Eng: |
|||
| ? | 255 745 40 | Rubber grommet | 6 | EnglischBem: DeutschBem: DeutschDesc: Gummitьlle InternBDB: Soeffing 313.0558.000 InternKon: SerienBem: Zwhead_Deu: Zwhead_Eng: |
|||
| ? | 056 076 40 | Rubber grommet | 4 | EnglischBem: DeutschBem: DeutschDesc: Gummitьlle InternBDB: InternKon: SerienBem: Zwhead_Deu: Zwhead_Eng: |
|||
| ? | 006 302 98 | Clamp | 20 | EnglischBem: DeutschBem: DeutschDesc: Schelle InternBDB: RSGU 1100 15/15 InternKon: SerienBem: Zwhead_Deu: Zwhead_Eng: |
|||
| ? | 431 169 40 | Thermosender (cooling water) | 1 | EnglischBem: DeutschBem: DeutschDesc: Thermogeber (Kьhlwasser) InternBDB: Motor-Meter 642.007.1009 InternKon: SerienBem: Zwhead_Deu: Zwhead_Eng: |
|||
| ? | 256 732 40 | Oil pressure switch | 1 | EnglischBem: DeutschBem: DeutschDesc: Цldruckschalter InternBDB: GM 510 0678 InternKon: SerienBem: Zwhead_Deu: Zwhead_Eng: |
|||
| ? | 414 899 40 | Rpm-sensor | 1 | EnglischBem: DeutschBem: DeutschDesc: Motordrehzahlsensor InternBDB: Cummins 303 9524 3/4-16 InternKon: SerienBem: Zwhead_Deu: Zwhead_Eng: |
|||
| ? | 255 034 40 | Housing, empty | 1 | EnglischBem: DeutschBem: DeutschDesc: Leergehдuse InternBDB: Bopla A 105 InternKon: SerienBem: Zwhead_Deu: Zwhead_Eng: |
|||
| ? | 323 354 40 | Cable union | 1 | EnglischBem: DeutschBem: DeutschDesc: Kabelverschraubung InternBDB: InternKon: SerienBem: Zwhead_Deu: Zwhead_Eng: |
|||
| ? | 323 950 40 | Cable union | 4 | EnglischBem: DeutschBem: DeutschDesc: Kabelverschraubung InternBDB: 5010.100.009 InternKon: SerienBem: Zwhead_Deu: Zwhead_Eng: |
|||
| ? | 514 694 40 | Cover | 1 | EnglischBem: DeutschBem: DeutschDesc: Deckel InternBDB: InternKon: SerienBem: Zwhead_Deu: Zwhead_Eng: |
|||
| ? | 696 832 73 | Magnetic pickup (engine-saver) | 1 | EnglischBem: DeutschBem: DeutschDesc: Motordrehzahlsensor
(Engine-Saver) InternBDB: Flight Syst. 57-A995-06 5/8-18 InternKon: SerienBem: Zwhead_Deu: Zwhead_Eng: |
|||
| ? | 057 299 40 | Plug | 1 | EnglischBem: DeutschBem: DeutschDesc: Stecker InternBDB: Cannon CA 3106 E10 SL-35-F 80 InternKon: SerienBem: Zwhead_Deu: Zwhead_Eng: |
|||
| ? | 461 350 40 | Magnetic pickup (rpm-relay) | 1 | EnglischBem: DeutschBem: DeutschDesc: Motordrehzahlsensor
(Drehzahlschaltgerдt) InternBDB: Cummins 303 4572 InternKon: SerienBem: Zwhead_Deu: Zwhead_Eng: |
|||
| ? | 696 167 73 | Grommet | 2 | EnglischBem: DeutschBem: DeutschDesc: Kabeltьlle InternBDB: Amphenol 3420-6 InternKon: SerienBem: Zwhead_Deu: Zwhead_Eng: |
|||
| ? | 696 166 73 | Cable strain relief | 2 | EnglischBem: DeutschBem: DeutschDesc: Kabelzugentlastung InternBDB: Amphenol MS-3057-4A InternKon: SerienBem: Zwhead_Deu: Zwhead_Eng: |
|||
| ? | 696 165 73 | Joint box | 1 | EnglischBem: DeutschBem: DeutschDesc: Kabeldose InternBDB: Amphenol MS 3101 A 10 SL - 3 P InternKon: SerienBem: Zwhead_Deu: Zwhead_Eng: |
|||
| ? | 696 160 73 | Plug | 1 | EnglischBem: DeutschBem: DeutschDesc: Kabelstecker InternBDB: Amphenol MS 3106 A 10 SL - 3 S InternKon: SerienBem: Zwhead_Deu: Zwhead_Eng: |
|||
| ? | 471 861 99 | Cable Bulk ware, state length required | A/R | EnglischBem: DeutschBem: DeutschDesc: Kabel
Meterware, bei Bestellung
Lдnge angeben InternBDB: x1 qmm InternKon: SerienBem: Zwhead_Deu: Zwhead_Eng: |
|||
| ? | 696 169 73 | Dust cap | 1 | EnglischBem: DeutschBem: DeutschDesc: Staubkappe InternBDB: Amphenol MS 25042-10D InternKon: SerienBem: Zwhead_Deu: Zwhead_Eng: |
|||
| ? | 696 168 73 | Dust cap | 1 | EnglischBem: DeutschBem: DeutschDesc: Staubkappe InternBDB: Amphenol MS 25043-10D InternKon: SerienBem: Zwhead_Deu: Zwhead_Eng: |
|||
| ? | 323 249 40 | Test insert | 1 | EnglischBem: DeutschBem: DeutschDesc: MeЯeinsatz InternBDB: Noris TH31/40-120 ?C InternKon: SerienBem: Zwhead_Deu: Zwhead_Eng: |
|||
| ? | 269 870 40 | Cover tube | 1 | EnglischBem: DeutschBem: DeutschDesc: Schutzrohr InternBDB: MX 2/12 R 1/2 InternKon: SerienBem: Zwhead_Deu: Zwhead_Eng: |
|||
| ? | 761 357 73 | Sensor | 1 | EnglischBem: DeutschBem: DeutschDesc: Sensor InternBDB: Flight Syst. 57-5500-55 InternKon: SerienBem: Zwhead_Deu: Zwhead_Eng: |