| Наименование | Страница | Код страницы |
|---|---|---|
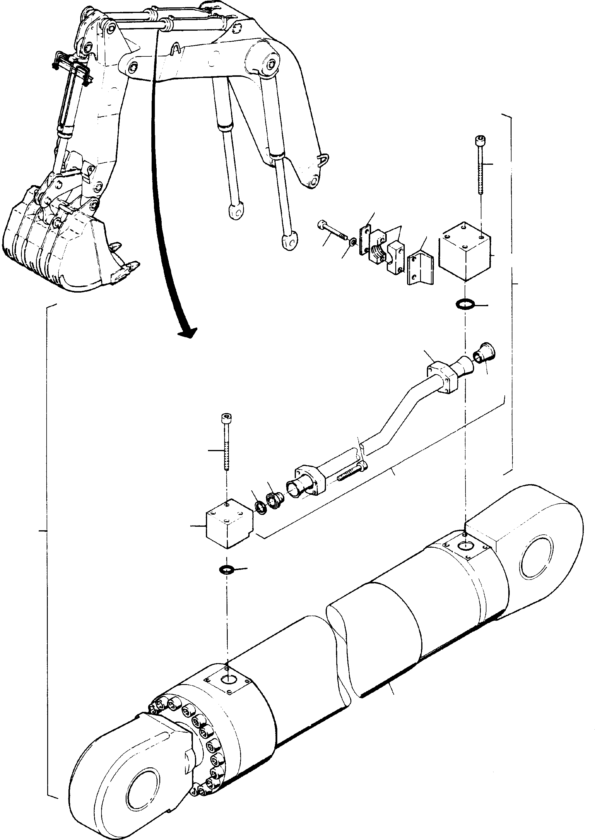
| Hydraulic Cylinder | 585-4176c | 585-4176c |
| Номер на схеме | Каталожный номер | Название | Количество | Детали | |||
|---|---|---|---|---|---|---|---|
| ? | 627 534 40 | Stick cylinder consist. of fig-nos: 02+03 | 2 | EnglischBem: DeutschBem: DeutschDesc: Stielzylinder
best. aus Bild-Nr. 02+03 InternBDB: InternKon: 497 970 40 / 5 SerienBem: Zwhead_Deu: Zwhead_Eng: |
|||
| ? | 494 191 40 | Pipes, l.h. and r.h. consist. of fig-nos: 04-20 | 1 | EnglischBem: DeutschBem: DeutschDesc: Verrohrung, links u. rechts
best. aus Bild-Nr. 04-20 InternBDB: E-ST InternKon: 627 534 40 / 2 SerienBem: Zwhead_Deu: Zwhead_Eng: |
|||
| ? | 304 142 40 | Connecting block | 1 | EnglischBem: DeutschBem: DeutschDesc: AnschluЯklotz InternBDB: 1 1/2" InternKon: 494 191 40 / 1 SerienBem: Zwhead_Deu: Zwhead_Eng: |
|||
| ? | 438 959 40 | Connecting block | 1 | EnglischBem: DeutschBem: DeutschDesc: AnschluЯklotz InternBDB: 1 1/2" InternKon: 494 191 40 / 2 SerienBem: Zwhead_Deu: Zwhead_Eng: |
|||
| ? | 698 822 73 | Pipe assy. Ш 50 | 1 | EnglischBem: DeutschBem: DeutschDesc: Rohrleitung kpl. Ш 50 InternBDB: E-ST InternKon: SerienBem: Zwhead_Deu: Zwhead_Eng: |
|||
| ? | 301 894 40 | Weld on angle | 1 | EnglischBem: DeutschBem: DeutschDesc: AnschweiЯwinkel InternBDB: W 1 /6 S /011 839 99 InternKon: 494 191 40 / 4 SerienBem: Zwhead_Deu: Zwhead_Eng: |
|||
| ? | 502 977 98 | Half clamp | 2 | EnglischBem: DeutschBem: DeutschDesc: Schellenhдlfte InternBDB: H-CS 6/50 /011 839 99 InternKon: 494 191 40 / 5 SerienBem: Zwhead_Deu: Zwhead_Eng: |
|||
| ? | 534 008 99 | Plate | 1 | EnglischBem: DeutschBem: DeutschDesc: Platte InternBDB: DS 6 / 011 839 99 InternKon: 494 191 40 / 6 SerienBem: Zwhead_Deu: Zwhead_Eng: |
|||
| ? | 500 127 98 | Flange | 2 | EnglischBem: DeutschBem: DeutschDesc: Flansch InternBDB: FE 5000-24/6 011 747 99 InternKon: 494 191 40 / 7 SerienBem: Zwhead_Deu: Zwhead_Eng: |
|||
| ? | 500 203 98 | Ring | 1 | EnglischBem: DeutschBem: DeutschDesc: Ring InternBDB: KO-5060-24/ 011 747 99 InternKon: 494 191 40 / 8 SerienBem: Zwhead_Deu: Zwhead_Eng: |
|||
| ? | 501 898 98 | Ring | 1 | EnglischBem: DeutschBem: DeutschDesc: Ring InternBDB: K-5060-24/ 011 747 99 InternKon: 494 191 40 / 9 SerienBem: Zwhead_Deu: Zwhead_Eng: |
|||
| ? | 319 289 99 | Bolt | 4 | EnglischBem: DeutschBem: DeutschDesc: Schraube InternBDB: M16x60 /912 InternKon: 494 191 40 / 10 SerienBem: Zwhead_Deu: Zwhead_Eng: |
|||
| ? | 319 303 99 | Bolt | 4 | EnglischBem: DeutschBem: DeutschDesc: Schraube InternBDB: M16x140 /912 InternKon: 494 191 40 / 11 SerienBem: Zwhead_Deu: Zwhead_Eng: |
|||
| ? | 319 193 99 | Bolt | 4 | EnglischBem: DeutschBem: DeutschDesc: Schraube InternBDB: M16x110 /912 InternKon: 494 191 40 / 12 SerienBem: Zwhead_Deu: Zwhead_Eng: |
|||
| ? | 308 459 99 | Bolt | 2 | EnglischBem: DeutschBem: DeutschDesc: Schraube InternBDB: M12x100 /931 InternKon: 494 191 40 / 13 SerienBem: Zwhead_Deu: Zwhead_Eng: |
|||
| ? | 343 006 99 | Washer | 2 | EnglischBem: DeutschBem: DeutschDesc: Scheibe InternBDB: 13 /93 InternKon: 494 191 40 / 14 SerienBem: Zwhead_Deu: Zwhead_Eng: |
|||
| ? | 356 209 40 | Quadring | 1 | EnglischBem: DeutschBem: DeutschDesc: Rechteckring InternBDB: Bu. u. Lu. 48,6x2,79x3,2 InternKon: 494 191 40 / 15 SerienBem: Zwhead_Deu: Zwhead_Eng: |
|||
| ? | 367 135 99 | O-ring | 1 | EnglischBem: DeutschBem: DeutschDesc: O-Ring InternBDB: 67x4 B /3770 InternKon: 494 191 40 / 16 SerienBem: Zwhead_Deu: Zwhead_Eng: |
|||
| ? | 006 728 98 | O-ring | 1 | EnglischBem: DeutschBem: DeutschDesc: O-Ring InternBDB: 47x4 B / 011 745 99 InternKon: 494 191 40 / 17 SerienBem: Zwhead_Deu: Zwhead_Eng: |