k-part
Номер на схеме Каталожный номер Название Количество Детали
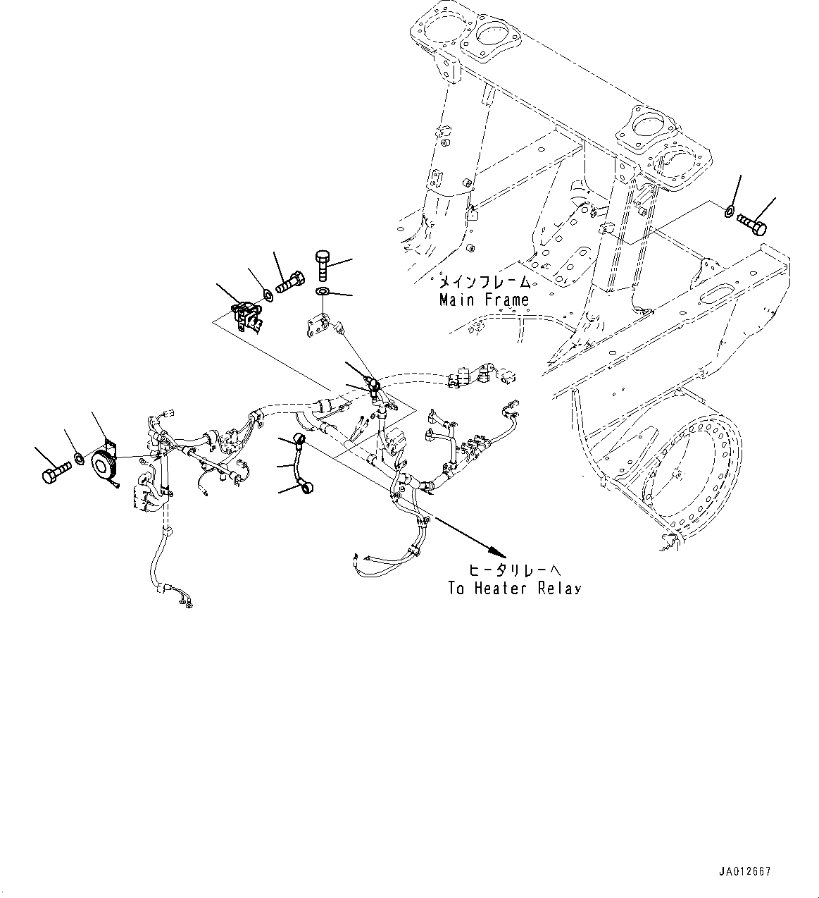
? 11Y-06-11391 Switch, Starter Relay 1
SN: 60001-
KIT-FLAG: _-
SCC:
SERIALNO: 60001-
? 01010-80820 Bolt 2
SN: 60001-
KIT-FLAG: _-
SCC:
SERIALNO: 60001-
? 01643-30823 Washer 2
SN: 60001-
KIT-FLAG: _-
SCC:
SERIALNO: 60001-
? 11Y-06-31391 Cable 1
SN: 60001-
KIT-FLAG: _-
SCC:
SERIALNO: 60001-
? 01010-80616 Bolt 2
SN: 60001-
KIT-FLAG: _-
SCC:
SERIALNO: 60001-
? 01643-30623 Washer 2
SN: 60001-
KIT-FLAG: _-
SCC:
SERIALNO: 60001-
? 08038-00519 Cap, Terminal 1
SN: 60001-
KIT-FLAG: _-
SCC:
SERIALNO: 60001-
? 08038-02027 Cap 2
SN: 60001-
KIT-FLAG: _-
SCC:
SERIALNO: 60001-
? 11Y-06-11630 Cap 1
SN: 60001-
KIT-FLAG: _-
SCC:
SERIALNO: 60001-
? 19M-06-18220 Horn 1
SN: 60001-
KIT-FLAG: _-
SCC:
SERIALNO: 60001-
? 01010-80820 Bolt 2
SN: 60001-
KIT-FLAG: _-
SCC:
SERIALNO: 60001-
? 01643-30823 Washer 2
SN: 60001-
KIT-FLAG: _-
SCC:
SERIALNO: 60001-
? 01010-81016 Bolt 1
SN: 60001-
KIT-FLAG: _-
SCC:
SERIALNO: 60001-
? 01643-31032 Washer 1
SN: 60001-
KIT-FLAG: _-
SCC:
SERIALNO: 60001-

Bulldozers Komatsu / D37PX-22 S/N 60001-UP (EU Spec.)(0000142c) / Electric Wiring Harness, Relay and Horn (#60001-)(E005003 : E0200-004003)
?
?
?
?
?
?
?
?
?
?
?
?
?
?
?