k-part
Номер на схеме Каталожный номер Название Количество Детали
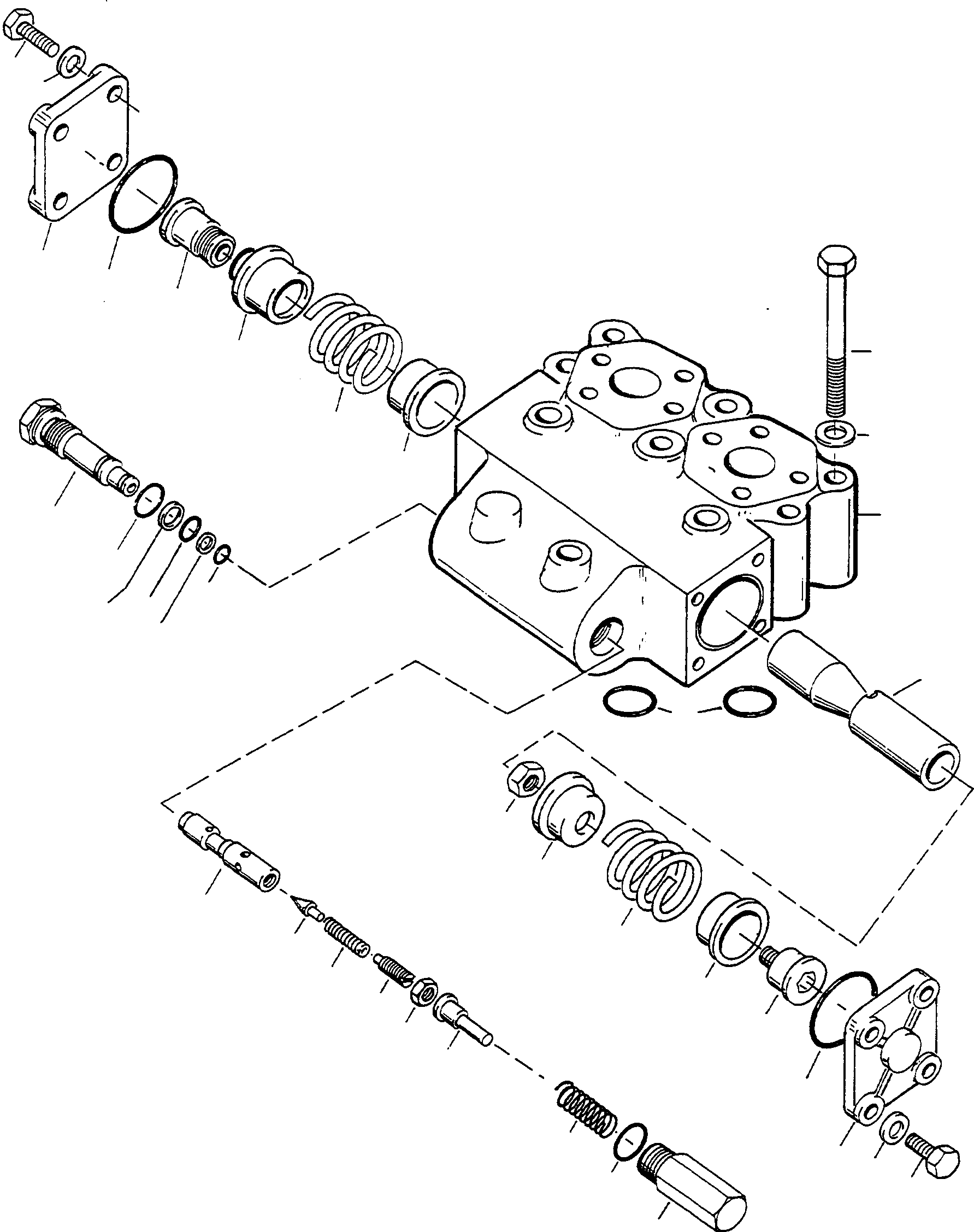
? 2947129M1 SCREW 6
EnglischBem:
DeutschBem:
FranzBem:
ItalBem:
SpanBem:
DeutschDesc: SCHRAUBE
FranzDesc: VIS
ItalDesc: VITE
SpanDesc: TORNILLO
? 2947133M1 PLAIN WASHER 6
EnglischBem:
DeutschBem:
FranzBem:
ItalBem:
SpanBem:
DeutschDesc: UNTERLEGSCHEIBE
FranzDesc: RONDELLE
ItalDesc: RONDELLA
SpanDesc: ARANDELA
? 1444791X1 O-RING 2
EnglischBem:
DeutschBem:
FranzBem:
ItalBem:
SpanBem:
DeutschDesc: O-RING
FranzDesc: JOINT TORIQUE
ItalDesc: ANELLO OR
SpanDesc: JUNTA TORICA
? HOUSING 1
EnglischBem: ORDER 4202 412 M91
DeutschBem: BESTELLE 4202 412 M91
FranzBem: COMMANDER 4202 412 M91
ItalBem: ORDINARE 4202 412 M91
SpanBem: PEDIR 4202 412 M91
DeutschDesc: GEHAEUSE
FranzDesc: CARTER
ItalDesc: CARCASSA
SpanDesc: CARCASA
? 2947125M1 SCREW 8
EnglischBem:
DeutschBem:
FranzBem:
ItalBem:
SpanBem:
DeutschDesc: SCHRAUBE
FranzDesc: VIS
ItalDesc: VITE
SpanDesc: TORNILLO
? 390972X1 PLAIN WASHER 8
EnglischBem:
DeutschBem:
FranzBem:
ItalBem:
SpanBem:
DeutschDesc: UNTERLEGSCHEIBE
FranzDesc: RONDELLE
ItalDesc: RONDELLA
SpanDesc: ARANDELA
? 3235629M1 COVER 2
EnglischBem:
DeutschBem:
FranzBem:
ItalBem:
SpanBem:
DeutschDesc: DECKEL
FranzDesc: COUVERCLE
ItalDesc: COPERCHIO
SpanDesc: CUBIERTA
? 2947139M1 SEAL 2
EnglischBem:
DeutschBem:
FranzBem:
ItalBem:
SpanBem:
DeutschDesc: DICHTRING
FranzDesc: BAGUE ETANCHEITE
ItalDesc: TENUTA
SpanDesc: RETEN
? 1892770M1 PIN 1
EnglischBem:
DeutschBem:
FranzBem:
ItalBem:
SpanBem:
DeutschDesc: BOLZEN
FranzDesc: BOULON
ItalDesc: PERNO
SpanDesc: PERNO
? 3077688M1 SPRING POT 2
EnglischBem:
DeutschBem:
FranzBem:
ItalBem:
SpanBem:
DeutschDesc: FEDERTOPF
FranzDesc: SIEGE RESSORT
ItalDesc: SEDE ELASTICA
SpanDesc: ASIENTO DE MUELL
? 2947142M1 SPRING 2
EnglischBem:
DeutschBem:
FranzBem:
ItalBem:
SpanBem:
DeutschDesc: FEDER
FranzDesc: RESSORT
ItalDesc: MOLLA
SpanDesc: MUELLE
? 1892652M1 SPRING POT 1
EnglischBem:
DeutschBem:
FranzBem:
ItalBem:
SpanBem:
DeutschDesc: FEDERTOPF
FranzDesc: SIEGE RESSORT
ItalDesc: SEDE ELASTICA
SpanDesc: ASIENTO DE MUELL
? 1892788M1 NUT 1
EnglischBem:
DeutschBem:
FranzBem:
ItalBem:
SpanBem:
DeutschDesc: MUTTER
FranzDesc: ECROU
ItalDesc: DADO
SpanDesc: TUERCA
? PISTON 1
EnglischBem: ORDER 4202 412 M91
DeutschBem: BESTELLE 4202 412 M91
FranzBem: COMMANDER 4202 412 M91
ItalBem: ORDINARE 4202 412 M91
SpanBem: PEDIR 4202 412 M91
DeutschDesc: KOLBEN
FranzDesc: PISTON
ItalDesc: PISTONE
SpanDesc: PISTON
? 3235630M1 SPRING POT 1
EnglischBem:
DeutschBem:
FranzBem:
ItalBem:
SpanBem:
DeutschDesc: FEDERTOPF
FranzDesc: SIEGE RESSORT
ItalDesc: SEDE ELASTICA
SpanDesc: ASIENTO DE MUELL
? 3077687M1 PIN 1
EnglischBem:
DeutschBem:
FranzBem:
ItalBem:
SpanBem:
DeutschDesc: BOLZEN
FranzDesc: BOULON
ItalDesc: PERNO
SpanDesc: PERNO
? 4907629M1 PLUG 1
EnglischBem:
DeutschBem:
FranzBem:
ItalBem:
SpanBem:
DeutschDesc: VERSCHLUSSSTOPFEN
FranzDesc: BOUCHON
ItalDesc: TAPPO
SpanDesc: TAPON
? 4907630M1 O-RING 2
EnglischBem:
DeutschBem:
FranzBem:
ItalBem:
SpanBem:
DeutschDesc: O-RING
FranzDesc: JOINT TORIQUE
ItalDesc: ANELLO OR
SpanDesc: JUNTA TORICA
? 3007810X1 O-RING 1
EnglischBem:
DeutschBem:
FranzBem:
ItalBem:
SpanBem:
DeutschDesc: O-RING
FranzDesc: JOINT TORIQUE
ItalDesc: ANELLO OR
SpanDesc: JUNTA TORICA
? 4907632M1 BACK-UP RING 1
EnglischBem:
DeutschBem:
FranzBem:
ItalBem:
SpanBem:
DeutschDesc: STUETZRING
FranzDesc: CONTRE BAGUE
ItalDesc: ANELLO APPOGGIO
SpanDesc: ANILLA
? 4907633M1 O-RING 1
EnglischBem:
DeutschBem:
FranzBem:
ItalBem:
SpanBem:
DeutschDesc: O-RING
FranzDesc: JOINT TORIQUE
ItalDesc: ANELLO OR
SpanDesc: JUNTA TORICA
? 4907634M1 BACK-UP RING 1
EnglischBem:
DeutschBem:
FranzBem:
ItalBem:
SpanBem:
DeutschDesc: STUETZRING
FranzDesc: CONTRE BAGUE
ItalDesc: ANELLO APPOGGIO
SpanDesc: ANILLA
? 4907635M1 PISTON 1
EnglischBem:
DeutschBem:
FranzBem:
ItalBem:
SpanBem:
DeutschDesc: KOLBEN
FranzDesc: PISTON
ItalDesc: PISTONE
SpanDesc: PISTON
? 2951814M1 POPPET 1
EnglischBem:
DeutschBem:
FranzBem:
ItalBem:
SpanBem:
DeutschDesc: VENTILKEGEL
FranzDesc: POUSSOIR
ItalDesc: SUPPORTO
SpanDesc: CONTRAPUNTA
? 2947141M1 SPRING 1
EnglischBem:
DeutschBem:
FranzBem:
ItalBem:
SpanBem:
DeutschDesc: FEDER
FranzDesc: RESSORT
ItalDesc: MOLLA
SpanDesc: MUELLE
? 4907636M1 ADJUSTING SCREW 1
EnglischBem:
DeutschBem:
FranzBem:
ItalBem:
SpanBem:
DeutschDesc: EINSTELLSCHRAUBE
FranzDesc: VIS DE REGLAGE
ItalDesc: VITE DE REGISTRA
SpanDesc: TORNILLO DE AJUST.
? 2951861M1 NUT 1
EnglischBem:
DeutschBem:
FranzBem:
ItalBem:
SpanBem:
DeutschDesc: MUTTER
FranzDesc: ECROU
ItalDesc: DADO
SpanDesc: TUERCA
? 4907639M1 STOP 1
EnglischBem:
DeutschBem:
FranzBem:
ItalBem:
SpanBem:
DeutschDesc: ANSCHLAG
FranzDesc: ARRET
ItalDesc: FERMO
SpanDesc: PARO
? 4907640M1 SPRING 1
EnglischBem:
DeutschBem:
FranzBem:
ItalBem:
SpanBem:
DeutschDesc: FEDER
FranzDesc: RESSORT
ItalDesc: MOLLA
SpanDesc: MUELLE
? 4907641M1 CAP 1
EnglischBem:
DeutschBem:
FranzBem:
ItalBem:
SpanBem:
DeutschDesc: KAPPE
FranzDesc: CHAPEAU
ItalDesc: CAPPELLOTTO
SpanDesc: TAPA

Compactors Komatsu / CL290 S/N 370620051 - Up(cl290) / CONTROL VALVE, FLOAT VALVE(05-12|a : A3048)
?
?
?
?
?
?
?
?
?
?
?
?
?
?
?
?
?
?
?
?
?
?
?
?
?
?
?
?
?
?
?
?
?
?
?
?
?