| Номер на схеме | Каталожный номер | Название | Количество | Детали | |||
|---|---|---|---|---|---|---|---|
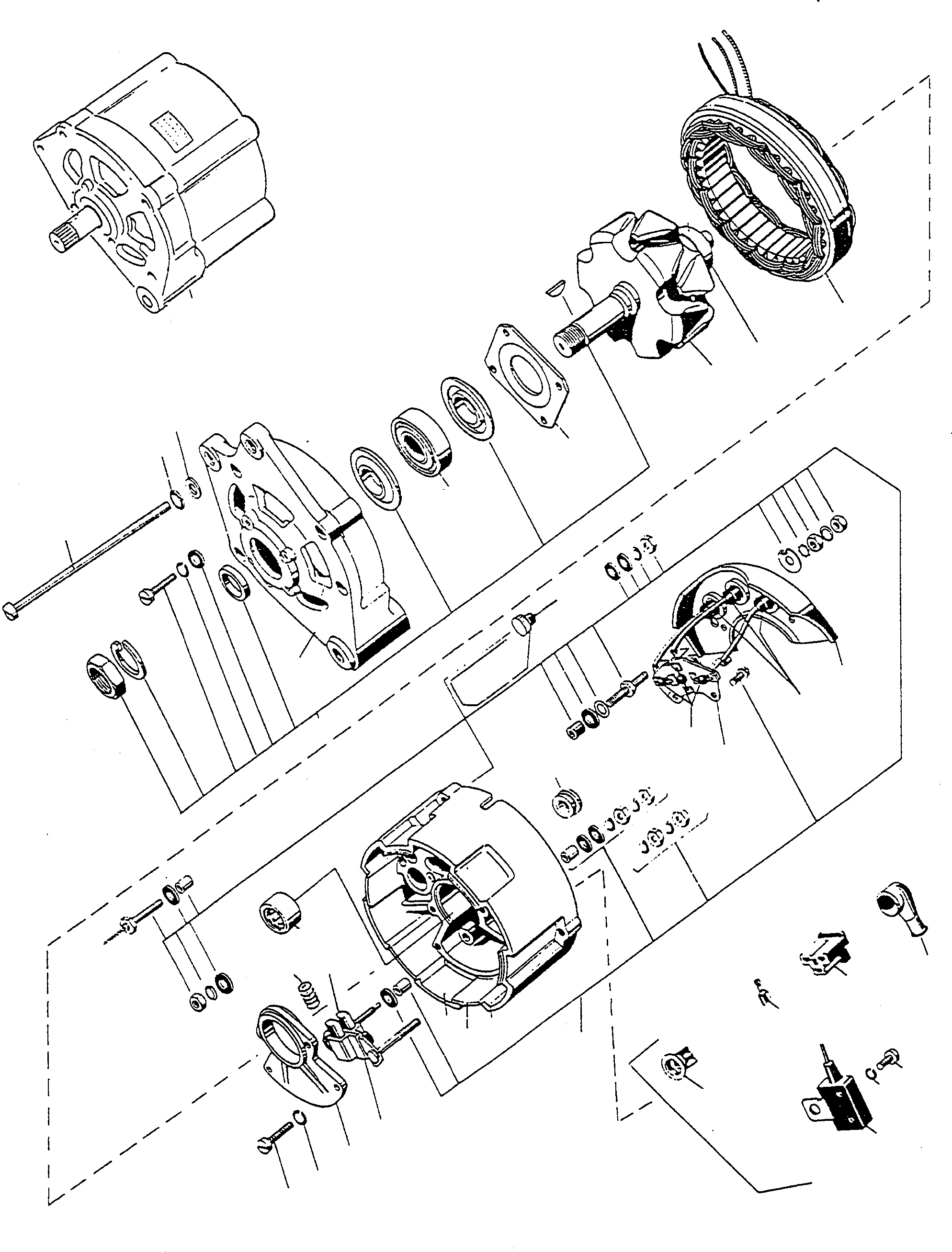
| ? | 2872767M91 | ALTERNATOR | 1 | EnglischBem: 35A DeutschBem: 35A FranzBem: 35A ItalBem: 35A SpanBem: 35A DeutschDesc: LICHTM.DREHSTROM FranzDesc: ALTERNATEUR ItalDesc: ALTERNATORE SpanDesc: ALTERNADOR |
|||
| ? | 3237267M1 | • SCREW | 3 | EnglischBem: DeutschBem: FranzBem: ItalBem: SpanBem: DeutschDesc: SCHRAUBE FranzDesc: VIS ItalDesc: VITE SpanDesc: TORNILLO |
|||
| ? | 3237562M1 | • SPRING WASHER | 3 | EnglischBem: DeutschBem: FranzBem: ItalBem: SpanBem: DeutschDesc: FEDERRING FranzDesc: RONDELLE FREIN ItalDesc: ROSETTA ELASTICA SpanDesc: ARANDELA MUELLE |
|||
| ? | 3002120X1 | • DISC | 3 | EnglischBem: DeutschBem: FranzBem: ItalBem: SpanBem: DeutschDesc: SCHEIBE FranzDesc: DISQUE ItalDesc: DISCO SpanDesc: DISCO |
|||
| ? | 3237529M91 | • REPAIR KIT | 1 | EnglischBem: DeutschBem: FranzBem: ItalBem: SpanBem: DeutschDesc: REPARATURSATZ FranzDesc: REPARATION JEU ItalDesc: GRUPPO RIPARAZIONE SpanDesc: REPARACION JUEGO |
|||
| ? | 3237158M1 | • HOUSING | 1 | EnglischBem: DeutschBem: FranzBem: ItalBem: SpanBem: DeutschDesc: GEHAEUSE FranzDesc: CARTER ItalDesc: CARCASSA SpanDesc: CARCASA |
|||
| ? | 3237262M1 | • BALL BEARING | 1 | EnglischBem: DeutschBem: FranzBem: ItalBem: SpanBem: DeutschDesc: KUGELLAGER FranzDesc: ROULEMENT BILLES ItalDesc: CUSCINETTO SpanDesc: COJINETE DE BOLA |
|||
| ? | 3237118M1 | • COVER PLATE | 1 | EnglischBem: DeutschBem: FranzBem: ItalBem: SpanBem: DeutschDesc: ABDECKPLATTE FranzDesc: PLAQUE COUVERCLE ItalDesc: COPERCHIO SpanDesc: TAPA |
|||
| ? | 3237129M91 | • ANCHOR | 1 | EnglischBem: DeutschBem: FranzBem: ItalBem: SpanBem: DeutschDesc: ANKER FranzDesc: ANCRE ItalDesc: ANCORA SpanDesc: SUJECION |
|||
| ? | 3237140M1 | • • RING | 1 | EnglischBem: DeutschBem: FranzBem: ItalBem: SpanBem: DeutschDesc: RING FranzDesc: ANNEAU ItalDesc: ANELLO SpanDesc: ARO |
|||
| ? | 3237149M91 | • STATOR | 1 | EnglischBem: DeutschBem: FranzBem: ItalBem: SpanBem: DeutschDesc: STATOR FranzDesc: STATOR ItalDesc: STATORE SpanDesc: ESTATOR |
|||
| ? | 3237165M91 | • HOUSING | 1 | EnglischBem: DeutschBem: FranzBem: ItalBem: SpanBem: DeutschDesc: GEHAEUSE FranzDesc: CARTER ItalDesc: CARCASSA SpanDesc: CARCASA |
|||
| ? | 3237265M1 | • • NEEDLE BEARING | 1 | EnglischBem: DeutschBem: FranzBem: ItalBem: SpanBem: DeutschDesc: NADELLAGER FranzDesc: ROULEMENT AIGUIL ItalDesc: CUSCINETTO RULLI SpanDesc: COJINETE AGUJAS |
|||
| ? | 3237142M91 | • • BRACKET | 1 | EnglischBem: DeutschBem: FranzBem: ItalBem: SpanBem: DeutschDesc: HALTER FranzDesc: SUPPORT ItalDesc: SUPPORTO SpanDesc: SOPORTE |
|||
| ? | 3237147M1 | • • • COMPRESSION SPRING | 2 | EnglischBem: DeutschBem: FranzBem: ItalBem: SpanBem: DeutschDesc: DRUCKFEDER FranzDesc: RESSORT DE COMPR ItalDesc: MOLLA COMPOSTA SpanDesc: MUELLE COMPRESOR |
|||
| ? | 3237183M91 | • • • BRUSH KIT | 1 | EnglischBem: DeutschBem: FranzBem: ItalBem: SpanBem: DeutschDesc: BUERSTENSATZ FranzDesc: BALAIS JEU ItalDesc: SPAZZOLA KIT SpanDesc: ESCOBILLAS JUEGO |
|||
| ? | 3237117M1 | • • COVER PLATE | 1 | EnglischBem: DeutschBem: FranzBem: ItalBem: SpanBem: DeutschDesc: ABDECKPLATTE FranzDesc: PLAQUE COUVERCLE ItalDesc: COPERCHIO SpanDesc: TAPA |
|||
| ? | 1444382X1 | • • SPRING PLATE | 4 | EnglischBem: DeutschBem: FranzBem: ItalBem: SpanBem: DeutschDesc: FEDERSCHEIBE FranzDesc: PLAQUE RESSORT ItalDesc: RONDELLA ELASTIC SpanDesc: ARANDELA ELASTICA |
|||
| ? | 3237274M1 | • • SCREW | 4 | EnglischBem: DeutschBem: FranzBem: ItalBem: SpanBem: DeutschDesc: SCHRAUBE FranzDesc: VIS ItalDesc: VITE SpanDesc: TORNILLO |
|||
| ? | 3237116M1 | • • PLUG | 1 | EnglischBem: DeutschBem: FranzBem: ItalBem: SpanBem: DeutschDesc: VERSCHLUSSSTOPFEN FranzDesc: BOUCHON ItalDesc: TAPPO SpanDesc: TAPON |
|||
| ? | 3237103M1 | • • DIODE | 3 | EnglischBem: DeutschBem: FranzBem: ItalBem: SpanBem: DeutschDesc: DIODE FranzDesc: DIODE ItalDesc: DIODO SpanDesc: DIODO |
|||
| ? | 3237104M1 | • • DIODE | -26 | EnglischBem: DeutschBem: FranzBem: ItalBem: SpanBem: DeutschDesc: DIODE FranzDesc: DIODE ItalDesc: DIODO SpanDesc: DIODO |
|||
| ? | 3237105M1 | • • DIODE | -26 | EnglischBem: DeutschBem: FranzBem: ItalBem: SpanBem: DeutschDesc: DIODE FranzDesc: DIODE ItalDesc: DIODO SpanDesc: DIODO |
|||
| ? | 3237175M91 | • • CONNECTOR KIT | 1 | EnglischBem: DeutschBem: FranzBem: ItalBem: SpanBem: DeutschDesc: ANSCHLUSSATZ FranzDesc: LIAISONS JEU ItalDesc: RACCORDO KIT SpanDesc: CONECTOR JUEGO |
|||
| ? | 3237155M91 | • PLATE | 1 | EnglischBem: DeutschBem: FranzBem: ItalBem: SpanBem: DeutschDesc: PLATTE FranzDesc: PLAQUE ItalDesc: PIASTRA SpanDesc: PLATO |
|||
| ? | 3237187M1 | • • DIODE | 3 | EnglischBem: DeutschBem: FranzBem: ItalBem: SpanBem: DeutschDesc: DIODE FranzDesc: DIODE ItalDesc: DIODO SpanDesc: DIODO |
|||
| ? | 3237127M91 | • • BRACKET | 1 | EnglischBem: DeutschBem: FranzBem: ItalBem: SpanBem: DeutschDesc: HALTER FranzDesc: SUPPORT ItalDesc: SUPPORTO SpanDesc: SOPORTE |
|||
| ? | 3237102M1 | • • • DIODE | 3 | EnglischBem: DeutschBem: FranzBem: ItalBem: SpanBem: DeutschDesc: DIODE FranzDesc: DIODE ItalDesc: DIODO SpanDesc: DIODO |
|||
| ? | 3237121M1 | • SECURITY CAP | 1 | EnglischBem: DeutschBem: FranzBem: ItalBem: SpanBem: DeutschDesc: SCHUTZKAPPE FranzDesc: CAPUCHON ItalDesc: PROTEZIONE SpanDesc: MANGUITO |
|||
| ? | 3237109M1 | • CAPACITOR | 1 | EnglischBem: DeutschBem: FranzBem: ItalBem: SpanBem: DeutschDesc: KONDENSATOR FranzDesc: CONDENSATEUR ItalDesc: CONDENSATORE SpanDesc: CONDENSADOR |
|||
| ? | 3004802X1 | • SPRING PLATE | 1 | EnglischBem: DeutschBem: FranzBem: ItalBem: SpanBem: DeutschDesc: FEDERSCHEIBE FranzDesc: PLAQUE RESSORT ItalDesc: RONDELLA ELASTIC SpanDesc: ARANDELA ELASTICA |
|||
| ? | 3002036X1 | • SCREW | 1 | EnglischBem: DeutschBem: FranzBem: ItalBem: SpanBem: DeutschDesc: SCHRAUBE FranzDesc: VIS ItalDesc: VITE SpanDesc: TORNILLO |
|||
| ? | 3237278M1 | ELECTRICAL PLUG | 3 | EnglischBem: DeutschBem: FranzBem: ItalBem: SpanBem: DeutschDesc: STECKER FranzDesc: PRISE ELECTRIQUE ItalDesc: SPINA SpanDesc: ENCHUFE |
|||
| ? | 3237194M1 | CONNECTION SOCKET | 1 | EnglischBem: DeutschBem: FranzBem: ItalBem: SpanBem: DeutschDesc: STECKVERBINDUNG FranzDesc: CAPUCHON DOUILLE ItalDesc: PRESA SpanDesc: CASQUO P.BUJIA |
|||
| ? | 2862825M1 | SECURITY CAP | 1 | EnglischBem: DeutschBem: FranzBem: ItalBem: SpanBem: DeutschDesc: SCHUTZKAPPE FranzDesc: CAPUCHON ItalDesc: PROTEZIONE SpanDesc: MANGUITO |