| Наименование | Страница | Код страницы |
|---|---|---|
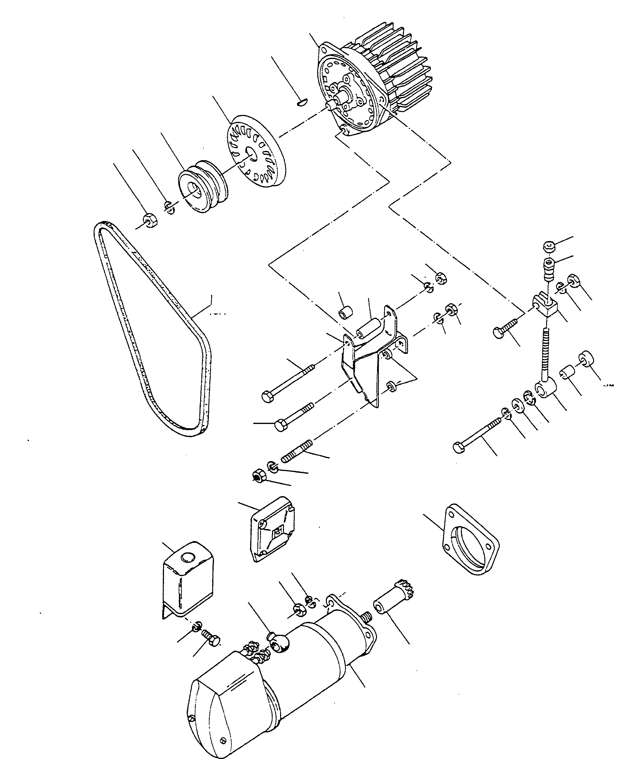
| V-VELT ARRANGEMENT | 01-18|a | A1290 |
| ALTERNATOR | 01-35|b | A1618 |
| ALTERNATOR | 01-35|a | A1622 |
| STARTERMOTOR | 01-36|b | A1666 |
| STARTERMOTOR | 01-36|a | A1667 |
| Номер на схеме | Каталожный номер | Название | Количество | Детали | |||
|---|---|---|---|---|---|---|---|
| ? | 2872767M91 | ALTERNATOR | 1 | EnglischBem: 35A DeutschBem: 35A FranzBem: 35A ItalBem: 35A SpanBem: 35A DeutschDesc: LICHTM.DREHSTROM FranzDesc: ALTERNATEUR ItalDesc: ALTERNATORE SpanDesc: ALTERNADOR |
|||
| ? | 2871814M91 | ALTERNATOR | 1 | EnglischBem: 18A DeutschBem: 18A FranzBem: 18A ItalBem: 18A SpanBem: 18A DeutschDesc: LICHTM.DREHSTROM FranzDesc: ALTERNATEUR ItalDesc: ALTERNATORE SpanDesc: ALTERNADOR |
|||
| ? | 391728X1 | • WOODRUFF KEY | 1 | EnglischBem: NOTE: Pos. (3) included in Pos. (1) and (2) Kit DeutschBem: NOTE: Pos. (3) included in Pos. (1) and (2) Kit FranzBem: NOTE: Pos. (3) included in Pos. (1) and (2) Kit ItalBem: NOTE: Pos. (3) included in Pos. (1) and (2) Kit SpanBem: NOTE: Pos. (3) included in Pos. (1) and (2) Kit DeutschDesc: SCHEIBENFEDER FranzDesc: CLAVETTE WOODRUFF ItalDesc: LINGUETTA AMERIL SpanDesc: CHAVETA |
|||
| ? | 2862841M1 | • FAN | 1 | EnglischBem: NOTE: Pos. (4) included in Pos. (1) and (2) Kit DeutschBem: NOTE: Pos. (4) included in Pos. (1) and (2) Kit FranzBem: NOTE: Pos. (4) included in Pos. (1) and (2) Kit ItalBem: NOTE: Pos. (4) included in Pos. (1) and (2) Kit SpanBem: NOTE: Pos. (4) included in Pos. (1) and (2) Kit DeutschDesc: LUEFTER FranzDesc: VENTILATEUR ItalDesc: VENTOLA SpanDesc: VENTILADOR |
|||
| ? | 2871787M1 | • PULLEY | 1 | EnglischBem: NOTE: Pos. (5) included in Pos. (1) and (2) Kit DeutschBem: NOTE: Pos. (5) included in Pos. (1) and (2) Kit FranzBem: NOTE: Pos. (5) included in Pos. (1) and (2) Kit ItalBem: NOTE: Pos. (5) included in Pos. (1) and (2) Kit SpanBem: NOTE: Pos. (5) included in Pos. (1) and (2) Kit DeutschDesc: RIEMENSCHEIBE FranzDesc: POULIE ItalDesc: PULEGGIA SpanDesc: POLEA |
|||
| ? | 1443794X1 | • SPRING WASHER | 1 | EnglischBem: NOTE: Pos. (6) included in Pos. (1) and (2) Kit DeutschBem: NOTE: Pos. (6) included in Pos. (1) and (2) Kit FranzBem: NOTE: Pos. (6) included in Pos. (1) and (2) Kit ItalBem: NOTE: Pos. (6) included in Pos. (1) and (2) Kit SpanBem: NOTE: Pos. (6) included in Pos. (1) and (2) Kit DeutschDesc: FEDERRING FranzDesc: RONDELLE FREIN ItalDesc: ROSETTA ELASTICA SpanDesc: ARANDELA MUELLE |
|||
| ? | 1443757X1 | • NUT | 1 | EnglischBem: NOTE: Pos. (7) included in Pos. (1) and (2) Kit DeutschBem: NOTE: Pos. (7) included in Pos. (1) and (2) Kit FranzBem: NOTE: Pos. (7) included in Pos. (1) and (2) Kit ItalBem: NOTE: Pos. (7) included in Pos. (1) and (2) Kit SpanBem: NOTE: Pos. (7) included in Pos. (1) and (2) Kit DeutschDesc: MUTTER FranzDesc: ECROU ItalDesc: DADO SpanDesc: TUERCA |
|||
| ? | V-BELT | 1 | EnglischBem: DeutschBem: FranzBem: ItalBem: SpanBem: DeutschDesc: KEILRIEMENSATZ FranzDesc: JEU COURROIES TRAP ItalDesc: KIT CINGHIE TRAPEZ. SpanDesc: JUEGO CORREAS TRAPEZ |
||||
| ? | 2871818M91 | BRACKET | 1 | EnglischBem: DeutschBem: FranzBem: ItalBem: SpanBem: DeutschDesc: HALTER FranzDesc: SUPPORT ItalDesc: SUPPORTO SpanDesc: SOPORTE |
|||
| ? | 3093438M91 | BRACKET | 1 | EnglischBem: FOR ALTERNATOR 35A DeutschBem: FUER LICHTMASCHINE 35A FranzBem: POUR ALTERNATEUR 35A ItalBem: PER ALTERNATORE 35A SpanBem: PARA ALTERNADOR 35A DeutschDesc: HALTER FranzDesc: SUPPORT ItalDesc: SUPPORTO SpanDesc: SOPORTE |
|||
| ? | 1443657X1 | SCREW | 1 | EnglischBem: DeutschBem: FranzBem: ItalBem: SpanBem: DeutschDesc: SCHRAUBE FranzDesc: VIS ItalDesc: VITE SpanDesc: TORNILLO |
|||
| ? | 1442487X1 | SCREW | 1 | EnglischBem: FOR ALTERNATOR 35A DeutschBem: FUER LICHTMASCHINE 35A FranzBem: POUR ALTERNATEUR 35A ItalBem: PER ALTERNATORE 35A SpanBem: PARA ALTERNADOR 35A DeutschDesc: SCHRAUBE FranzDesc: VIS ItalDesc: VITE SpanDesc: TORNILLO |
|||
| ? | 2871796M1 | TUBE | 1 | EnglischBem: DeutschBem: FranzBem: ItalBem: SpanBem: DeutschDesc: ROHR FranzDesc: TUBE ItalDesc: TUBO SpanDesc: TUBO |
|||
| ? | 3093439M1 | TUBE | 1 | EnglischBem: FOR ALTERNATOR 35A DeutschBem: FUER LICHTMASCHINE 35A FranzBem: POUR ALTERNATEUR 35A ItalBem: PER ALTERNATORE 35A SpanBem: PARA ALTERNADOR 35A DeutschDesc: ROHR FranzDesc: TUBE ItalDesc: TUBO SpanDesc: TUBO |
|||
| ? | 1443789X1 | SPRING WASHER | 4 | EnglischBem: DeutschBem: FranzBem: ItalBem: SpanBem: DeutschDesc: FEDERRING FranzDesc: RONDELLE FREIN ItalDesc: ROSETTA ELASTICA SpanDesc: ARANDELA MUELLE |
|||
| ? | 1443790X1 | SPRING WASHER | 1 | EnglischBem: FOR ALTERNATOR 35A DeutschBem: FUER LICHTMASCHINE 35A FranzBem: POUR ALTERNATEUR 35A ItalBem: PER ALTERNATORE 35A SpanBem: PARA ALTERNADOR 35A DeutschDesc: FEDERRING FranzDesc: RONDELLE FREIN ItalDesc: ROSETTA ELASTICA SpanDesc: ARANDELA MUELLE |
|||
| ? | 339169X1 | NUT | 3 | EnglischBem: DeutschBem: FranzBem: ItalBem: SpanBem: DeutschDesc: MUTTER FranzDesc: ECROU ItalDesc: DADO SpanDesc: TUERCA |
|||
| ? | 339402X1 | NUT | 1 | EnglischBem: FOR ALTERNATOR 35A DeutschBem: FUER LICHTMASCHINE 35A FranzBem: POUR ALTERNATEUR 35A ItalBem: PER ALTERNATORE 35A SpanBem: PARA ALTERNADOR 35A DeutschDesc: MUTTER FranzDesc: ECROU ItalDesc: DADO SpanDesc: TUERCA |
|||
| ? | 339582X1 | SCREW | 1 | EnglischBem: DeutschBem: FranzBem: ItalBem: SpanBem: DeutschDesc: SCHRAUBE FranzDesc: VIS ItalDesc: VITE SpanDesc: TORNILLO |
|||
| ? | 2871792M1 | BUSHING | 2 | EnglischBem: DeutschBem: FranzBem: ItalBem: SpanBem: DeutschDesc: BUCHSE FranzDesc: BAGUE ItalDesc: BOCCOLA SpanDesc: CASQUILLO |
|||
| ? | 1443790X1 | SPRING WASHER | 1 | EnglischBem: DeutschBem: FranzBem: ItalBem: SpanBem: DeutschDesc: FEDERRING FranzDesc: RONDELLE FREIN ItalDesc: ROSETTA ELASTICA SpanDesc: ARANDELA MUELLE |
|||
| ? | 339402X1 | NUT | 2 | EnglischBem: DeutschBem: FranzBem: ItalBem: SpanBem: DeutschDesc: MUTTER FranzDesc: ECROU ItalDesc: DADO SpanDesc: TUERCA |
|||
| ? | 1443740X1 | STUD BOLT | 1 | EnglischBem: DeutschBem: FranzBem: ItalBem: SpanBem: DeutschDesc: STIFTSCHRAUBE FranzDesc: GOUPILLE ItalDesc: PRIGIONIERE SpanDesc: TORN.PERNO |
|||
| ? | 2872750M1 | CLAMPING DEVICE | 1 | EnglischBem: DeutschBem: FranzBem: ItalBem: SpanBem: DeutschDesc: KLEMMVORRICHTUNG FranzDesc: SYSTEME SERRAGE ItalDesc: SERRAGGIO SpanDesc: MECANISMO APRIET |
|||
| ? | 339011X1 | SCREW | 1 | EnglischBem: DeutschBem: FranzBem: ItalBem: SpanBem: DeutschDesc: SCHRAUBE FranzDesc: VIS ItalDesc: VITE SpanDesc: TORNILLO |
|||
| ? | 2872751M1 | NUT | 1 | EnglischBem: DeutschBem: FranzBem: ItalBem: SpanBem: DeutschDesc: MUTTER FranzDesc: ECROU ItalDesc: DADO SpanDesc: TUERCA |
|||
| ? | 2872766M91 | EYE BOLT | 1 | EnglischBem: DeutschBem: FranzBem: ItalBem: SpanBem: DeutschDesc: AUGENSCHRAUBE FranzDesc: BOULON A OEIL ItalDesc: GOLFARE SpanDesc: CANCAMO |
|||
| ? | 2871821M91 | EYE BOLT | 1 | EnglischBem: FOR ALTERNATOR 35A DeutschBem: FUER LICHTMASCHINE 35A FranzBem: POUR ALTERNATEUR 35A ItalBem: PER ALTERNATORE 35A SpanBem: PARA ALTERNADOR 35A DeutschDesc: AUGENSCHRAUBE FranzDesc: BOULON A OEIL ItalDesc: GOLFARE SpanDesc: CANCAMO |
|||
| ? | 3002899X1 | SCREW | 1 | EnglischBem: DeutschBem: FranzBem: ItalBem: SpanBem: DeutschDesc: SCHRAUBE FranzDesc: VIS ItalDesc: VITE SpanDesc: TORNILLO |
|||
| ? | 1443654X1 | SCREW | 1 | EnglischBem: FOR ALTERNATOR 35A DeutschBem: FUER LICHTMASCHINE 35A FranzBem: POUR ALTERNATEUR 35A ItalBem: PER ALTERNATORE 35A SpanBem: PARA ALTERNADOR 35A DeutschDesc: SCHRAUBE FranzDesc: VIS ItalDesc: VITE SpanDesc: TORNILLO |
|||
| ? | 391039X1 | PLAIN WASHER | 1 | EnglischBem: DeutschBem: FranzBem: ItalBem: SpanBem: DeutschDesc: UNTERLEGSCHEIBE FranzDesc: RONDELLE ItalDesc: RONDELLA SpanDesc: ARANDELA |
|||
| ? | 1443796X1 | SPRING WASHER | 1 | EnglischBem: DeutschBem: FranzBem: ItalBem: SpanBem: DeutschDesc: FEDERRING FranzDesc: RONDELLE FREIN ItalDesc: ROSETTA ELASTICA SpanDesc: ARANDELA MUELLE |
|||
| ? | 2963569M1 | BUSHING | 1 | EnglischBem: DeutschBem: FranzBem: ItalBem: SpanBem: DeutschDesc: BUCHSE FranzDesc: BAGUE ItalDesc: BOCCOLA SpanDesc: CASQUILLO |
|||
| ? | 2871797M1 | BUSHING | 1 | EnglischBem: DeutschBem: FranzBem: ItalBem: SpanBem: DeutschDesc: BUCHSE FranzDesc: BAGUE ItalDesc: BOCCOLA SpanDesc: CASQUILLO |
|||
| ? | 2872757M1 | BUSHING | 1 | EnglischBem: FOR ALTERNATOR 35A DeutschBem: FUER LICHTMASCHINE 35A FranzBem: POUR ALTERNATEUR 35A ItalBem: PER ALTERNATORE 35A SpanBem: PARA ALTERNADOR 35A DeutschDesc: BUCHSE FranzDesc: BAGUE ItalDesc: BOCCOLA SpanDesc: CASQUILLO |
|||
| ? | 2871840M92 | STARTERMOTOR | 1 | EnglischBem: SN: - 10 593 308 DeutschBem: SN: - 10 593 308 FranzBem: SN: - 10 593 308 ItalBem: SN: - 10 593 308 SpanBem: SN: - 10 593 308 DeutschDesc: ANLASSER FranzDesc: DEMARREUR ItalDesc: MOTORINO AVVIAMENTO SpanDesc: ARRANQUE |
|||
| ? | 3095297M91 | STARTERMOTOR | 1 | EnglischBem: SN: 10 593 309 - DeutschBem: SN: 10 593 309 - FranzBem: SN: 10 593 309 - ItalBem: SN: 10 593 309 - SpanBem: SN: 10 593 309 - DeutschDesc: ANLASSER FranzDesc: DEMARREUR ItalDesc: MOTORINO AVVIAMENTO SpanDesc: ARRANQUE |
|||
| ? | 2871822M1 | PINION | 1 | EnglischBem: DeutschBem: FranzBem: ItalBem: SpanBem: DeutschDesc: RITZEL FranzDesc: PIGNON ItalDesc: PIGNONE SpanDesc: SOGA |
|||
| ? | 2871830M1 | FLANGE | 1 | EnglischBem: DeutschBem: FranzBem: ItalBem: SpanBem: DeutschDesc: FLANSCH FranzDesc: FLASQUE ItalDesc: FLANGIA SpanDesc: BRIDA |
|||
| ? | 1443790X1 | SPRING WASHER | 3 | EnglischBem: DeutschBem: FranzBem: ItalBem: SpanBem: DeutschDesc: FEDERRING FranzDesc: RONDELLE FREIN ItalDesc: ROSETTA ELASTICA SpanDesc: ARANDELA MUELLE |
|||
| ? | 339402X1 | NUT | 3 | EnglischBem: DeutschBem: FranzBem: ItalBem: SpanBem: DeutschDesc: MUTTER FranzDesc: ECROU ItalDesc: DADO SpanDesc: TUERCA |
|||
| ? | 1444011X1 | SECURITY CAP | 2 | EnglischBem: DeutschBem: FranzBem: ItalBem: SpanBem: DeutschDesc: SCHUTZKAPPE FranzDesc: CAPUCHON ItalDesc: PROTEZIONE SpanDesc: MANGUITO |
|||
| ? | 2871815M91 | CONTROLLER | 1 | EnglischBem: DeutschBem: FranzBem: ItalBem: SpanBem: DeutschDesc: REGLER FranzDesc: REGULATEUR ItalDesc: REGOLATORE SpanDesc: REGULADOR |
|||
| ? | 2945680M1 | CONTROLLER | 1 | EnglischBem: FOR ALTERNATOR 35A DeutschBem: FUER LICHTMASCHINE 35A FranzBem: POUR ALTERNATEUR 35A ItalBem: PER ALTERNATORE 35A SpanBem: PARA ALTERNADOR 35A DeutschDesc: REGLER FranzDesc: REGULATEUR ItalDesc: REGOLATORE SpanDesc: REGULADOR |
|||
| ? | 339666X1 | SCREW | 2 | EnglischBem: DeutschBem: FranzBem: ItalBem: SpanBem: DeutschDesc: SCHRAUBE FranzDesc: VIS ItalDesc: VITE SpanDesc: TORNILLO |
|||
| ? | 1443791X1 | SPRING WASHER | 2 | EnglischBem: DeutschBem: FranzBem: ItalBem: SpanBem: DeutschDesc: FEDERRING FranzDesc: RONDELLE FREIN ItalDesc: ROSETTA ELASTICA SpanDesc: ARANDELA MUELLE |