| Номер на схеме | Каталожный номер | Название | Количество | Детали | |||
|---|---|---|---|---|---|---|---|
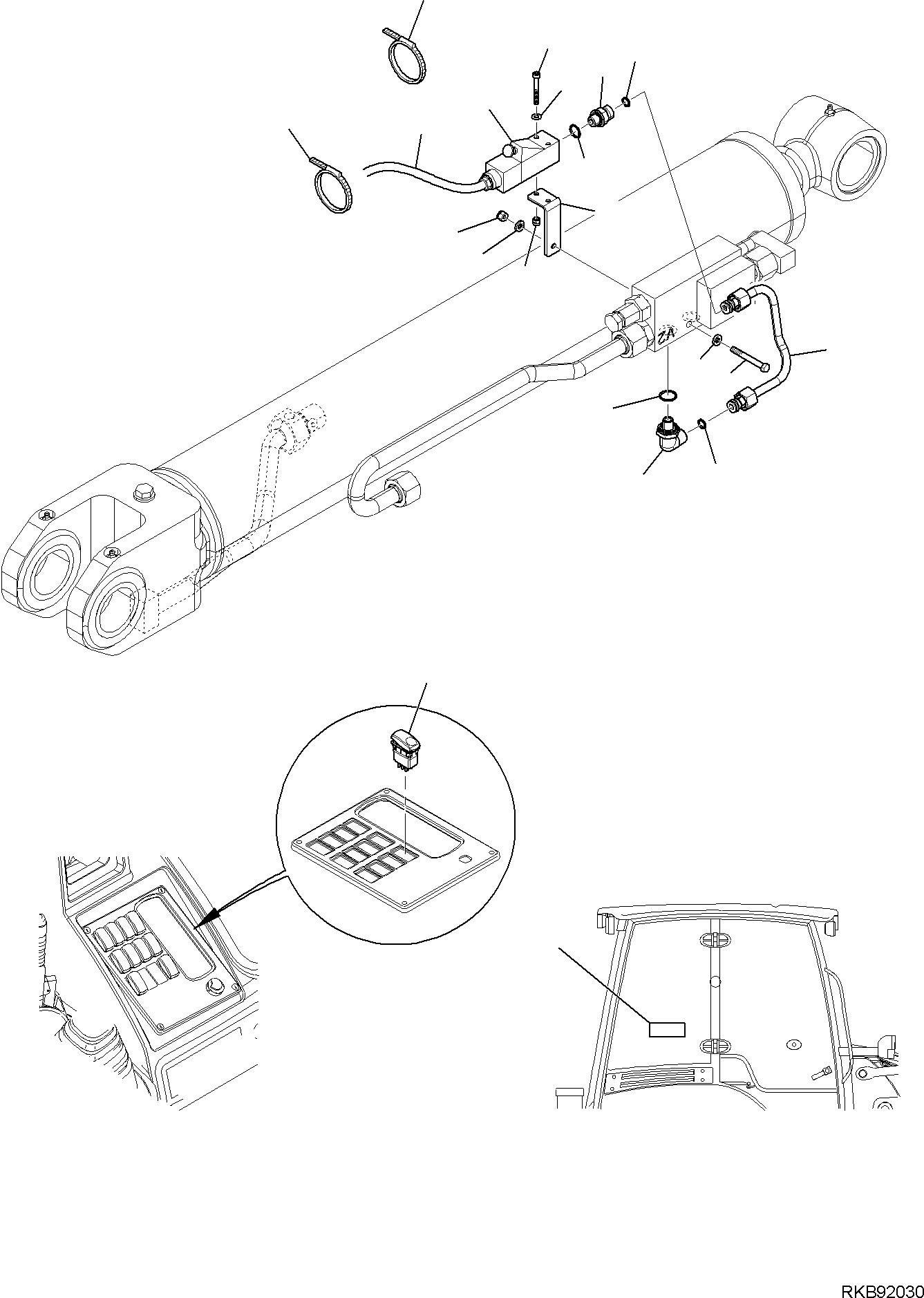
| ? | 20S-60-13120 | VALVE | 1 | SN: F80211- |
|||
| ? | 01252-70540 | BOLT, HEXAGON SOCKET HEAD | 2 | SN: F80211- |
|||
| ? | 01640-20508 | WASHER | 2 | SN: F80211- |
|||
| ? | 21D-09-23140 | NUT | 2 | SN: F80211- |
|||
| ? | 42N-63-12390 | PLATE | 1 | SN: F80211- |
|||
| ? | 01010-80655 | BOLT | 1 | SN: F80211- |
|||
| ? | 01643-10623 | WASHER | 2 | SN: F80211- |
|||
| ? | 01598-00608 | NUT | 1 | SN: F80211- |
|||
| ? | 37D-09-66103 | UNION | 1 | SN: F80211- |
|||
| ? | 21D-09-69960 | • O-RING | 1 | SN: F80211- |
|||
| ? | 02896-11009 | • O-RING | 1 | SN: F80211- |
|||
| ? | 37D-09-6Z503 | ELBOW | 1 | SN: F80211- |
|||
| ? | 21D-09-69960 | • O-RING | 1 | SN: F80211- |
|||
| ? | 02896-11009 | • O-RING | 1 | SN: F80211- |
|||
| ? | 42N-63-12380 | PIPE | 1 | SN: F80211- |
|||
| ? | 42N-06-16350 | WIRING HARNESS | 1 | SN: F80211- |
|||
| ? | 42N-06-13340 | • SWITCH, OVERLOAD ALARM | 1 | SN: F80211-F80337 |
A | ||
| ? | 42N-06-13341 | • SWITCH, OVERLOAD ALARM | 1 | SN: F80338- |
B | ||
| ? | 22L-09-R3Q20 | • • BULB 30MA 24V | 1 | SN: F80211-F80337 |
C | ||
| ? | 22L-09-R3Q10 | • • BULB 30MA 12V | 2 | SN: F80338- |
D | ||
| ? | 22L-09-R3Q40 | • • BULB 1,2W 24V | 1 | SN: F80211-F80337 |
E | ||
| ? | 21D-06-13220 | BAND | 16 | SN: F80211- |
|||
| ? | 08034-20519 | CLAMP | 3 | SN: F80211- |
|||
| ? | 42N-93-14430 | • PLATE, RAISING CAPACITY | 1 | SN: F80211- |