| Номер на схеме | Каталожный номер | Название | Количество | Детали | |||
|---|---|---|---|---|---|---|---|
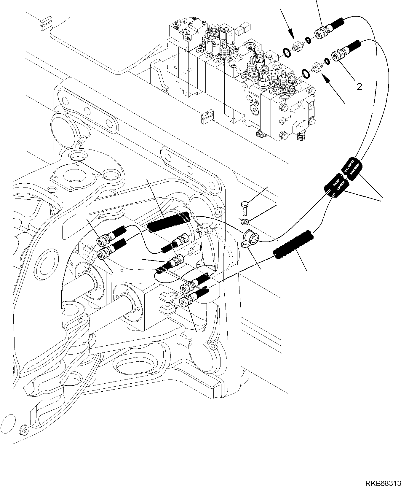
| ? | 42N-62-13490 | HOSE | 1 | SN: F80246- |
|||
| ? | 42N-62-13990 | HOSE | 1 | SN: F80246- |
|||
| ? | 42N-62-13511 | HOSE | 2 | SN: F80246- |
|||
| ? | 04434-52310 | CLAMP | 2 | SN: F80246- |
|||
| ? | 42N-62-17440 | PROTECTION | 2 | SN: F80246- |
|||
| ? | 42N-62-14452 | COVER | 1 | SN: F80246- |
|||
| ? | 01252-71025 | BOLT | 2 | SN: F80246- |
|||
| ? | 01643-31032 | WASHER | 2 | SN: F80246- |
|||
| ? | SEE FIG. 6387 | 6387 |