| Номер на схеме | Каталожный номер | Название | Количество | Детали | |||
|---|---|---|---|---|---|---|---|
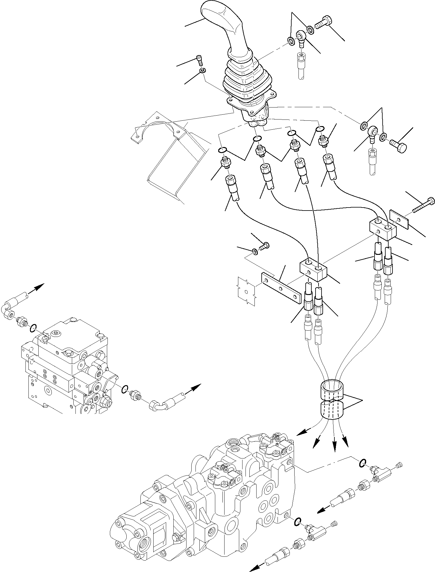
| ? | (702-16-09140) | PPC VALVE, R.H., ASSY. | 1 | SN: 37BTF00003- |
|||
| ? | 801105533 | SCREW | 3 | SN: 37BTF00003- |
|||
| ? | 802170001 | SPRING WASHER | 5 | SN: 37BTF00003- |
|||
| ? | 802090212 | GASKET | 2 | SN: 37BTF00003- |
|||
| ? | 3F1077602 | UNION | 1 | SN: 37BTF00003- |
|||
| ? | 390045004 | UNION | 1 | SN: 37BTF00003- |
|||
| ? | 390045005 | UNION | 1 | SN: 37BTF00003- |
|||
| ? | 802090216 | GASKET | 2 | SN: 37BTF00003- |
|||
| ? | 3F1077053 | UNION | 1 | SN: 37BTF00003- |
|||
| ? | 37A-62-14261 | UNION | 4 | SN: 37BTF00003- |
|||
| ? | 855051111 | O-RING | 1 | SN: 37BTF00003- |
|||
| ? | 37A-62-14490 | HOSE | 2 | SN: 37BTF00003- |
|||
| ? | 37A-62-14410 | HOSE | 2 | SN: 37BTF00003- |
|||
| ? | 801015086 | BOLT | 2 | SN: 37BTF00003- |
|||
| ? | 37A-62-14570 | PROTECTION | 1 | SN: 37BTF00003- |
|||
| ? | 37A-62-14440 | PLATE | 1 | SN: 37BTF00003- |
|||
| ? | 37A-62-14170 | CLAMP | 4 | SN: 37BTF00003- |
|||
| ? | 37A-62-14180 | PLATE | 1 | SN: 37BTF00003- |
|||
| ? | 801015552 | BOLT | 1 | SN: 37BTF00003- |