| Номер на схеме | Каталожный номер | Название | Количество | Детали | |||
|---|---|---|---|---|---|---|---|
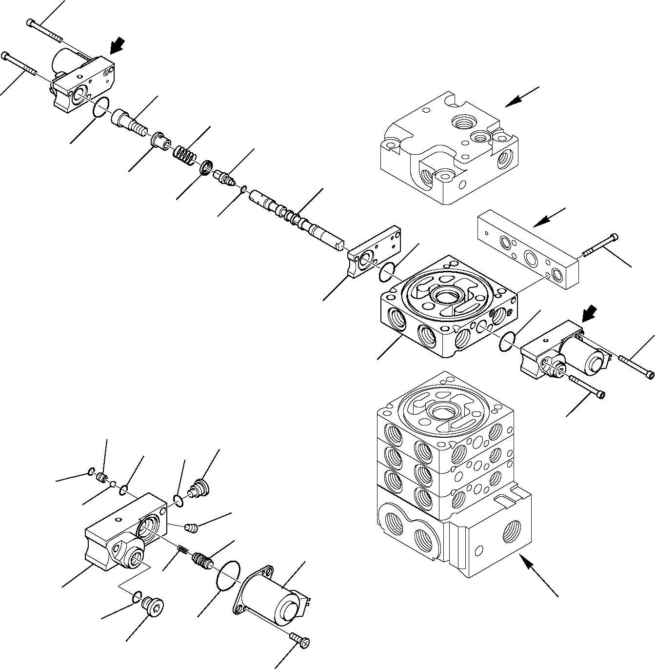
| ? | (723-14-12500) | CONTROL VALVE, ASSY. (SUPER HIGH-FLOW VERSION) | 1 | SN: 37BF50003- |
|||
| ? | 723-11-01061 | • VALVE, ASSY. | 1 | SN: 37BF50003- |
|||
| ? | ☆ | • • BODY | 1 | SN: 37BF50003- |
|||
| ? | ☆ | • • SPOOL | 1 | SN: 37BF50003- |
|||
| ? | ☆ | • • PLUG | 1 | SN: 37BF50003- |
|||
| ? | 07002-10823 | • • O-RING | 1 | SN: 37BF50003- |
|||
| ? | 723-11-17330 | • • SEAT, NOZZLE SPRING | 1 | SN: 37BF50003- |
|||
| ? | 723-11-17351 | • • SEAT, NOZZLE SPRING | 1 | SN: 37BF50003- |
|||
| ? | 723-11-27630 | • • PLATE | 1 | SN: 37BF50003- |
|||
| ? | 723-11-17360 | • • SCREW | 1 | SN: 37BF50003- |
|||
| ? | 723-11-28690 | • • SPRING | 1 | SN: 37BF50003- |
|||
| ? | 723-11-01071 | • • CASE, ASSY. | 2 | SN: 37BF50003- |
|||
| ? | ☆ | • • • BODY | 2 | SN: 37BF50003- |
|||
| ? | 708-8E-16160 | • • • PLUG | 2 | SN: 37BF50003- |
|||
| ? | 702-21-54190 | • • • FILTER | 2 | SN: 37BF50003- |
|||
| ? | 07002-11023 | • • • O-RING | 4 | SN: 37BF50003- |
|||
| ? | ☆ | • • • SPOOL | 2 | SN: 37BF50003- |
|||
| ? | 702-21-56220 | • • • SPRING | 2 | SN: 37BF50003- |
|||
| ? | 702-21-56261 | • • • COIL | 2 | SN: 37BF50003- |
|||
| ? | 700-80-61260 | • • • O-RING | 2 | SN: 37BF50003- |
|||
| ? | ☆ | • • • BALL | 2 | SN: 37BF50003- |
|||
| ? | ☆ | • • • SEAT | 2 | SN: 37BF50003- |
|||
| ? | ☆ | • • • O-RING | 2 | SN: 37BF50003- |
|||
| ? | 702-21-54290 | • • • O-RING | 2 | SN: 37BF50003- |
|||
| ? | 702-21-54180 | • • • SCREW | 4 | SN: 37BF50003- |
|||
| ? | ☆ | • • • PLUG | 2 | SN: 37BF50003- |
|||
| ? | 01252-60650 | • • SCREW | 1 | SN: 37BF50003- |
|||
| ? | 01252-60640 | • • SCREW | 3 | SN: 37BF50003- |
|||
| ? | 01252-60630 | • • SCREW | 2 | SN: 37BF50003- |
|||
| ? | 01252-60620 | • • SCREW | 4 | SN: 37BF50003- |
|||
| ? | 722-12-19120 | • • O-RING | 3 | SN: 37BF50003- |
|||
| ? | SEE FIG. 6290 | 6290 | |||||
| ? | SEE FIG. 6314 | 6314 |