| Номер на схеме | Каталожный номер | Название | Количество | Детали | |||
|---|---|---|---|---|---|---|---|
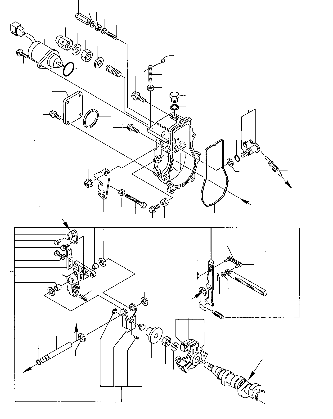
| ? | (37B-01-11101) | ENGINE, ASSY. | 1 | ENSN: 17583- |
|||
| ? | ☆ | • GOVERNOR, ASSY. | 1 | ENSN: 17583- |
|||
| ? | YM129155-51280 | • • O-RING | 1 | ENSN: 17583- |
|||
| ? | YM129052-61050 | • • GASKET | 1 | ENSN: 17583- |
|||
| ? | YM129052-61060 | • • COVER | 1 | ENSN: 17583- |
|||
| ? | YM129052-61070 | • • GASKET | 1 | ENSN: 17583- |
|||
| ? | YM129155-61120 | • • LINK L=30 (0) | 1 | ENSN: 17583- |
A | ||
| ? | YM129155-61130 | • • LINK L=31 (1) | 1 | ENSN: 17583- |
B | ||
| ? | YM129155-61140 | • • LINK L=30.5 (0.5) | 1 | ENSN: 17583- |
C | ||
| ? | YM129486-61201 | • • WEIGHT ASSY., GOVERNOR | 1 | ENSN: 17583- |
|||
| ? | YM129155-61341 | • • SLEEVE | 1 | ENSN: 17583- |
|||
| ? | YM129155-61350 | • • SLEEVE | 1 | ENSN: 17583- |
|||
| ? | YM129155-61360 | • • SLEEVE | 1 | ENSN: 17583- |
|||
| ? | YM129100-61400 | • • SHAFT, CONTROL | 1 | ENSN: 17583- |
|||
| ? | YM129155-61430 | • • SPACER | 1 | ENSN: 17583- |
|||
| ? | YM129155-61450 | • • BOLT, REVOL. LIMIT | 2 | ENSN: 17583- |
|||
| ? | YM129155-61460 | • • BOLT, IDLE LIMIT | 1 | ENSN: 17583- |
|||
| ? | YM129155-61480 | • • SPACER | 2 | ENSN: 17583- |
|||
| ? | YM129052-61390 | • • SHAFT, GOVERNOR LEVER | 1 | ENSN: 17583- |
|||
| ? | YM119908-61501 | • • TORQUE SPRING ASSY. | 1 | ENSN: 17583- |
|||
| ? | YM174307-51700 | • • • KIT, SHIM | 2 | ENSN: 17583- |
|||
| ? | YM129486-61540 | • • • SPRING | 1 | ENSN: 17583- |
|||
| ? | YM129155-61830 | • • O-RING | 1 | ENSN: 17583- |
|||
| ? | YM119660-61901 | • • RETAINER, SHAFT | 1 | ENSN: 17583- |
|||
| ? | YM129155-61950 | • • SCREW | 1 | ENSN: 17583- |
|||
| ? | YM124550-66370 | • • NUT | 1 | ENSN: 17583- |
|||
| ? | YM22117-040000 | • • WASHER | 1 | ENSN: 17583- |
|||
| ? | YM22190-060003 | • • SPRING WASHER | 2 | ENSN: 17583- |
|||
| ? | YM22190-100002 | • • GASKET | 1 | ENSN: 17583- |
|||
| ? | YM22190-120002 | • • GASKET | 2 | ENSN: 17583- |
|||
| ? | YM22287-120000 | • • WASHER | 1 | ENSN: 17583- |
|||
| ? | YM22372-040000 | • • PIN | 2 | ENSN: 17583- |
|||
| ? | YM23887-100002 | • • PLUG | 1 | ENSN: 17583- |
|||
| ? | YM24341-000280 | • • O-RING | 1 | ENSN: 17583- |
|||
| ? | YM26106-060102 | • • BOLT PLATED | 1 | ENSN: 17583- |
|||
| ? | YM26776-120002 | • • NUT | 2 | ENSN: 17583- |
|||
| ? | YM26106-060102 | • • BOLT PLATED | 4 | ENSN: 17583- |
|||
| ? | YM26106-060142 | • • BOLT | 2 | ENSN: 17583- |
|||
| ? | YM26106-060202 | • • BOLT | 6 | ENSN: 17583- |
|||
| ? | YM26756-060002 | • • NUT | 2 | ENSN: 17583- |
|||
| ? | YM119600-66840 | • NUT | 1 | ENSN: 17583- |
|||
| ? | YM129100-61440 | • HANDLE | 1 | ENSN: 17583- |
|||
| ? | YM120323-61470 | • SCREW | 1 | ENSN: 17583- |
|||
| ? | YM129100-61650 | • SPRING | 1 | ENSN: 17583- |
|||
| ? | YM171353-61710 | • SPRING | 1 | ENSN: 17583- |
|||
| ? | YM129100-61930 | • CAP NUT | 1 | ENSN: 17583- |
|||
| ? | YM119233-77931 | • COIL | 1 | ENSN: 17583- |
|||
| ? | YM26366-080002 | • NUT | 1 | ENSN: 17583- |
|||
| ? | SEE FIG. 0431 | 0431 |