| Номер на схеме | Каталожный номер | Название | Количество | Детали | |||
|---|---|---|---|---|---|---|---|
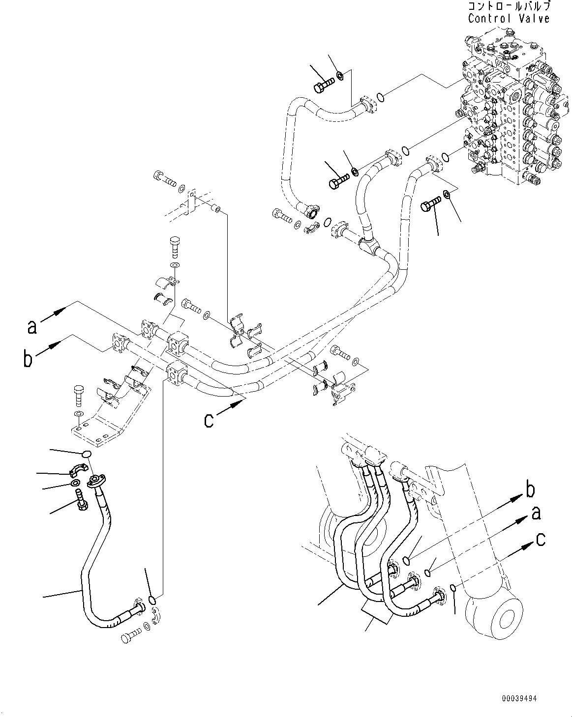
| ? | 207-62-63230 | Block | 1 | SN: 70001- KIT-FLAG: _- SCC: SERIALNO: 70001- |
|||
| ? | 01010-81280 | Bolt | 2 | SN: 70001- KIT-FLAG: _- SCC: SERIALNO: 70001- |
|||
| ? | 01643-31232 | Washer | 2 | SN: 70001- KIT-FLAG: _- SCC: SERIALNO: 70001- |
|||
| ? | 02783-10522 | Elbow | 2 | SN: 70001- KIT-FLAG: _- SCC: SERIALNO: 70001- |
|||
| ? | 07002-12434 | O-ring | 2 | SN: 70001- KIT-FLAG: _- SCC: SERIALNO: 70001- |
|||
| ? | 02896-11015 | O-ring | 2 | SN: 70001- KIT-FLAG: _- SCC: SERIALNO: 70001- |
|||
| ? | 07040-12412 | Plug | 1 | SN: 70001- KIT-FLAG: _- SCC: SERIALNO: 70001- |
|||
| ? | 07002-12434 | O-ring | 1 | SN: 70001- KIT-FLAG: _- SCC: SERIALNO: 70001- |
|||
| ? | 02782-10522 | Elbow | 1 | SN: 70001- KIT-FLAG: _- SCC: SERIALNO: 70001- |
|||
| ? | 07002-12434 | O-ring | 1 | SN: 70001- KIT-FLAG: _- SCC: SERIALNO: 70001- |
|||
| ? | 02896-11015 | O-ring | 1 | SN: 70001- KIT-FLAG: _- SCC: SERIALNO: 70001- |
|||
| ? | 20Y-62-19330 | Elbow | 1 | SN: 70001- KIT-FLAG: _- SCC: SERIALNO: 70001- |
|||
| ? | 144-947-3490 | Spacer | 1 | SN: 70001- KIT-FLAG: _- SCC: SERIALNO: 70001- |
|||
| ? | 01011-81205 | Bolt | 1 | SN: 70001- KIT-FLAG: _- SCC: SERIALNO: 70001- |
|||
| ? | 01643-31232 | Washer | 1 | SN: 70001- KIT-FLAG: _- SCC: SERIALNO: 70001- |
|||
| ? | 02783-10315 | Elbow | 1 | SN: 70001- KIT-FLAG: _- SCC: SERIALNO: 70001- |
|||
| ? | 07002-12034 | O-ring | 1 | SN: 70001- KIT-FLAG: _- SCC: SERIALNO: 70001- |
|||
| ? | 02896-11009 | O-ring | 1 | SN: 70001- KIT-FLAG: _- SCC: SERIALNO: 70001- |
|||
| ? | 02782-10315 | Elbow | 1 | SN: 70001- KIT-FLAG: _- SCC: SERIALNO: 70001- |
|||
| ? | 07002-12034 | O-ring | 1 | SN: 70001- KIT-FLAG: _- SCC: SERIALNO: 70001- |
|||
| ? | 02896-11009 | O-ring | 1 | SN: 70001- KIT-FLAG: _- SCC: SERIALNO: 70001- |
|||
| ? | 02781-00315 | Union | 1 | SN: 70001- KIT-FLAG: _- SCC: SERIALNO: 70001- |
|||
| ? | 07002-12034 | O-ring | 1 | SN: 70001- KIT-FLAG: _- SCC: SERIALNO: 70001- |
|||
| ? | 02896-11009 | O-ring | 1 | SN: 70001- KIT-FLAG: _- SCC: SERIALNO: 70001- |
|||
| ? | 207-62-73530 | Elbow | 1 | SN: 70001- KIT-FLAG: _- SCC: SERIALNO: 70001- |
|||
| ? | 22S-62-26210 | Spacer | 1 | SN: 70001- KIT-FLAG: _- SCC: SERIALNO: 70001- |
|||
| ? | 01011-81205 | Bolt | 1 | SN: 70001- KIT-FLAG: _- SCC: SERIALNO: 70001- |
|||
| ? | 01643-31232 | Washer | 1 | SN: 70001- KIT-FLAG: _- SCC: SERIALNO: 70001- |
|||
| ? | 02783-10315 | Elbow | 1 | SN: 70001- KIT-FLAG: _- SCC: SERIALNO: 70001- |
|||
| ? | 07002-12034 | O-ring | 1 | SN: 70001- KIT-FLAG: _- SCC: SERIALNO: 70001- |
|||
| ? | 02896-11009 | O-ring | 1 | SN: 70001- KIT-FLAG: _- SCC: SERIALNO: 70001- |
|||
| ? | 02782-10315 | Elbow | 1 | SN: 70001- KIT-FLAG: _- SCC: SERIALNO: 70001- |
|||
| ? | 07002-12034 | O-ring | 1 | SN: 70001- KIT-FLAG: _- SCC: SERIALNO: 70001- |
|||
| ? | 02896-11009 | O-ring | 1 | SN: 70001- KIT-FLAG: _- SCC: SERIALNO: 70001- |
|||
| ? | 7861-93-1812 | Sensor, Pressure | 1 | SN: 70461- KIT-FLAG: _- SCC: SERIALNO: 70461- |
|||
| ? | 7861-93-1811 | Sensor, Pressure | 1 | SN: 70001-70460 KIT-FLAG: _- SCC: A2 SERIALNO: 70001-70460 |
|||
| ? | 07002-61823 | • O-ring | 1 | SN: 70461- KIT-FLAG: _- SCC: SERIALNO: 70461- |
|||
| ? | 07002-11823 | • O-ring | 1 | SN: 70001-70460 KIT-FLAG: _- SCC: SERIALNO: 70001-70460 |
|||
| ? | 08034-20536 | Band | 2 | SN: 70001- KIT-FLAG: _- SCC: SERIALNO: 70001- |
|||
| ? | 07002-11823 | O-ring | 1 | SN: 70001- KIT-FLAG: _- SCC: SERIALNO: 70001- |
|||
| ? | 02762-00327 | Hose, Face Seal Type | 1 | SN: 70001- KIT-FLAG: _- SCC: SERIALNO: 70001- |
|||
| ? | 02762-00518 | Hose, Face Seal Type | 1 | SN: 70001- KIT-FLAG: _- SCC: SERIALNO: 70001- |
|||
| ? | 04434-53412 | Clip | 1 | SN: 70001- KIT-FLAG: _- SCC: SERIALNO: 70001- |
|||
| ? | 20Y-62-43640 | Tee | 1 | SN: 70001- KIT-FLAG: _- SCC: SERIALNO: 70001- |
|||
| ? | 07002-11423 | O-ring | 1 | SN: 70001- KIT-FLAG: _- SCC: SERIALNO: 70001- |
|||
| ? | 11Y-62-12520 | Union | 1 | SN: 70001- KIT-FLAG: _- SCC: SERIALNO: 70001- |
|||
| ? | 07002-11423 | O-ring | 1 | SN: 70001- KIT-FLAG: _- SCC: SERIALNO: 70001- |
|||
| ? | 02896-11009 | O-ring | 1 | SN: 70001- KIT-FLAG: _- SCC: SERIALNO: 70001- |
|||
| ? | 02782-10210 | Elbow | 1 | SN: 70001- KIT-FLAG: _- SCC: SERIALNO: 70001- |
|||
| ? | 07002-11423 | O-ring | 1 | SN: 70001- KIT-FLAG: _- SCC: SERIALNO: 70001- |
|||
| ? | 02896-11008 | O-ring | 1 | SN: 70001- KIT-FLAG: _- SCC: SERIALNO: 70001- |
|||
| ? | 08034-20536 | Band | 1 | SN: 70001- KIT-FLAG: _- SCC: SERIALNO: 70001- |
|||
| ? | (02762-00518) | Hose, Face Seal Type | SN: - KIT-FLAG: _- SCC: SERIALNO: |
H1250-002001 | |||
| ? | (208-62-72791) | Bracket | SN: - KIT-FLAG: _- SCC: SERIALNO: |
H1210-002001 |