| Номер на схеме | Каталожный номер | Название | Количество | Детали | |||
|---|---|---|---|---|---|---|---|
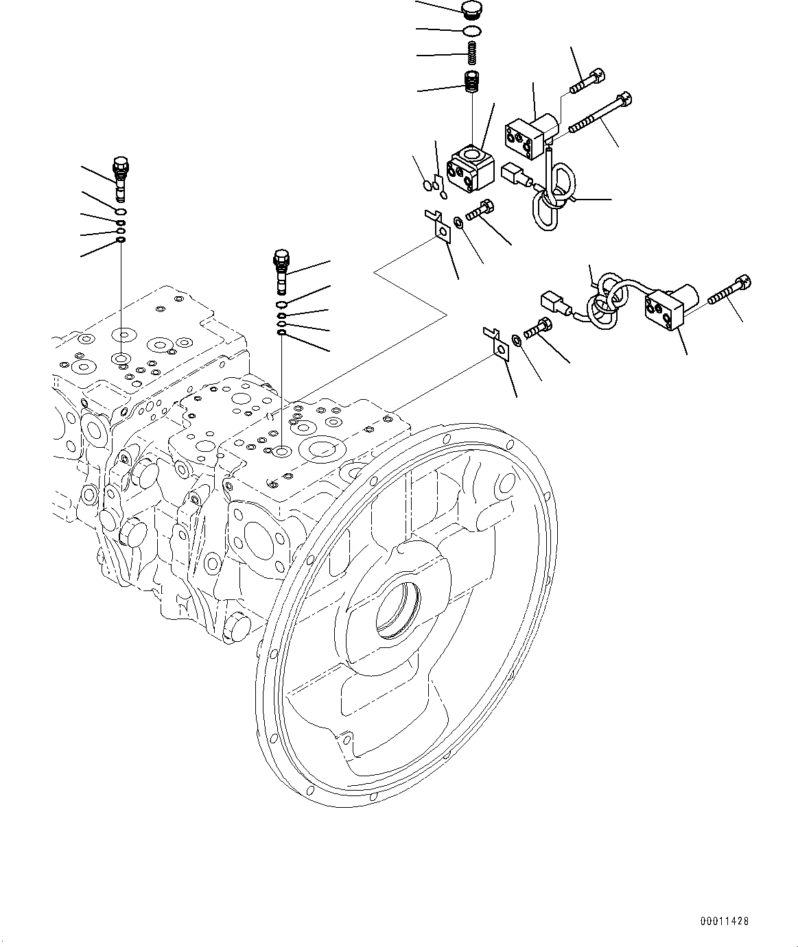
| ? | 708-2H-00026 | Pump Assembly | 1 | SN: 70001-70002 KIT-FLAG: _- SCC: SERIALNO: 70001-70002 |
|||
| ? | 702-21-57600 | • Valve, Pilot | 1 | SN: 70001-70002 KIT-FLAG: _- SCC: SERIALNO: 70001-70002 |
|||
| ? | 01252-60635 | • Bolt, Hexagon Socket Head | 2 | SN: 70001-70002 KIT-FLAG: _- SCC: SERIALNO: 70001-70002 |
|||
| ? | 20Y-62-22790 | • Band, Red | 1 | SN: 70001-70002 KIT-FLAG: _- SCC: SERIALNO: 70001-70002 |
|||
| ? | 702-21-57500 | • Valve, Pilot | 1 | SN: 70001-70002 KIT-FLAG: _- SCC: SERIALNO: 70001-70002 |
|||
| ? | 700-80-61260 | • • O-ring | 1 | SN: 70001-70002 KIT-FLAG: _- SCC: SERIALNO: 70001-70002 |
|||
| ? | 20Y-62-22830 | • Band, White | 1 | SN: 70001-70002 KIT-FLAG: _- SCC: SERIALNO: 70001-70002 |
|||
| ? | 702-21-55400 | • Valve Assembly | 1 | SN: 70001-70002 KIT-FLAG: _- SCC: SERIALNO: 70001-70002 |
|||
| ? | 702-21-55920 | • • Plug | 1 | SN: 70001-70002 KIT-FLAG: _- SCC: SERIALNO: 70001-70002 |
|||
| ? | 702-21-55930 | • • Piston | 1 | SN: 70001-70002 KIT-FLAG: _- SCC: SERIALNO: 70001-70002 |
|||
| ? | 702-21-55940 | • • Spring | 1 | SN: 70001-70002 KIT-FLAG: _- SCC: SERIALNO: 70001-70002 |
|||
| ? | 702-21-55951 | • • Block | 1 | SN: 70001-70002 KIT-FLAG: _- SCC: SERIALNO: 70001-70002 |
|||
| ? | 07002-12034 | • • O-ring | 1 | SN: 70001-70002 KIT-FLAG: _- SCC: SERIALNO: 70001-70002 |
|||
| ? | 07000-11008 | • O-ring | 2 | SN: 70001-70002 KIT-FLAG: _- SCC: SERIALNO: 70001-70002 |
|||
| ? | 722-12-18240 | • O-ring | 1 | SN: 70001-70002 KIT-FLAG: _- SCC: SERIALNO: 70001-70002 |
|||
| ? | 01252-60530 | • Bolt, Hexagon Socket Head | 1 | SN: 70001-70002 KIT-FLAG: _- SCC: SERIALNO: 70001-70002 |
|||
| ? | (708-2H-15531) | • Plug | 2 | SN: 70001-70002 KIT-FLAG: _- SCC: C2 SERIALNO: 70001-70002 |
|||
| ? | 07000-B1008 | • O-ring | 2 | SN: 70001-70002 KIT-FLAG: _- SCC: SERIALNO: 70001-70002 |
|||
| ? | 07001-01008 | • Ring, Back-up | 4 | SN: 70001-70002 KIT-FLAG: _- SCC: SERIALNO: 70001-70002 |
|||
| ? | 07002-61423 | • O-ring | 2 | SN: 70001-70002 KIT-FLAG: _- SCC: SERIALNO: 70001-70002 |
|||
| ? | 01643-51232 | • Washer | 2 | SN: 70001-70002 KIT-FLAG: _- SCC: SERIALNO: 70001-70002 |
|||
| ? | 01010-81220 | • Bolt | 2 | SN: 70001-70002 KIT-FLAG: _- SCC: SERIALNO: 70001-70002 |
|||
| ? | 08193-21012 | • Clip | 2 | SN: 70001-70002 KIT-FLAG: _- SCC: SERIALNO: 70001-70002 |