| Номер на схеме | Каталожный номер | Название | Количество | Детали | |||
|---|---|---|---|---|---|---|---|
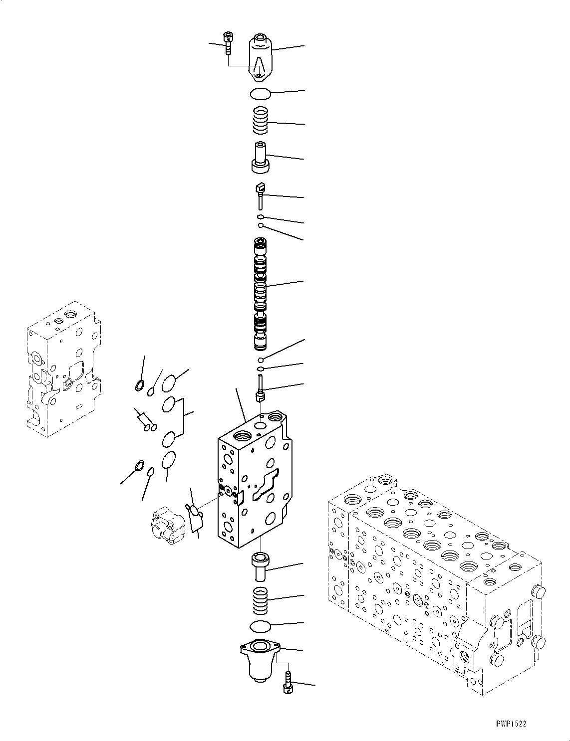
| ? | 723-48-27603 | Valve Assembly, Control | 1 | SN: 70881- KIT-FLAG: _- SCC: SERIALNO: 70881- |
|||
| ? | 723-48-27602 | Valve Assembly, Control | 1 | SN: 70277-70880 KIT-FLAG: _- SCC: SERIALNO: 70277-70880 |
|||
| ? | 723-48-27601 | Valve Assembly, Control | 1 | SN: 70001-70276 KIT-FLAG: _- SCC: SERIALNO: 70001-70276 |
|||
| ? | • Body Subassembly | 1 | SN: 70001- KIT-FLAG: _- SCC: C1 SERIALNO: 70001- |
||||
| ? | • • Block, Valve | 1 | SN: 70001- KIT-FLAG: _- SCC: C1 SERIALNO: 70001- |
||||
| ? | • • Spool | 1 | SN: 70001- KIT-FLAG: _- SCC: C1 SERIALNO: 70001- |
||||
| ? | 723-46-15130 | • • Plug | 2 | SN: 70001- KIT-FLAG: _- SCC: SERIALNO: 70001- |
|||
| ? | 07002-10823 | • • O-ring | 2 | SN: 70001- KIT-FLAG: _- SCC: SERIALNO: 70001- |
|||
| ? | 708-7T-16460 | • • Ball | 2 | SN: 70001- KIT-FLAG: _- SCC: SERIALNO: 70001- |
|||
| ? | 723-46-15120 | • • Retainer | 2 | SN: 70001- KIT-FLAG: _- SCC: SERIALNO: 70001- |
|||
| ? | 723-46-14110 | • • Spring | 2 | SN: 70001- KIT-FLAG: _- SCC: SERIALNO: 70001- |
|||
| ? | 723-46-15111 | • • Case | 2 | SN: 70001- KIT-FLAG: _- SCC: SERIALNO: 70001- |
|||
| ? | 07430-71380 | • • O-ring | 2 | SN: 70001- KIT-FLAG: _- SCC: SERIALNO: 70001- |
|||
| ? | 01252-60820 | • • Bolt, Hexagon Socket Head | 4 | SN: 70001- KIT-FLAG: _- SCC: SERIALNO: 70001- |
|||
| ? | 07000-11009 | • • O-ring | 2 | SN: 70001- KIT-FLAG: _- SCC: SERIALNO: 70001- |
|||
| ? | 07000-12021 | • • O-ring | 1 | SN: 70001- KIT-FLAG: _- SCC: SERIALNO: 70001- |
|||
| ? | 723-46-17530 | • • O-ring | 2 | SN: 70001- KIT-FLAG: _- SCC: SERIALNO: 70001- |
|||
| ? | 723-11-19130 | • • O-ring | 2 | SN: 70001- KIT-FLAG: _- SCC: SERIALNO: 70001- |
|||
| ? | 723-46-17520 | • • Ring, Back-up | 2 | SN: 70001- KIT-FLAG: _- SCC: SERIALNO: 70001- |
|||
| ? | 07000-13032 | • • O-ring | 2 | SN: 70001- KIT-FLAG: _- SCC: SERIALNO: 70001- |
|||
| ? | 723-46-17510 | • • O-ring | 2 | SN: 70001- KIT-FLAG: _- SCC: SERIALNO: 70001- |