k-part
Номер на схеме Каталожный номер Название Количество Детали
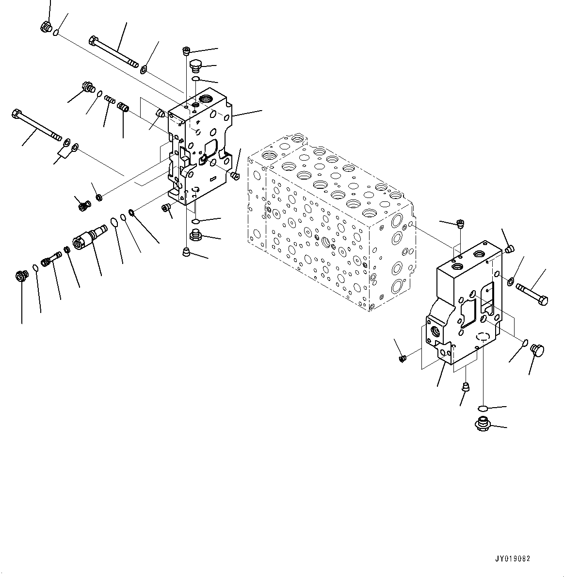
? 723-47-27503 Valve, Control 1
SN: 70881-
KIT-FLAG: _-
SCC:
SERIALNO: 70881-
? 723-46-00660 • Cover Assembly 1
SN: 70987-
KIT-FLAG: _-
SCC:
SERIALNO: 70987-
? • • Cover 1
SN: 70987-
KIT-FLAG: _-
SCC: C1
SERIALNO: 70987-
? • • Plug 7
SN: 70001-
KIT-FLAG: _-
SCC: C1
SERIALNO: 70001-
? • • Plug 1
SN: 70001-
KIT-FLAG: _-
SCC: C1
SERIALNO: 70001-
? 723-46-00742 • Cover Assembly 1
SN: 70001-
KIT-FLAG: _-
SCC:
SERIALNO: 70001-
? • • Cover, B 1
SN: 70001-
KIT-FLAG: _-
SCC: C1
SERIALNO: 70001-
? • • Plug 8
SN: 70001-
KIT-FLAG: _-
SCC: C1
SERIALNO: 70001-
? 708-8E-16250 • Plug 4
SN: 70987-
KIT-FLAG: _-
SCC:
SERIALNO: 70987-
? 07002-11823 • O-ring 4
SN: 70987-
KIT-FLAG: _-
SCC:
SERIALNO: 70987-
? 723-46-17600 • Plug Assembly 1
SN: 70001-
KIT-FLAG: _-
SCC:
SERIALNO: 70001-
? 723-46-17610 • • Sleeve 1
SN: 70001-
KIT-FLAG: _-
SCC:
SERIALNO: 70001-
? 723-46-17640 • • Plug 1
SN: 70001-
KIT-FLAG: _-
SCC:
SERIALNO: 70001-
? 702-21-55760 • • Filter 1
SN: 70001-
KIT-FLAG: _-
SCC:
SERIALNO: 70001-
? 07002-11423 • • O-ring 1
SN: 70001-
KIT-FLAG: _-
SCC:
SERIALNO: 70001-
? 07000-11007 • • O-ring 1
SN: 70001-
KIT-FLAG: _-
SCC:
SERIALNO: 70001-
? 07001-01007 • • Ring, Back-up 1
SN: 70001-
KIT-FLAG: _-
SCC:
SERIALNO: 70001-
? 708-8E-16160 • • Plug 1
SN: 70001-
KIT-FLAG: _-
SCC:
SERIALNO: 70001-
? 07002-11023 • • O-ring 1
SN: 70001-
KIT-FLAG: _-
SCC:
SERIALNO: 70001-
? 723-40-82220 • Filter 2
SN: 70001-
KIT-FLAG: _-
SCC:
SERIALNO: 70001-
? 723-46-17550 • Plug 2
SN: 70001-
KIT-FLAG: _-
SCC:
SERIALNO: 70001-
? 723-46-15190 • Valve 2
SN: 70001-
KIT-FLAG: _-
SCC:
SERIALNO: 70001-
? 723-46-14140 • Spring 2
SN: 70001-
KIT-FLAG: _-
SCC:
SERIALNO: 70001-
? 708-8E-16160 • Plug 2
SN: 70001-
KIT-FLAG: _-
SCC:
SERIALNO: 70001-
? 07002-11023 • O-ring 2
SN: 70001-
KIT-FLAG: _-
SCC:
SERIALNO: 70001-
? 709-74-91860 • Plug 1
SN: 70001-
KIT-FLAG: _-
SCC:
SERIALNO: 70001-
? 07002-12434 • O-ring 1
SN: 70001-
KIT-FLAG: _-
SCC:
SERIALNO: 70001-
? 708-8H-11530 • Plug 1
SN: 70001-
KIT-FLAG: _-
SCC:
SERIALNO: 70001-
? 07002-11423 • O-ring 1
SN: 70001-
KIT-FLAG: _-
SCC:
SERIALNO: 70001-
? 01010-61490 • Bolt 4
SN: 70001-
KIT-FLAG: _-
SCC:
SERIALNO: 70001-
? 01643-31445 • Washer, Flat 10
SN: 70001-
KIT-FLAG: _-
SCC:
SERIALNO: 70001-
? 01011-61455 • Bolt 4
SN: 70001-
KIT-FLAG: _-
SCC:
SERIALNO: 70001-

Excavators Komatsu / PC400LC-8 S/N 70001-UP(0000159c) / Control Valve, Inner Parts (7/20) (#70987-)(H004008 : H0120-001007A)
?
?
?
?
?
?
?
?
?
?
?
?
?
?
?
?
?
?
?
?
?
?
?
?
?
?
?
?
?
?
?
?
?
?
?
?
?
?
?
?
?