| Номер на схеме | Каталожный номер | Название | Количество | Детали | |||
|---|---|---|---|---|---|---|---|
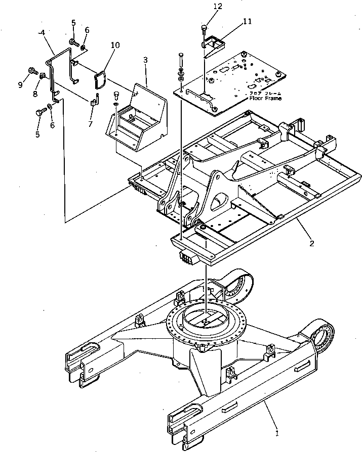
| ? | 205-30-45520 | FRAME,TRACK | 1 | SN: K10001- |
|||
| ? | 206-46-44130 | FRAME,REVOLVING | 1 | SN: K10001- |
|||
| ? | 205-54-77271 | COVER | 1 | SN: K10001- |
|||
| ? | 205-54-77110 | HAND RAIL | 1 | SN: K10001- |
|||
| ? | 01010-51225 | BOLT | 8 | SN: K10001- |
|||
| ? | 01643-31232 | WASHER | 8 | SN: K10001- |
|||
| ? | 205-54-K1150 | SUPPORT | 1 | SN: K10420- |
|||
| ? | 205-54-68480 | SUPPORT | 1 | SN: K10001-K10419 |
|||
| ? | 207-54-17840 | CLAMP | 1 | SN: K10001- |
|||
| ? | 01252-41025 | BOLT | 2 | SN: K10001- |
|||
| ? | 205-54-K1130 | MIRROR | 1 | SN: K10001- |
|||
| ? | 205-43-71630 | COVER | 1 | SN: K10001- |
|||
| ? | 01010-51240 | BOLT | 4 | SN: K10001- |
