| Номер на схеме | Каталожный номер | Название | Количество | Детали | |||
|---|---|---|---|---|---|---|---|
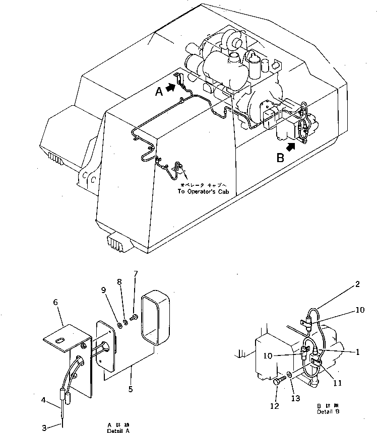
| ? | 205-06-71841 | SWITCH | 1 | SN: K10001- |
|||
| ? | 205-06-71951 | WIRE ASS'Y | 1 | SN: K10001- |
|||
| ? | 175-06-37391 | WIRE | 1 | SN: K10001- |
|||
| ? | 08023-06110 | TUBE | 1 | SN: K10001- |
|||
| ? | 08141-02400 | LAMP | 1 | SN: K10001- |
|||
| ? | 205-06-71970 | BRACKET | 1 | SN: K10001- |
|||
| ? | 01220-40412 | SCREW | 2 | SN: K10001- |
|||
| ? | 01601-20410 | WASHER,SPRING | 2 | SN: K10001- |
|||
| ? | 01641-20405 | WASHER | 2 | SN: K10001- |
|||
| ? | 08036-01814 | CLIP | 2 | SN: K10001- |
|||
| ? | 08036-10814 | CLIP | 1 | SN: K10001- |
|||
| ? | 01010-51016 | BOLT | 1 | SN: K10001- |
|||
| ? | 01643-31032 | WASHER | 1 | SN: K10001- |
