| Номер на схеме | Каталожный номер | Название | Количество | Детали | |||
|---|---|---|---|---|---|---|---|
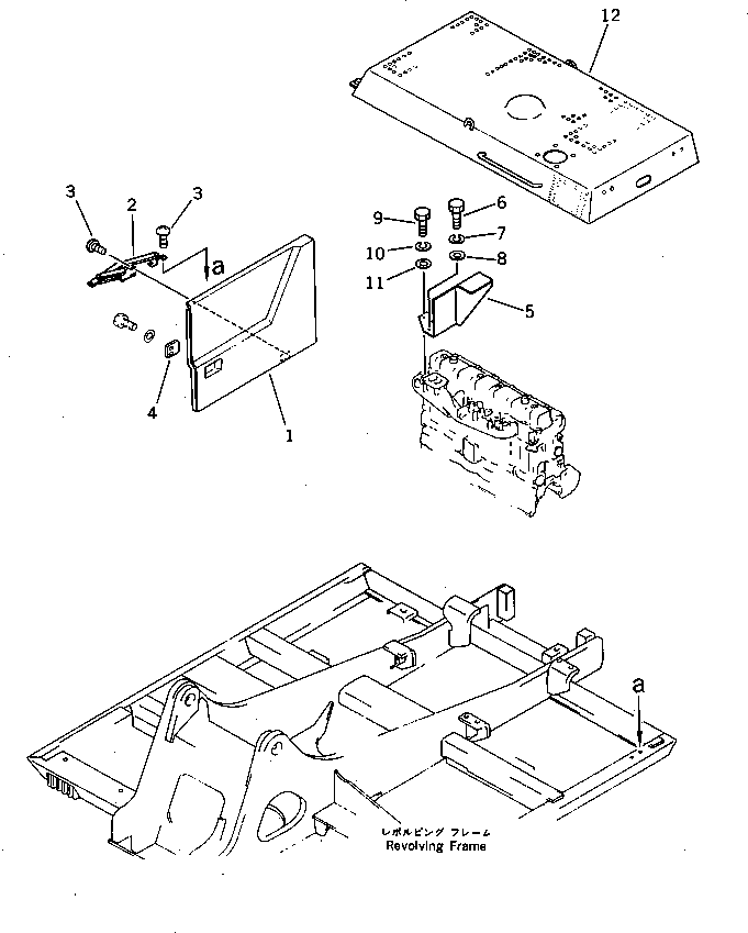
| ? | 205-54-77210 | DOOR | 1 | SN: K10001- |
|||
| ? | 208-54-12450 | STAY | 1 | SN: K10001- |
|||
| ? | 01225-40510 | SCREW | 8 | SN: K10001- |
|||
| ? | 205-54-77260 | BRACKET | 1 | SN: K10001- |
|||
| ? | 205-01-73141 | COVER | 1 | SN: K10001- |
|||
| ? | 01010-81025 | BOLT | 2 | SN: K10001- |
|||
| ? | 01602-21030 | WASHER,SPRING | 2 | SN: K10001- |
|||
| ? | 01643-31032 | WASHER | 2 | SN: K10001- |
|||
| ? | 01010-50820 | BOLT | 2 | SN: K10001- |
|||
| ? | 01602-20825 | WASHER,SPRING | 2 | SN: K10001- |
|||
| ? | 01643-30823 | WASHER | 2 | SN: K10001- |
|||
| ? | 206-54-46151 | HOOD | 1 | SN: K10001- |
