| Номер на схеме | Каталожный номер | Название | Количество | Детали | |||
|---|---|---|---|---|---|---|---|
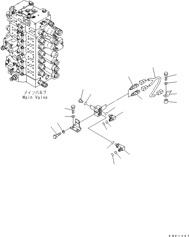
| ? | 01010-80820 | BOLT | 2 | SN: K40001- |
|||
| ? | 01643-30823 | WASHER | 2 | SN: K40001- |
|||
| ? | 01010-81025 | BOLT | 2 | SN: K40001- |
|||
| ? | 01643-31032 | WASHER | 2 | SN: K40001- |
|||
| ? | 20Y-62-22271 | ELBOW | 1 | SN: K40001- |
|||
| ? | 201-60-11390 | • O-RING | 1 | SN: K40001- |
|||
| ? | 20Y-62-19560 | • O-RING | 1 | SN: K40001- |
|||
| ? | 07002-01423 | O-RING | 1 | SN: K40001- |
|||
| ? | 14X-43-14840 | ELBOW | 1 | SN: K40001- |
|||
| ? | 201-60-11390 | • O-RING | 1 | SN: K40001- |
|||
| ? | 20Y-62-19560 | • O-RING | 1 | SN: K40001- |
|||
| ? | 07002-01423 | O-RING | 1 | SN: K40001- |
|||
| ? | 07040-11409 | PLUG | 2 | SN: K40001- |
|||
| ? | 07002-01423 | O-RING | 2 | SN: K40001- |
|||
| ? | 206-06-61130 | SWITCH | 2 | SN: K40001- |
|||
| ? | 20Y-06-21330 | WIRING HARNESS | 1 | SN: K40001- |
|||
| ? | 08053-01512 | CLIP | 1 | SN: K40001- |
|||
| ? | 195-33-11220 | SPACER | 1 | SN: K40001- |
|||
| ? | 01010-81045 | BOLT | 1 | SN: K40001- |
|||
| ? | 01643-31032 | WASHER | 1 | SN: K40001- |