k-part
Номер на схеме Каталожный номер Название Количество Детали
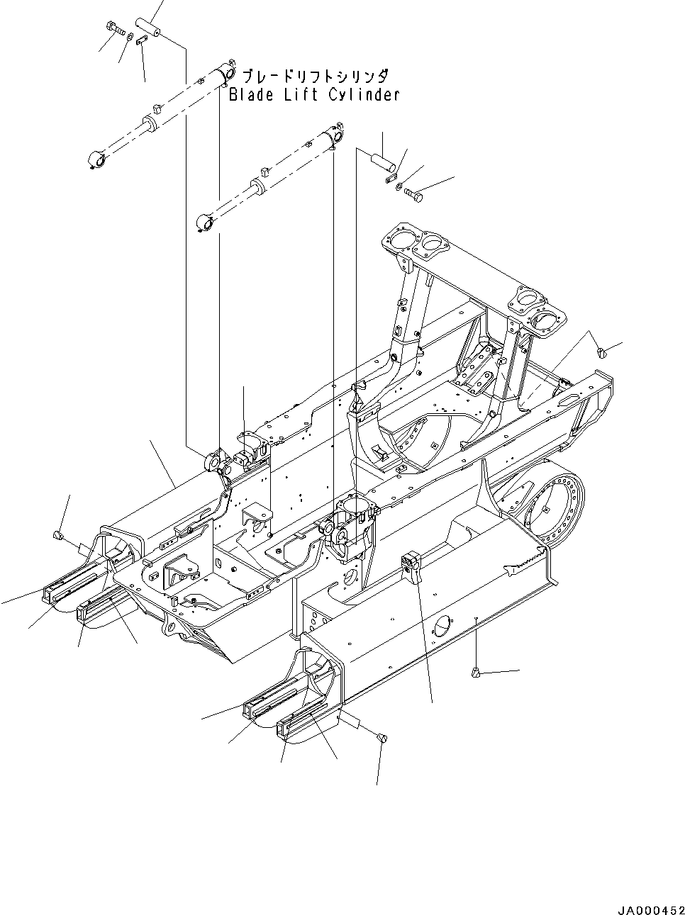
? 11Y-21-36702 Frame Assembly 1
SN: 61229-
KIT-FLAG: _-
SCC:
SERIALNO: 61229-
? 11Y-21-36701 Frame Assembly 1
SN: 60637-61228
KIT-FLAG: _-
SCC: A2
SERIALNO: 60637-61228
? 11Y-21-36700 Frame Assembly 1
SN: 60424-60636
KIT-FLAG: _-
SCC: A2
SERIALNO: 60424-60636
? 11Y-21-33271 • Bracket, Welded 1
SN: 60424-
KIT-FLAG: _-
SCC:
SERIALNO: 60424-
? 11Y-21-13A71 • Bar, Welded 2
SN: 60424-
KIT-FLAG: _-
SCC:
SERIALNO: 60424-
? 11Y-21-13H10 • Plate, Welded 4
SN: 60424-
KIT-FLAG: _-
SCC:
SERIALNO: 60424-
? 12G-21-51G70 • Plate, Welded 2
SN: 60424-
KIT-FLAG: _-
SCC:
SERIALNO: 60424-
? 11Y-21-33271 • Bracket, Welded 1
SN: 60424-
KIT-FLAG: _-
SCC:
SERIALNO: 60424-
? 11Y-21-13A71 • Bar, Welded 2
SN: 60424-
KIT-FLAG: _-
SCC:
SERIALNO: 60424-
? 11Y-21-13H10 • Plate, Welded 4
SN: 60424-
KIT-FLAG: _-
SCC:
SERIALNO: 60424-
? 12G-21-51G70 • Plate, Welded 2
SN: 60424-
KIT-FLAG: _-
SCC:
SERIALNO: 60424-
? 134-72-61510 Pin 2
SN: 60424-
KIT-FLAG: _-
SCC:
SERIALNO: 60424-
? 113-70-21280 Lock 2
SN: 60424-
KIT-FLAG: _-
SCC:
SERIALNO: 60424-
? 01010-81025 Bolt 4
SN: 60424-
KIT-FLAG: _-
SCC:
SERIALNO: 60424-
? 01643-31032 Washer 4
SN: 60424-
KIT-FLAG: _-
SCC:
SERIALNO: 60424-
? 07049-01620 Plug 16
SN: 60424-
KIT-FLAG: _-
SCC:
SERIALNO: 60424-
? 07049-01215 Plug 8
SN: 60424-
KIT-FLAG: _-
SCC:
SERIALNO: 60424-
? 07049-02430 Plug 18
SN: 60424-
KIT-FLAG: _-
SCC:
SERIALNO: 60424-

Bulldozers Komatsu / D31EX-22 S/N 60001-UP(0000137c) / Main Frame (#61015-)(J002001 : J2110-002001)
?
?
?
?
?
?
?
?
?
?
?
?
?
?
?
?
?
?
?
?
?
?
?