k-part
Номер на схеме Каталожный номер Название Количество Детали
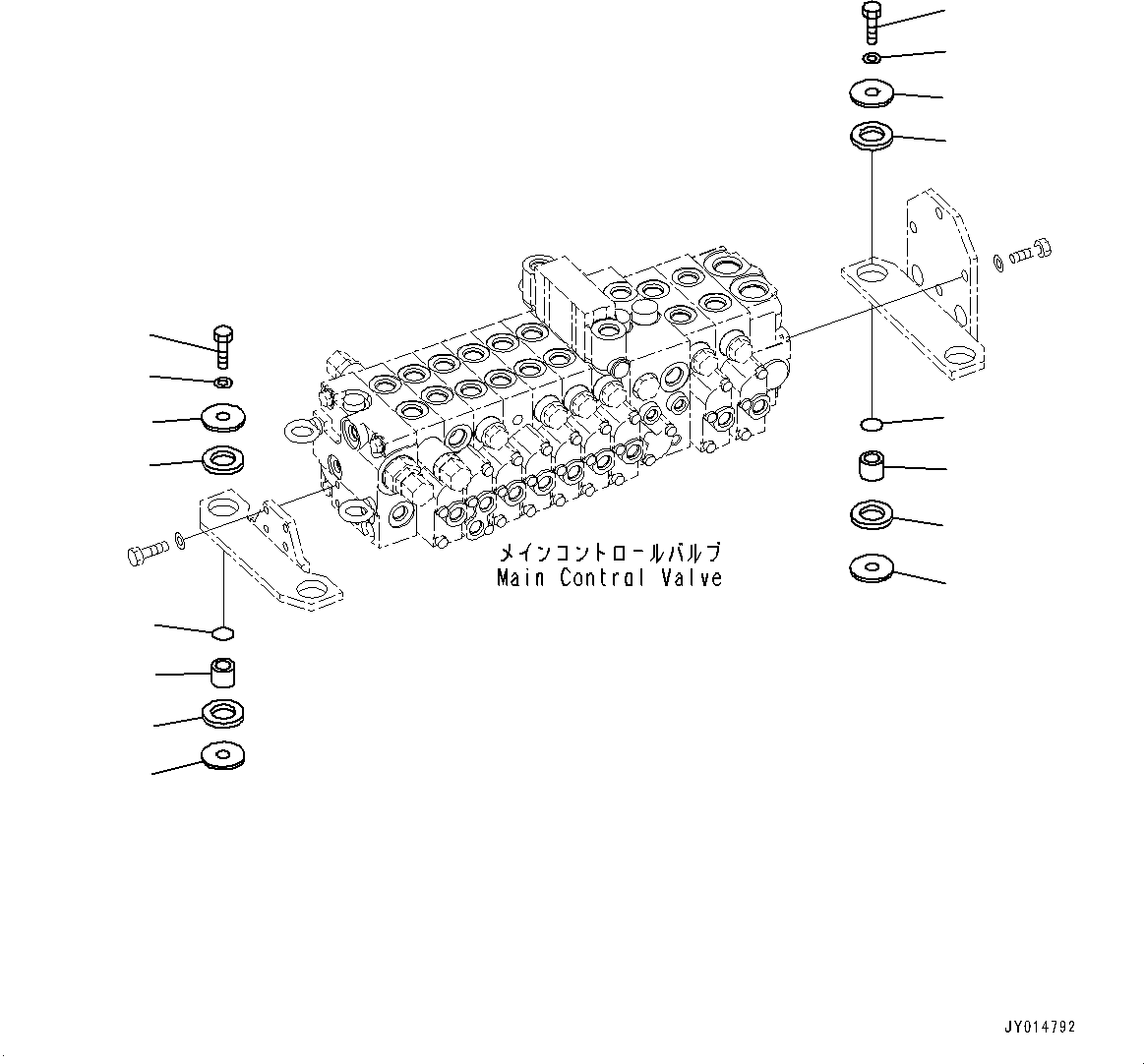
? 201-910-6730 Cushion 8
SN: 6201-
KIT-FLAG: _-
SCC:
SERIALNO: 6201-
? 07002-12434 O-ring 4
SN: 6201-
KIT-FLAG: _-
SCC:
SERIALNO: 6201-
? 415-64-13120 Washer 8
SN: 6201-
KIT-FLAG: _-
SCC:
SERIALNO: 6201-
? 22M-60-22130 Collar 4
SN: 6201-
KIT-FLAG: _-
SCC:
SERIALNO: 6201-
? 01010-81040 Bolt 4
SN: 6201-
KIT-FLAG: _-
SCC:
SERIALNO: 6201-
? 01643-31032 Washer 4
SN: 6201-
KIT-FLAG: _-
SCC:
SERIALNO: 6201-

Excavators Komatsu / PC45MR-3 S/N 5001-UP (North America Spec.)(0000125c) / Control Valve, Mounting (#6201-)(H011036 : H0120-017035)
?
?
?
?
?
?
?
?
?
?
?
?
?
?
?
?