| Номер на схеме | Каталожный номер | Название | Количество | Детали | |||
|---|---|---|---|---|---|---|---|
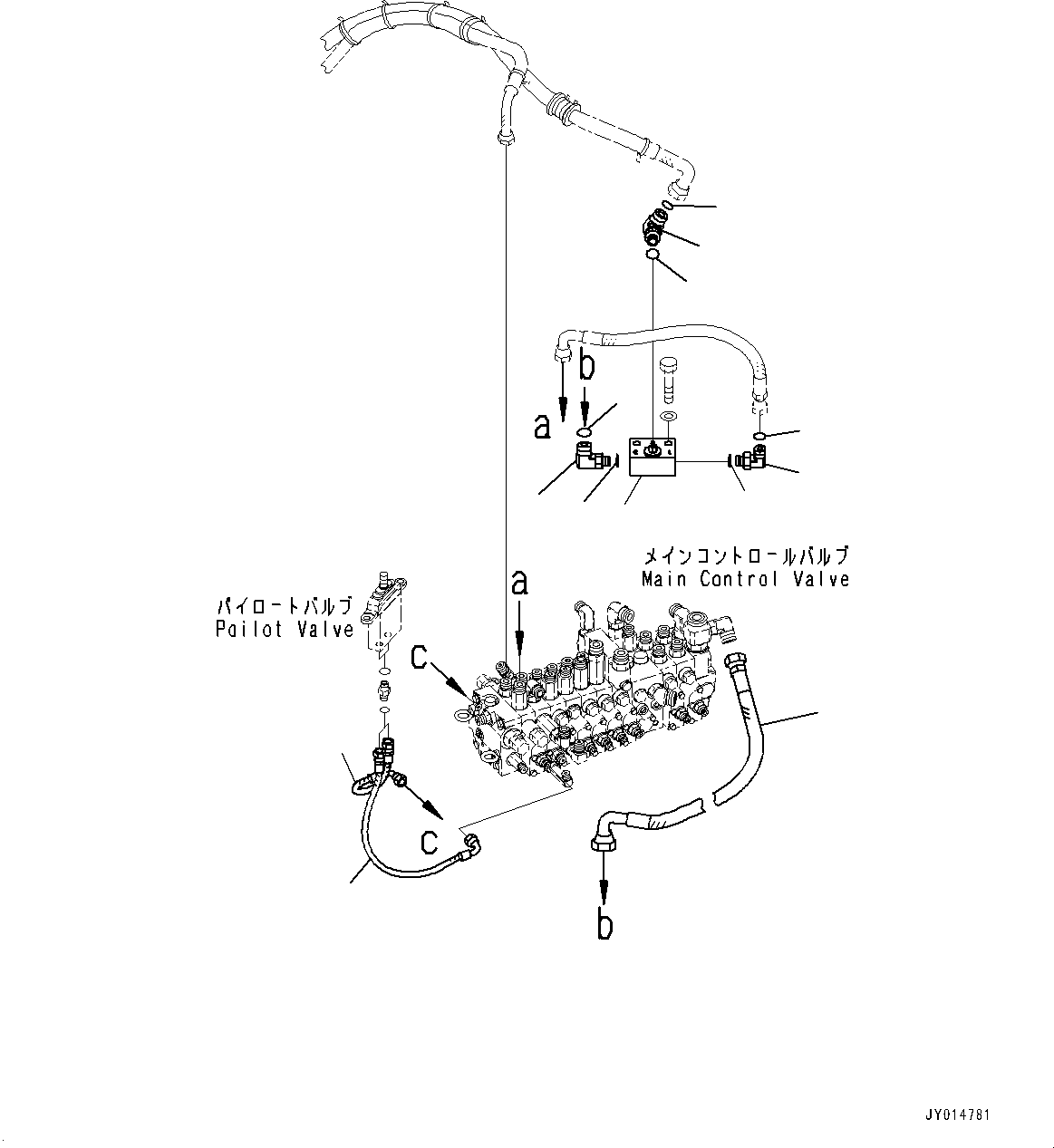
| ? | 22L-973-2110 | Valve Assembly | 1 | SN: 5401-6000 KIT-FLAG: _- SCC: SERIALNO: 5401-6000 |
|||
| ? | 02782-10420 | Elbow | 1 | SN: 5401-6000 KIT-FLAG: _- SCC: SERIALNO: 5401-6000 |
|||
| ? | 02896-11012 | O-ring | 1 | SN: 5401-6000 KIT-FLAG: _- SCC: SERIALNO: 5401-6000 |
|||
| ? | 07002-11823 | O-ring | 1 | SN: 5401-6000 KIT-FLAG: _- SCC: SERIALNO: 5401-6000 |
|||
| ? | 22M-62-21380 | Elbow | 2 | SN: 5401-6000 KIT-FLAG: _- SCC: SERIALNO: 5401-6000 |
|||
| ? | 02896-11015 | O-ring | 2 | SN: 5401-6000 KIT-FLAG: _- SCC: SERIALNO: 5401-6000 |
|||
| ? | 07002-11823 | O-ring | 2 | SN: 5401-6000 KIT-FLAG: _- SCC: SERIALNO: 5401-6000 |
|||
| ? | 22M-973-3290 | Hose | 1 | SN: 5401-6000 KIT-FLAG: _- SCC: SERIALNO: 5401-6000 |
|||
| ? | 22M-973-3350 | Hose Assembly | 1 | SN: 5401-6000 KIT-FLAG: _- SCC: SERIALNO: 5401-6000 |
|||
| ? | 22M-973-3410 | • Hose | 1 | SN: 5401-6000 KIT-FLAG: _- SCC: SERIALNO: 5401-6000 |
|||
| ? | 22M-973-3340 | Hose Assembly | 1 | SN: 5401-6000 KIT-FLAG: _- SCC: SERIALNO: 5401-6000 |
|||
| ? | 22M-973-3420 | • Hose | 1 | SN: 5401-6000 KIT-FLAG: _- SCC: SERIALNO: 5401-6000 |
|||
| ? | 08210-01201 | • Tube, Spiral | 1 | SN: 5401-6000 KIT-FLAG: _- SCC: SERIALNO: 5401-6000 |