| Номер на схеме | Каталожный номер | Название | Количество | Детали | |||
|---|---|---|---|---|---|---|---|
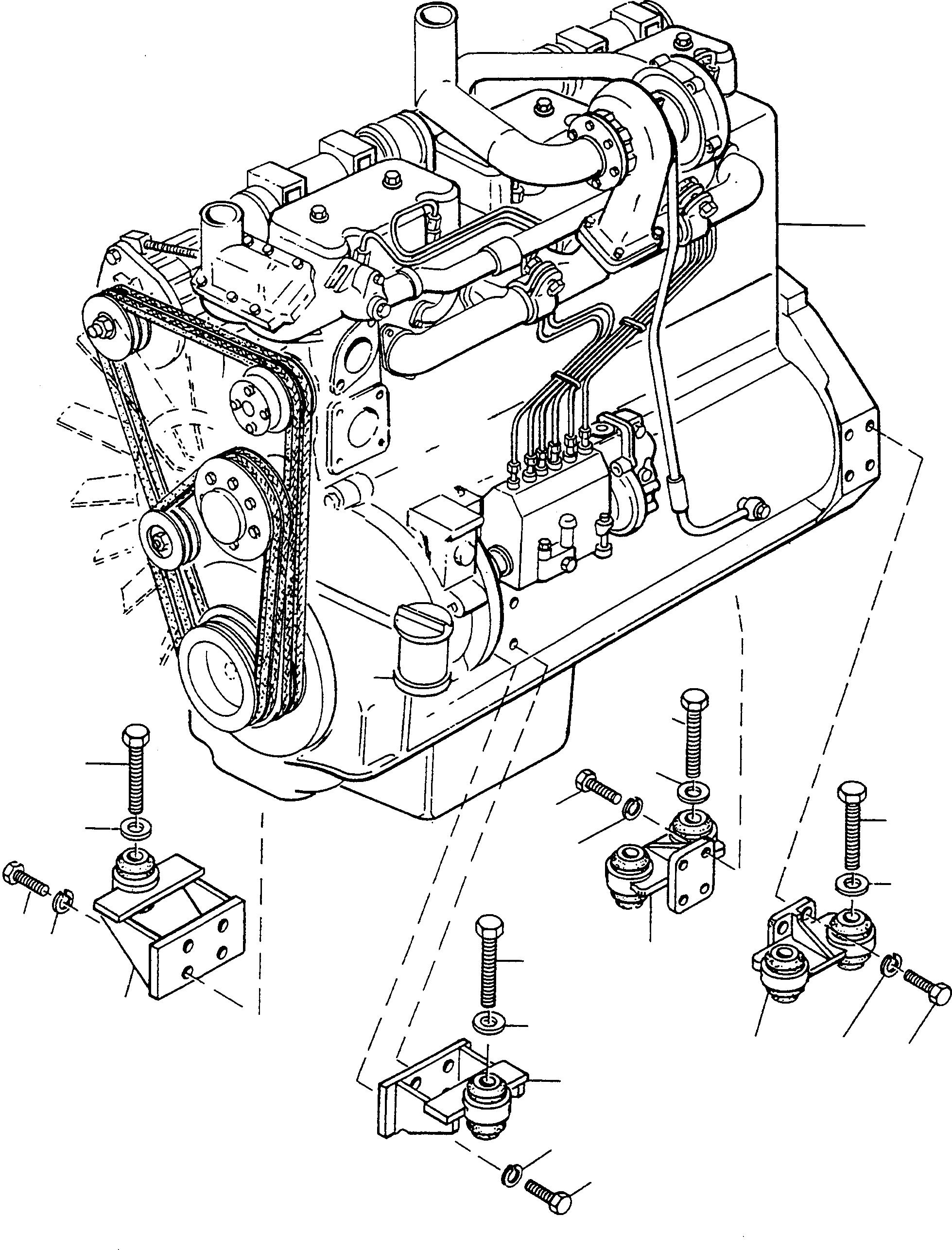
| ? | 2992259M91 | ENGINE | 1 | EnglischBem: ORDER 2992 269 M91 DeutschBem: BESTELLE 2992 269 M91 FranzBem: COMMANDER 2992 269 M91 ItalBem: ORDINARE 2992 269 M91 SpanBem: PEDIR 2992 269 M91 DeutschDesc: MOTOR FranzDesc: MOTEUR ItalDesc: MOTORE SpanDesc: MOTOR |
|||
| ? | 2992269M91 | • ENGINE | 1 | EnglischBem: DeutschBem: FranzBem: ItalBem: SpanBem: DeutschDesc: MOTOR FranzDesc: MOTEUR ItalDesc: MOTORE SpanDesc: MOTOR |
|||
| ? | 4210137M91 | ENGINE CARRIER | 2 | EnglischBem: DeutschBem: FranzBem: ItalBem: SpanBem: DeutschDesc: MOTORTRAEGER FranzDesc: SUPPORT MOTEUR ItalDesc: PORTA MOTORE SpanDesc: SOPORTE DE MOTOR |
|||
| ? | 3002011X1 | SCREW | 8 | EnglischBem: DeutschBem: FranzBem: ItalBem: SpanBem: DeutschDesc: SCHRAUBE FranzDesc: VIS ItalDesc: VITE SpanDesc: TORNILLO |
|||
| ? | 1443794X1 | SPRING WASHER | 8 | EnglischBem: DeutschBem: FranzBem: ItalBem: SpanBem: DeutschDesc: FEDERRING FranzDesc: RONDELLE FREIN ItalDesc: ROSETTA ELASTICA SpanDesc: ARANDELA MUELLE |
|||
| ? | 4210134M91 | ENGINE CARRIER | 2 | EnglischBem: DeutschBem: FranzBem: ItalBem: SpanBem: DeutschDesc: MOTORTRAEGER FranzDesc: SUPPORT MOTEUR ItalDesc: PORTA MOTORE SpanDesc: SOPORTE DE MOTOR |
|||
| ? | 1443669X1 | SCREW | 8 | EnglischBem: DeutschBem: FranzBem: ItalBem: SpanBem: DeutschDesc: SCHRAUBE FranzDesc: VIS ItalDesc: VITE SpanDesc: TORNILLO |
|||
| ? | NOT USED | EnglischBem: DeutschBem: FranzBem: ItalBem: SpanBem: DeutschDesc: NICHT VERWENDET FranzDesc: NON UTILISE ItalDesc: NON USATO SpanDesc: NO SE USA |
|||||
| ? | 1442730X1 | SCREW | 6 | EnglischBem: DeutschBem: FranzBem: ItalBem: SpanBem: DeutschDesc: SCHRAUBE FranzDesc: VIS ItalDesc: VITE SpanDesc: TORNILLO |
|||
| ? | 2948089M1 | PLAIN WASHER | 6 | EnglischBem: DeutschBem: FranzBem: ItalBem: SpanBem: DeutschDesc: UNTERLEGSCHEIBE FranzDesc: RONDELLE ItalDesc: RONDELLA SpanDesc: ARANDELA |