| Номер на схеме | Каталожный номер | Название | Количество | Детали | |||
|---|---|---|---|---|---|---|---|
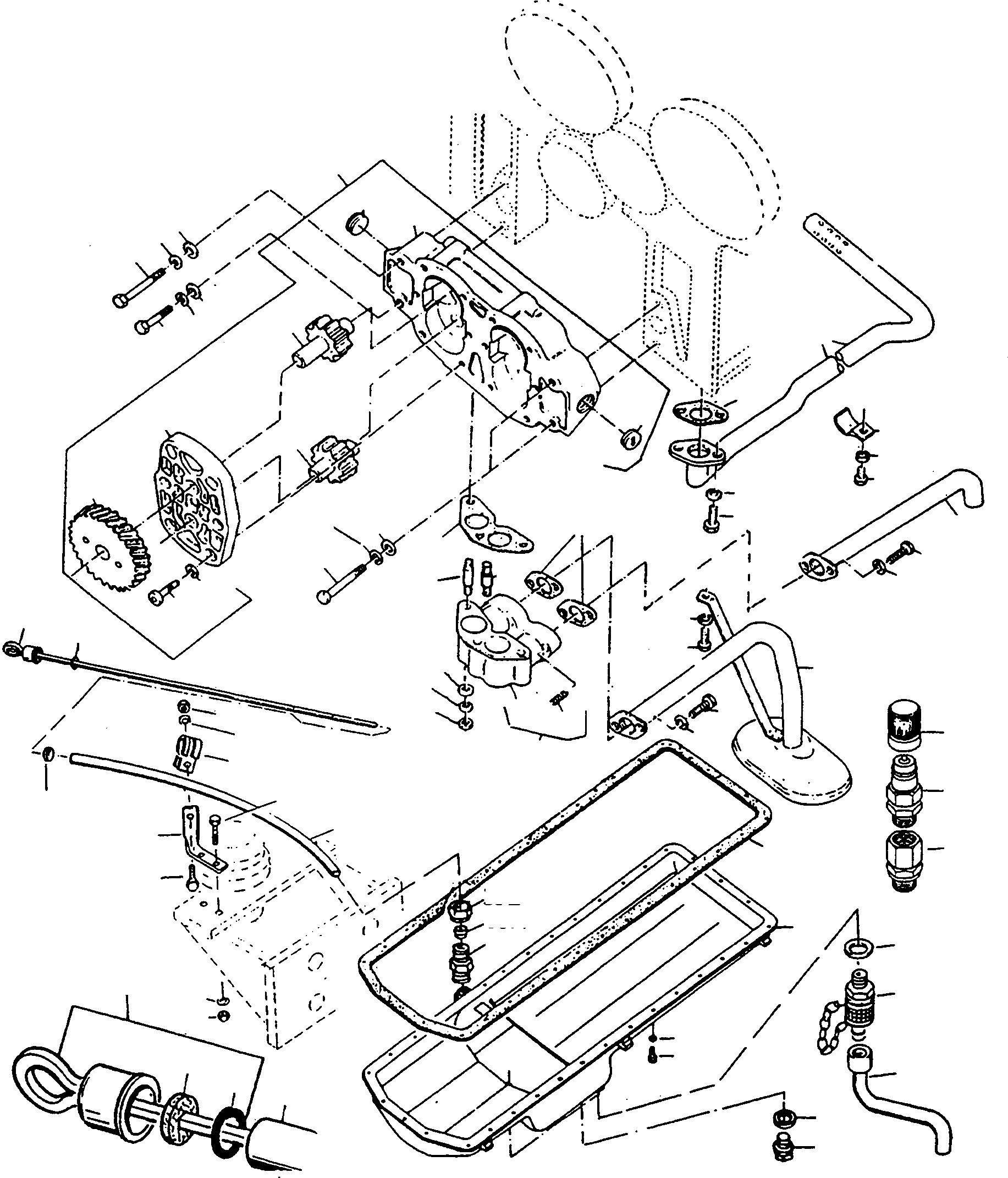
| ? | 2871697M91 | OIL PUMP | 1 | EnglischBem: DeutschBem: FranzBem: ItalBem: SpanBem: DeutschDesc: OELPUMPE FranzDesc: POMPE A HUILE ItalDesc: POMPA OLIO SpanDesc: BOMBA DE ACEITE |
|||
| ? | 2871680M1 | • HOUSING | 1 | EnglischBem: DeutschBem: FranzBem: ItalBem: SpanBem: DeutschDesc: GEHAEUSE FranzDesc: CARTER ItalDesc: CARCASSA SpanDesc: CARCASA |
|||
| ? | 2871695M91 | • PUMP GEAR | 2 | EnglischBem: DeutschBem: FranzBem: ItalBem: SpanBem: DeutschDesc: PUMPENRAD FranzDesc: POMPE ENGRENAGES ItalDesc: INGRANAGGIO POMP SpanDesc: ENGRANAJE BOMBA |
|||
| ? | 2871696M91 | • PUMP GEAR | 2 | EnglischBem: DeutschBem: FranzBem: ItalBem: SpanBem: DeutschDesc: PUMPENRAD FranzDesc: POMPE ENGRENAGES ItalDesc: INGRANAGGIO POMP SpanDesc: ENGRANAJE BOMBA |
|||
| ? | 2870052M1 | • COVER | 2 | EnglischBem: DeutschBem: FranzBem: ItalBem: SpanBem: DeutschDesc: DECKEL FranzDesc: COUVERCLE ItalDesc: COPERCHIO SpanDesc: CUBIERTA |
|||
| ? | 2871688M1 | • DRIVE GEAR | 2 | EnglischBem: DeutschBem: FranzBem: ItalBem: SpanBem: DeutschDesc: ANTRIEBSZAHNRAD FranzDesc: ENGRENAGE DE CDE ItalDesc: INGRANAGGIO TRASMISS SpanDesc: TREN DE MANDO |
|||
| ? | 1442705X1 | • SCREW | 12 | EnglischBem: DeutschBem: FranzBem: ItalBem: SpanBem: DeutschDesc: SCHRAUBE FranzDesc: VIS ItalDesc: VITE SpanDesc: TORNILLO |
|||
| ? | 1443789X1 | • SPRING WASHER | 12 | EnglischBem: DeutschBem: FranzBem: ItalBem: SpanBem: DeutschDesc: FEDERRING FranzDesc: RONDELLE FREIN ItalDesc: ROSETTA ELASTICA SpanDesc: ARANDELA MUELLE |
|||
| ? | 2870043M1 | • PLUG | 2 | EnglischBem: DeutschBem: FranzBem: ItalBem: SpanBem: DeutschDesc: VERSCHLUSSSTOPFEN FranzDesc: BOUCHON ItalDesc: TAPPO SpanDesc: TAPON |
|||
| ? | 339368X1 | SCREW | 3 | EnglischBem: DeutschBem: FranzBem: ItalBem: SpanBem: DeutschDesc: SCHRAUBE FranzDesc: VIS ItalDesc: VITE SpanDesc: TORNILLO |
|||
| ? | 339291X1 | SCREW | 1 | EnglischBem: DeutschBem: FranzBem: ItalBem: SpanBem: DeutschDesc: SCHRAUBE FranzDesc: VIS ItalDesc: VITE SpanDesc: TORNILLO |
|||
| ? | 1443789X1 | SPRING WASHER | 4 | EnglischBem: DeutschBem: FranzBem: ItalBem: SpanBem: DeutschDesc: FEDERRING FranzDesc: RONDELLE FREIN ItalDesc: ROSETTA ELASTICA SpanDesc: ARANDELA MUELLE |
|||
| ? | 3076907M1 | PLAIN WASHER | 4 | EnglischBem: DeutschBem: FranzBem: ItalBem: SpanBem: DeutschDesc: UNTERLEGSCHEIBE FranzDesc: RONDELLE ItalDesc: RONDELLA SpanDesc: ARANDELA |
|||
| ? | 2870058M91 | HOUSING | 1 | EnglischBem: DeutschBem: FranzBem: ItalBem: SpanBem: DeutschDesc: GEHAEUSE FranzDesc: CARTER ItalDesc: CARCASSA SpanDesc: CARCASA |
|||
| ? | • HOUSING | 1 | EnglischBem: ORDER 2870 058 M91 DeutschBem: BESTELLE 2870 058 M91 FranzBem: COMMANDER 2870 058 M91 ItalBem: ORDINARE 2870 058 M91 SpanBem: PEDIR 2870 058 M91 DeutschDesc: GEHAEUSE FranzDesc: CARTER ItalDesc: CARCASSA SpanDesc: CARCASA |
||||
| ? | 1443919X1 | • THREADED INSERT | 4 | EnglischBem: DeutschBem: FranzBem: ItalBem: SpanBem: DeutschDesc: GEWINDEEINSATZ FranzDesc: DOUILLE FILETEE ItalDesc: INSERTO FILETTATA SpanDesc: CASQUILLO ROSCADO |
|||
| ? | 2992759M1 | GASKET | 1 | EnglischBem: DeutschBem: FranzBem: ItalBem: SpanBem: DeutschDesc: DICHTUNG FranzDesc: JOINT ItalDesc: GIUNTO SpanDesc: JUNTA |
|||
| ? | 1444214X1 | STUD BOLT | 2 | EnglischBem: DeutschBem: FranzBem: ItalBem: SpanBem: DeutschDesc: STIFTSCHRAUBE FranzDesc: GOUPILLE ItalDesc: PRIGIONIERE SpanDesc: TORN.PERNO |
|||
| ? | 1444217X1 | STUD BOLT | 1 | EnglischBem: DeutschBem: FranzBem: ItalBem: SpanBem: DeutschDesc: STIFTSCHRAUBE FranzDesc: GOUPILLE ItalDesc: PRIGIONIERE SpanDesc: TORN.PERNO |
|||
| ? | 3076907M1 | PLAIN WASHER | 3 | EnglischBem: DeutschBem: FranzBem: ItalBem: SpanBem: DeutschDesc: UNTERLEGSCHEIBE FranzDesc: RONDELLE ItalDesc: RONDELLA SpanDesc: ARANDELA |
|||
| ? | 1443780X1 | SPRING PLATE | 3 | EnglischBem: DeutschBem: FranzBem: ItalBem: SpanBem: DeutschDesc: FEDERSCHEIBE FranzDesc: PLAQUE RESSORT ItalDesc: RONDELLA ELASTIC SpanDesc: ARANDELA ELASTICA |
|||
| ? | 339169X1 | NUT | 3 | EnglischBem: DeutschBem: FranzBem: ItalBem: SpanBem: DeutschDesc: MUTTER FranzDesc: ECROU ItalDesc: DADO SpanDesc: TUERCA |
|||
| ? | 2992165M91 | INTAKE | 1 | EnglischBem: DeutschBem: FranzBem: ItalBem: SpanBem: DeutschDesc: EINLASSLEITUNG FranzDesc: PRISE ItalDesc: ASPIRAZIONE SpanDesc: ENTRADA |
|||
| ? | 4700095X1 | GASKET | 2 | EnglischBem: DeutschBem: FranzBem: ItalBem: SpanBem: DeutschDesc: DICHTUNG FranzDesc: JOINT ItalDesc: GIUNTO SpanDesc: JUNTA |
|||
| ? | 390379X1 | SCREW | 4 | EnglischBem: DeutschBem: FranzBem: ItalBem: SpanBem: DeutschDesc: SCHRAUBE FranzDesc: VIS ItalDesc: VITE SpanDesc: TORNILLO |
|||
| ? | 391037X1 | SPRING WASHER | 9 | EnglischBem: DeutschBem: FranzBem: ItalBem: SpanBem: DeutschDesc: FEDERRING FranzDesc: RONDELLE FREIN ItalDesc: ROSETTA ELASTICA SpanDesc: ARANDELA MUELLE |
|||
| ? | 2871765M91 | PIPE | 1 | EnglischBem: DeutschBem: FranzBem: ItalBem: SpanBem: DeutschDesc: ROHRLEITUNG FranzDesc: CANALISATION ItalDesc: TUBO SpanDesc: TUBO |
|||
| ? | 3086032M91 | INTAKE | 1 | EnglischBem: DeutschBem: FranzBem: ItalBem: SpanBem: DeutschDesc: EINLASSLEITUNG FranzDesc: PRISE ItalDesc: ASPIRAZIONE SpanDesc: ENTRADA |
|||
| ? | 4700094X1 | GASKET | 1 | EnglischBem: DeutschBem: FranzBem: ItalBem: SpanBem: DeutschDesc: DICHTUNG FranzDesc: JOINT ItalDesc: GIUNTO SpanDesc: JUNTA |
|||
| ? | 339761X1 | SCREW | 2 | EnglischBem: DeutschBem: FranzBem: ItalBem: SpanBem: DeutschDesc: SCHRAUBE FranzDesc: VIS ItalDesc: VITE SpanDesc: TORNILLO |
|||
| ? | 2961501M1 | CLIP | 2 | EnglischBem: DeutschBem: FranzBem: ItalBem: SpanBem: DeutschDesc: SCHELLE FranzDesc: COLLIER ItalDesc: FERMAGLIO SpanDesc: ABRAZADERA |
|||
| ? | 339124X1 | SCREW | 3 | EnglischBem: DeutschBem: FranzBem: ItalBem: SpanBem: DeutschDesc: SCHRAUBE FranzDesc: VIS ItalDesc: VITE SpanDesc: TORNILLO |
|||
| ? | 2987781M1 | SUMP | 1 | EnglischBem: DeutschBem: FranzBem: ItalBem: SpanBem: DeutschDesc: OELWANNE FranzDesc: CARTER D'HUILE ItalDesc: COPPA SpanDesc: CARTER |
|||
| ? | 2992770M1 | GASKET | 1 | EnglischBem: DeutschBem: FranzBem: ItalBem: SpanBem: DeutschDesc: DICHTUNG FranzDesc: JOINT ItalDesc: GIUNTO SpanDesc: JUNTA |
|||
| ? | 339337X1 | SCREW | 33 | EnglischBem: DeutschBem: FranzBem: ItalBem: SpanBem: DeutschDesc: SCHRAUBE FranzDesc: VIS ItalDesc: VITE SpanDesc: TORNILLO |
|||
| ? | 1443789X1 | SPRING WASHER | 33 | EnglischBem: DeutschBem: FranzBem: ItalBem: SpanBem: DeutschDesc: FEDERRING FranzDesc: RONDELLE FREIN ItalDesc: ROSETTA ELASTICA SpanDesc: ARANDELA MUELLE |
|||
| ? | 1443848X1 | SEAL | 2 | EnglischBem: DeutschBem: FranzBem: ItalBem: SpanBem: DeutschDesc: DICHTRING FranzDesc: BAGUE ETANCHEITE ItalDesc: TENUTA SpanDesc: RETEN |
|||
| ? | 1444263X1 | PLUG | 1 | EnglischBem: DeutschBem: FranzBem: ItalBem: SpanBem: DeutschDesc: VERSCHLUSSSTOPFEN FranzDesc: BOUCHON ItalDesc: TAPPO SpanDesc: TAPON |
|||
| ? | 2992502M91 | DRAIN VALVE | 1 | EnglischBem: DeutschBem: FranzBem: ItalBem: SpanBem: DeutschDesc: ABLASSVENTIL FranzDesc: SOUPAPE DE VINDAGE ItalDesc: VALVOLA SpanDesc: VALVULA DE SALIDA |
|||
| ? | 2992503M91 | HOSE ASSEMBLY | 1 | EnglischBem: DeutschBem: FranzBem: ItalBem: SpanBem: DeutschDesc: SCHLAUCH VOLLST. FranzDesc: FLEXIBLE COMPLET ItalDesc: TUBO FLESSIBLE COMPL SpanDesc: TUBO COMPLETO |
|||
| ? | 2992601M1 | STUD | 1 | EnglischBem: DeutschBem: FranzBem: ItalBem: SpanBem: DeutschDesc: STUTZEN FranzDesc: GOUJON ItalDesc: PRIGIONIERO SpanDesc: ESPARRAGO |
|||
| ? | 1443840X1 | OLIVE | 1 | EnglischBem: DeutschBem: FranzBem: ItalBem: SpanBem: DeutschDesc: SCHNEIDRING FranzDesc: OLIVE ItalDesc: OLIVA SpanDesc: OLIVA |
|||
| ? | 339995X1 | BOXNUT | 1 | EnglischBem: DeutschBem: FranzBem: ItalBem: SpanBem: DeutschDesc: UEBERWURFMUTTER FranzDesc: ECROUCAGE ItalDesc: SCATOLADADI SpanDesc: TUERCACIEGA |
|||
| ? | 2992175M1 | BRACKET | 1 | EnglischBem: DeutschBem: FranzBem: ItalBem: SpanBem: DeutschDesc: HALTER FranzDesc: SUPPORT ItalDesc: SUPPORTO SpanDesc: SOPORTE |
|||
| ? | 339666X1 | SCREW | 2 | EnglischBem: DeutschBem: FranzBem: ItalBem: SpanBem: DeutschDesc: SCHRAUBE FranzDesc: VIS ItalDesc: VITE SpanDesc: TORNILLO |
|||
| ? | 1443791X1 | SPRING WASHER | 2 | EnglischBem: DeutschBem: FranzBem: ItalBem: SpanBem: DeutschDesc: FEDERRING FranzDesc: RONDELLE FREIN ItalDesc: ROSETTA ELASTICA SpanDesc: ARANDELA MUELLE |
|||
| ? | NOT USED | EnglischBem: DeutschBem: FranzBem: ItalBem: SpanBem: DeutschDesc: NICHT VERWENDET FranzDesc: NON UTILISE ItalDesc: NON USATO SpanDesc: NO SE USA |
|||||
| ? | 2992171M1 | TUBE | 1 | EnglischBem: DeutschBem: FranzBem: ItalBem: SpanBem: DeutschDesc: ROHR FranzDesc: TUBE ItalDesc: TUBO SpanDesc: TUBO |
|||
| ? | 1444716X1 | O-RING | 1 | EnglischBem: DeutschBem: FranzBem: ItalBem: SpanBem: DeutschDesc: O-RING FranzDesc: JOINT TORIQUE ItalDesc: ANELLO OR SpanDesc: JUNTA TORICA |
|||
| ? | 339560X1 | SCREW | 1 | EnglischBem: DeutschBem: FranzBem: ItalBem: SpanBem: DeutschDesc: SCHRAUBE FranzDesc: VIS ItalDesc: VITE SpanDesc: TORNILLO |
|||
| ? | 1444666X1 | CLIP | 1 | EnglischBem: DeutschBem: FranzBem: ItalBem: SpanBem: DeutschDesc: SCHELLE FranzDesc: COLLIER ItalDesc: FERMAGLIO SpanDesc: ABRAZADERA |
|||
| ? | 1443791X1 | SPRING WASHER | 1 | EnglischBem: DeutschBem: FranzBem: ItalBem: SpanBem: DeutschDesc: FEDERRING FranzDesc: RONDELLE FREIN ItalDesc: ROSETTA ELASTICA SpanDesc: ARANDELA MUELLE |
|||
| ? | 339030X1 | NUT | 1 | EnglischBem: DeutschBem: FranzBem: ItalBem: SpanBem: DeutschDesc: MUTTER FranzDesc: ECROU ItalDesc: DADO SpanDesc: TUERCA |
|||
| ? | 2992174M91 | OIL DIPSTICK | 1 | EnglischBem: DeutschBem: FranzBem: ItalBem: SpanBem: DeutschDesc: OELMESSSTAB FranzDesc: JAUGE D'HUILE ItalDesc: ASTA LIVELLO SpanDesc: VARILLA NIVEL A |
|||
| ? | 2871668M1 | • GASKET | 1 | EnglischBem: DeutschBem: FranzBem: ItalBem: SpanBem: DeutschDesc: DICHTUNG FranzDesc: JOINT ItalDesc: GIUNTO SpanDesc: JUNTA |
|||
| ? | 4700397X91 | STUD | 1 | EnglischBem: REPAIRS AND REPLACES 4750 090 M91 DeutschBem: ERSETZT 4750 090 M91 FranzBem: REMPLACE ET RECHANGE 4750 090 M91 ItalBem: SOSTIUISCE 4750 090 M91 SpanBem: REEMPLAZE Y SUSTITUYE 4750 090 M91 DeutschDesc: STUTZEN FranzDesc: GOUJON ItalDesc: PRIGIONIERO SpanDesc: ESPARRAGO |
|||
| ? | 4750092M91 | ELECTRICAL PLUG | 1 | EnglischBem: DeutschBem: FranzBem: ItalBem: SpanBem: DeutschDesc: STECKER FranzDesc: PRISE ELECTRIQUE ItalDesc: SPINA SpanDesc: ENCHUFE |
|||
| ? | 4750091M91 | THIMBLE | 1 | EnglischBem: DeutschBem: FranzBem: ItalBem: SpanBem: DeutschDesc: MUFFE FranzDesc: COSSE ItalDesc: BUSSOLA SpanDesc: DEDAL |