| Номер на схеме | Каталожный номер | Название | Количество | Детали | |||
|---|---|---|---|---|---|---|---|
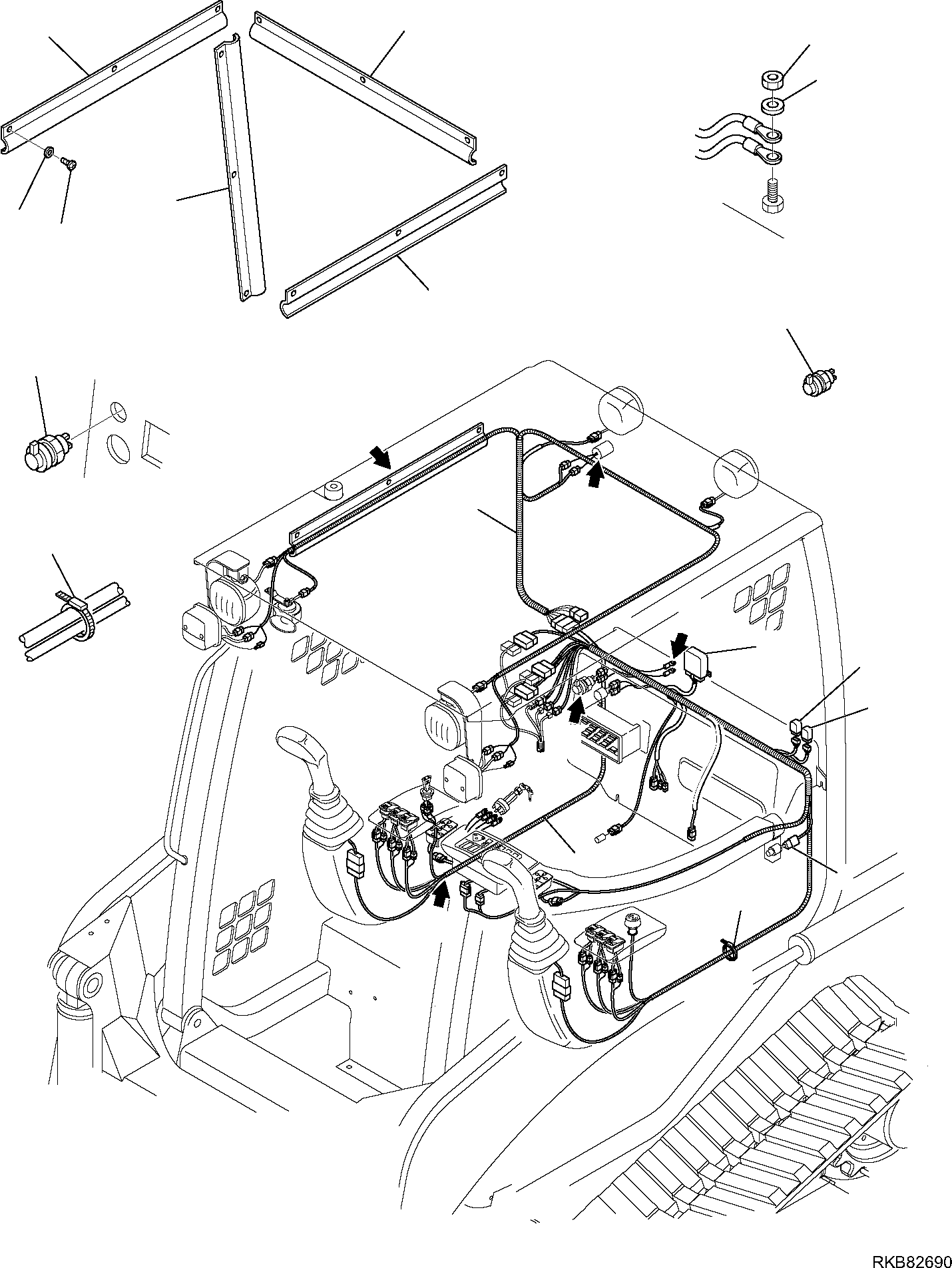
| ? | 37A-06-11711 | WIRING HARNESS, CAB LINE | 1 | SN: F00003-F00068 |
A | ||
| ? | 37A-06-11712 | WIRING HARNESS, CAB LINE | 1 | SN: F00069- |
B | ||
| ? | 3A6-06-11250 | PROXIMITY SWITCH | 1 | SN: F00003- |
|||
| ? | 08034-20519 | CLAMP | 10 | SN: F00003- |
|||
| ? | 21D-09-24180 | NUT | 1 | SN: F00003- |
|||
| ? | 01643-10823 | WASHER | 1 | SN: F00003- |
|||
| ? | 37A-06-11471 | WIRING HARNESS, ROOF LINE, ROAD HOMOLOGATION | 1 | SN: F00003- |
A | ||
| ? | 37B-06-11231 | WIRING HARNESS, ROOF LINE, ROAD HOMOLOGATION | 1 | SN: F00003- |
B | ||
| ? | 37A-06-11521 | PROTECTION | 1 | SN: F00003- |
|||
| ? | 37A-06-11510 | PROTECTION | 1 | SN: F00003- |
|||
| ? | 37A-06-11530 | PROTECTION | 1 | SN: F00003- |
|||
| ? | 37A-06-11550 | PROTECTION | 1 | SN: F00003- |
|||
| ? | 21D-09-16110 | SCREW | 12 | SN: F00003- |
|||
| ? | 21D-54-11460 | WASHER | 12 | SN: F00003- |
|||
| ? | 395-06-12870 | RELAY | 1 | SN: F00003- |
|||
| ? | 395-06-12870 | • RELAY | 1 | SN: F00003- |
|||
| ? | 395-06-12870 | RELAY | 1 | SN: F00003- |
|||
| ? | 885070046 | SAFETY CONTROL BOX | 1 | SN: F00003- |
|||
| ? | 37A-06-11560 | ELECTRICAL LIGHTER, ASSEMBLY | 1 | SN: F00003- |
|||
| ? | 21D-06-11220 | ELECTRICAL SOCKET | 1 | SN: F00003- |
|||
| ? | 37A-06-12810 | CLAMP | 6 | SN: F00003- |