k-part
Номер на схеме Каталожный номер Название Количество Детали
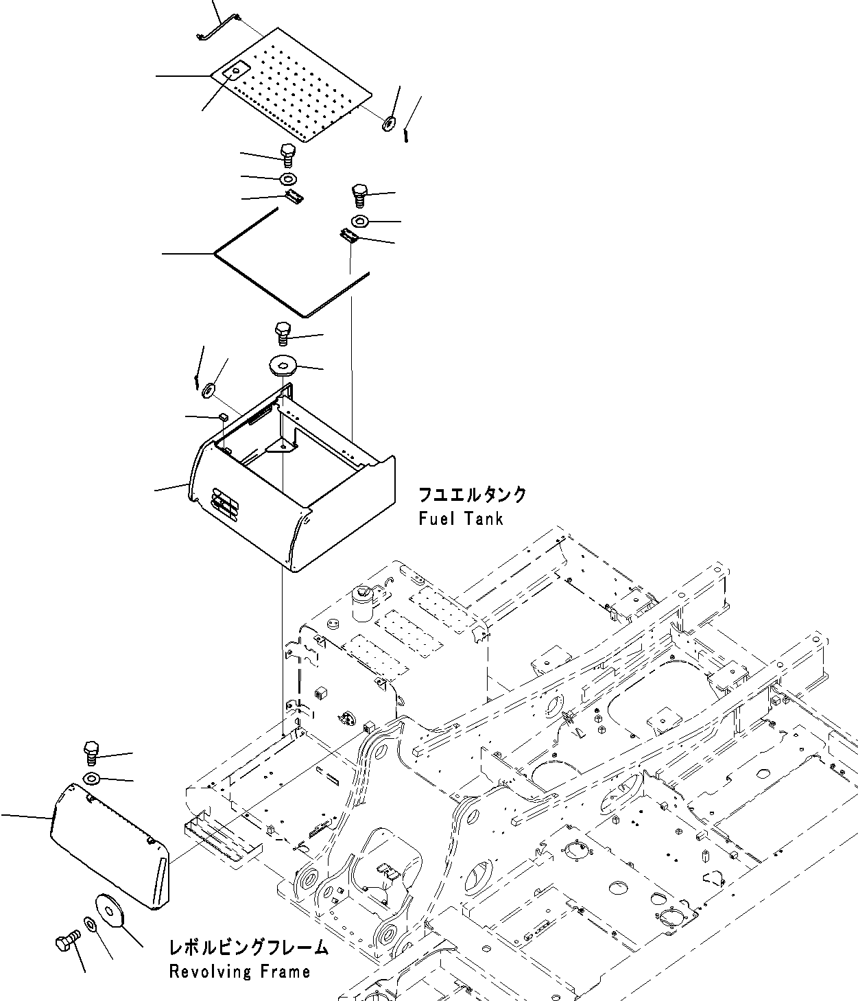
? 20Y-54-73960 Cover 1
SN: 10001-
SCC:
? 20Y-54-74102 Case Assembly 1
SN: 10001-
SCC:
? 20Y-54-74121 • Cover 1
SN: 10001-
SCC:
? 20Y-54-74132 • Cover 1
SN: 10001-
SCC: C1
? 20Y-54-74161 • • Hinge, Welded 2
SN: 10001-
SCC:
? 421-54-11372 • • Lock, Welded 1
SN: 10001-
SCC:
? 01010-81020 • Bolt 2
SN: 10001-
SCC:
? 01643-31032 • Washer 2
SN: 10001-
SCC:
? 01010-81020 • Bolt 2
SN: 10001-
SCC:
? 01643-31032 • Washer 2
SN: 10001-
SCC:
? 20Y-54-29680 • Sheet 1
SN: 10001-
SCC:
? 20Y-54-29660 • Seal 1
SN: 10001-
SCC:
? 203-54-56630 • Rod 1
SN: 10001-
SCC:
? 01643-30623 • Washer 2
SN: 10001-
SCC:
? 04050-11612 • Pin, Cotter 2
SN: 10001-
SCC:
? 01010-81230 Bolt 4
SN: 10001-
SCC:
? 01643-31232 Washer 4
SN: 10001-
SCC:
? 20Y-54-19930 Collar 2
SN: 10001-
SCC:
? 175-54-34170 Washer 4
SN: 10001-
SCC:
? 01010-81230 Bolt 4
SN: 10001-
SCC:

Excavators Komatsu / PC290-8K S/N 10001-UP ( Standard Machine )(0000002u) / Battery Case, For Machine With Fuel Refill Pump(#10001-)(256 : X21-1156490-01)
?
?
?
?
?
?
?
?
?
?
?
?
?
?
?
?
?
?
?
?
?
?
?
?