| Номер на схеме | Каталожный номер | Название | Количество | Детали | |||
|---|---|---|---|---|---|---|---|
| ? | (425-15-21004) | TRANSMISSION ASS'Y | 1 | SN: 50001- KIT-FLAG: _- SERIALNO: 50001- |
|||
| ? | (☒425-15-21003) | TRANSMISSION ASS'Y | 1 | SN: (50001-50005) KIT-FLAG: _- SERIALNO: (50001-50005) |
|||
| ? | THESE ASSEMBLIES CONSIST OF ALL PARTS SHOWN IN FIGS.F4320-51A0 TO F4320-70A0. | SERIALNO: |
|||||
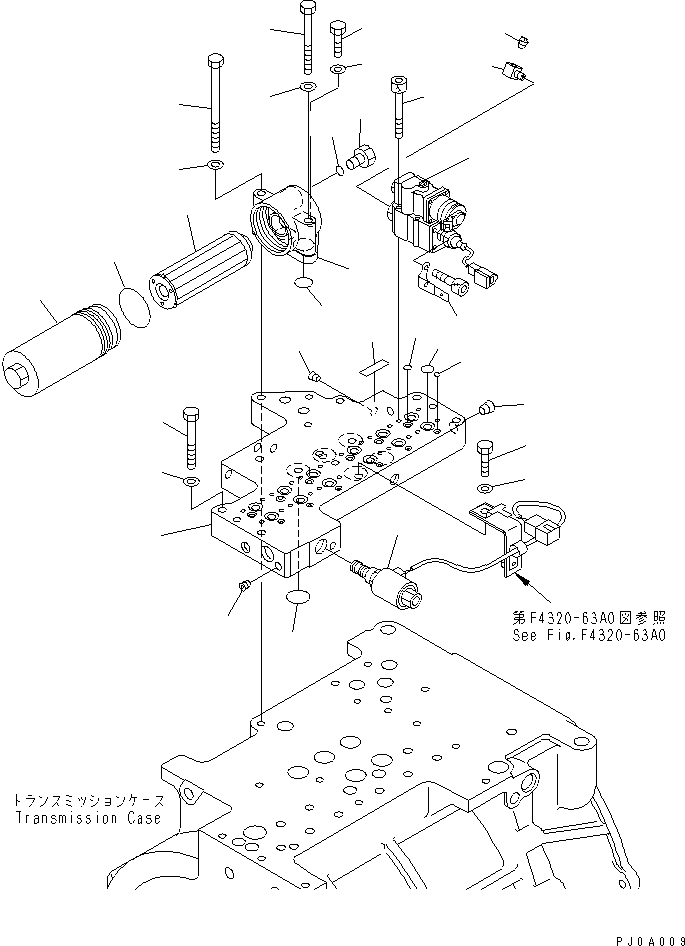
| ? | 425-15-25002 | • CONTROL VALVE ASS'Y | 1 | SN: 50001- KIT-FLAG: _- SERIALNO: 50001- |
|||
| ? | 425-15-25130 | • • SEAT | 1 | SN: 50001- KIT-FLAG: _- SERIALNO: 50001- |
|||
| ? | 07043-00108 | • • PLUG | 2 | SN: 50001- KIT-FLAG: _- SERIALNO: 50001- |
|||
| ? | 07043-00211 | • • PLUG | 7 | SN: 50001- KIT-FLAG: _- SERIALNO: 50001- |
|||
| ? | 07043-00312 | • • PLUG | 2 | SN: 50001- KIT-FLAG: _- SERIALNO: 50001- |
|||
| ? | 711-85-16101 | • • ECMV ASS'Y | 6 | SN: 50001- KIT-FLAG: _- SERIALNO: 50001- |
|||
| ? | 711-85-16111 | • • • ECMV GROUP | 1 | SN: 50001- KIT-FLAG: _- SERIALNO: 50001- |
|||
| ? | 21J-15-15891 | • • • BRACKET | 1 | SN: 50001- KIT-FLAG: _- SERIALNO: 50001- |
|||
| ? | 205-62-53391 | • • ELBOW | 6 | SN: 50001- KIT-FLAG: _- SERIALNO: 50001- |
|||
| ? | 07042-80108 | • • PLUG | 6 | SN: 50001- KIT-FLAG: _- SERIALNO: 50001- |
|||
| ? | 07000-72015 | • • O-RING (K3) | 12 | SN: 50001- KIT-FLAG: _- SERIALNO: 50001- |
|||
| ? | 07000-71009 | • • O-RING (K3) | 6 | SN: 50001- KIT-FLAG: _- SERIALNO: 50001- |
|||
| ? | 07000-71006 | • • O-RING (K3) | 6 | SN: 50001- KIT-FLAG: _- SERIALNO: 50001- |
|||
| ? | 01252-40650 | • • BOLT | 24 | SN: 50001- KIT-FLAG: _- SERIALNO: 50001- |
|||
| ? | 20Y-60-11713 | • • SOLENOID VALVE | 1 | SN: 50001- KIT-FLAG: _- SERIALNO: 50001- |
|||
| ? | 712-85-11721 | • • FILTER ASS'Y | 1 | SN: 50001- KIT-FLAG: _- SERIALNO: 50001- |
|||
| ? | 712-85-11731 | • • • ELEMENT ASS'Y | 1 | SN: 50001- KIT-FLAG: _- SERIALNO: 50001- |
|||
| ? | 07000-02060 | • • • O-RING (K3) | 1 | SN: 50001- KIT-FLAG: _- SERIALNO: 50001- |
|||
| ? | 07040-11812 | • • PLUG | 1 | SN: 50001- KIT-FLAG: _- SERIALNO: 50001- |
|||
| ? | 07002-11823 | • • O-RING | 1 | SN: 50001- KIT-FLAG: _- SERIALNO: 50001- |
|||
| ? | 07000-73022 | • • O-RING (K3) | 2 | SN: 50001- KIT-FLAG: _- SERIALNO: 50001- |
|||
| ? | 01010-81030 | • • BOLT | 1 | SN: 50001- KIT-FLAG: _- SERIALNO: 50001- |
|||
| ? | 01643-31032 | • • WASHER | 1 | SN: 50001- KIT-FLAG: _- SERIALNO: 50001- |
|||
| ? | 01010-81080 | • • BOLT | 1 | SN: 50001- KIT-FLAG: _- SERIALNO: 50001- |
|||
| ? | 01643-31032 | • • WASHER | 1 | SN: 50001- KIT-FLAG: _- SERIALNO: 50001- |
|||
| ? | 700-11-31980 | • • PLATE, NAME | 1 | SN: 50001- KIT-FLAG: _- SERIALNO: 50001- |
|||
| ? | 01010-81060 | • BOLT | 7 | SN: 50001- KIT-FLAG: _- SERIALNO: 50001- |
|||
| ? | 01643-31032 | • WASHER | 7 | SN: 50001- KIT-FLAG: _- SERIALNO: 50001- |
|||
| ? | 01011-81020 | • BOLT | 1 | SN: 50001- KIT-FLAG: _- SERIALNO: 50001- |
|||
| ? | 01643-31032 | • WASHER | 1 | SN: 50001- KIT-FLAG: _- SERIALNO: 50001- |
|||
| ? | 01010-81065 | • BOLT | 1 | SN: 50001- KIT-FLAG: _- SERIALNO: 50001- |
|||
| ? | 01643-31032 | • WASHER | 1 | SN: 50001- KIT-FLAG: _- SERIALNO: 50001- |
|||
| ? | 07000-73035 | • O-RING (K2) | 5 | SN: 50001- KIT-FLAG: _- SERIALNO: 50001- |